GM Service Manual Online
For 1990-2009 cars only
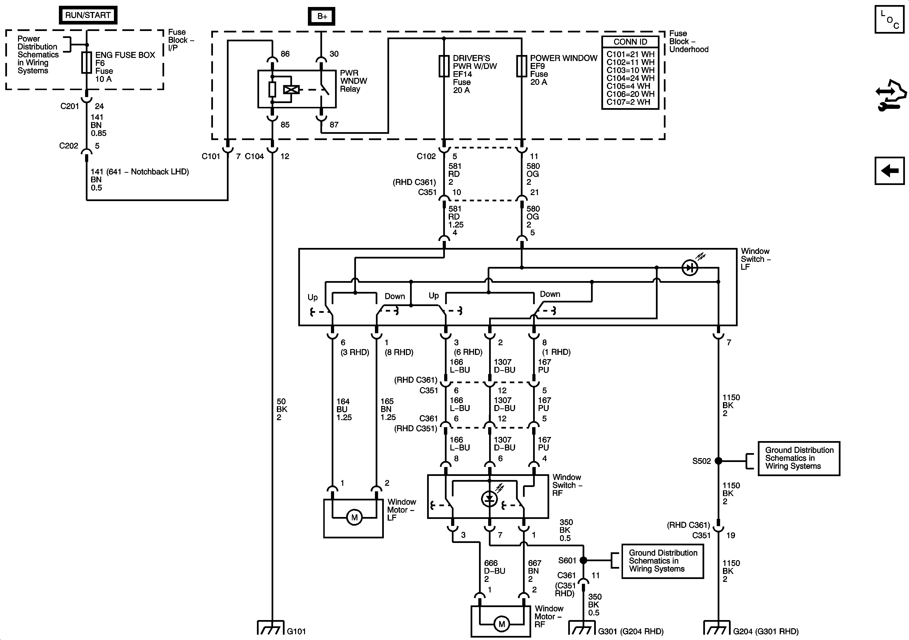
Figure 1:

Front/Rear Power Windows


Object Number: 1650864  Size: FS
Master Electrical Component List
Front Power Windows
I/P Fuse Block CLSTR, AIR BAG, BCK/UP and ENG FUSE BOX DRL Fuses
G402
G303, G401
G101
G302
G303, G401
G302
G402
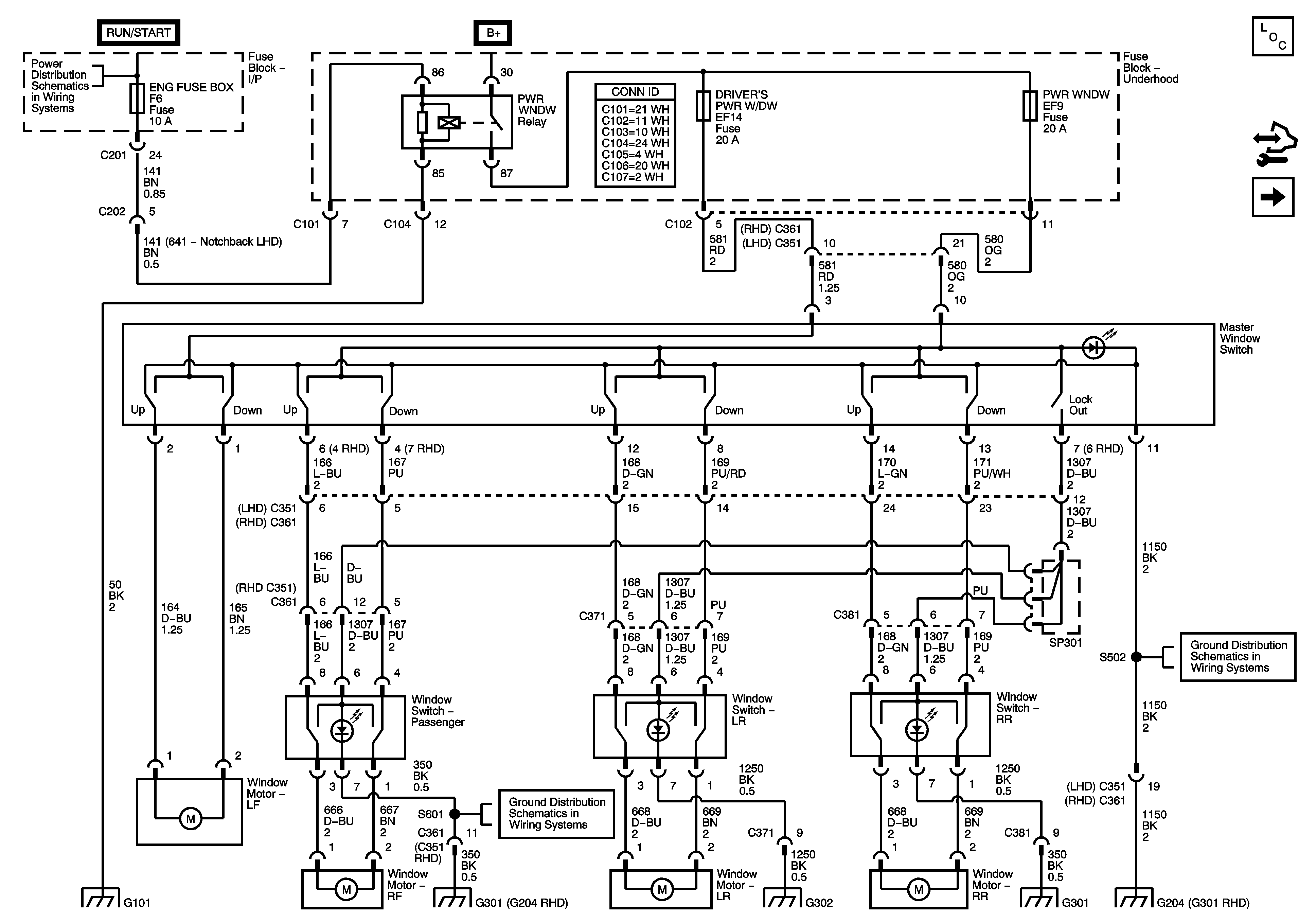
Figure 2:

Front Power Windows


Object Number: 1709025  Size: FS
Master Electrical Component List
Front/Rear Power Windows
I/P Fuse Block CLSTR, AIR BAG, BCK/UP and ENG FUSE BOX DRL Fuses
G402
G303, G401
G101
G302
G402