GM Service Manual Online
For 1990-2009 cars only
Makes
🢒
Holden
🢒
2006
🢒
Viva
🢒
Transmission/Transaxle
🢒
Manual Transaxle - D16
🢒 Manual Transmission Schematics
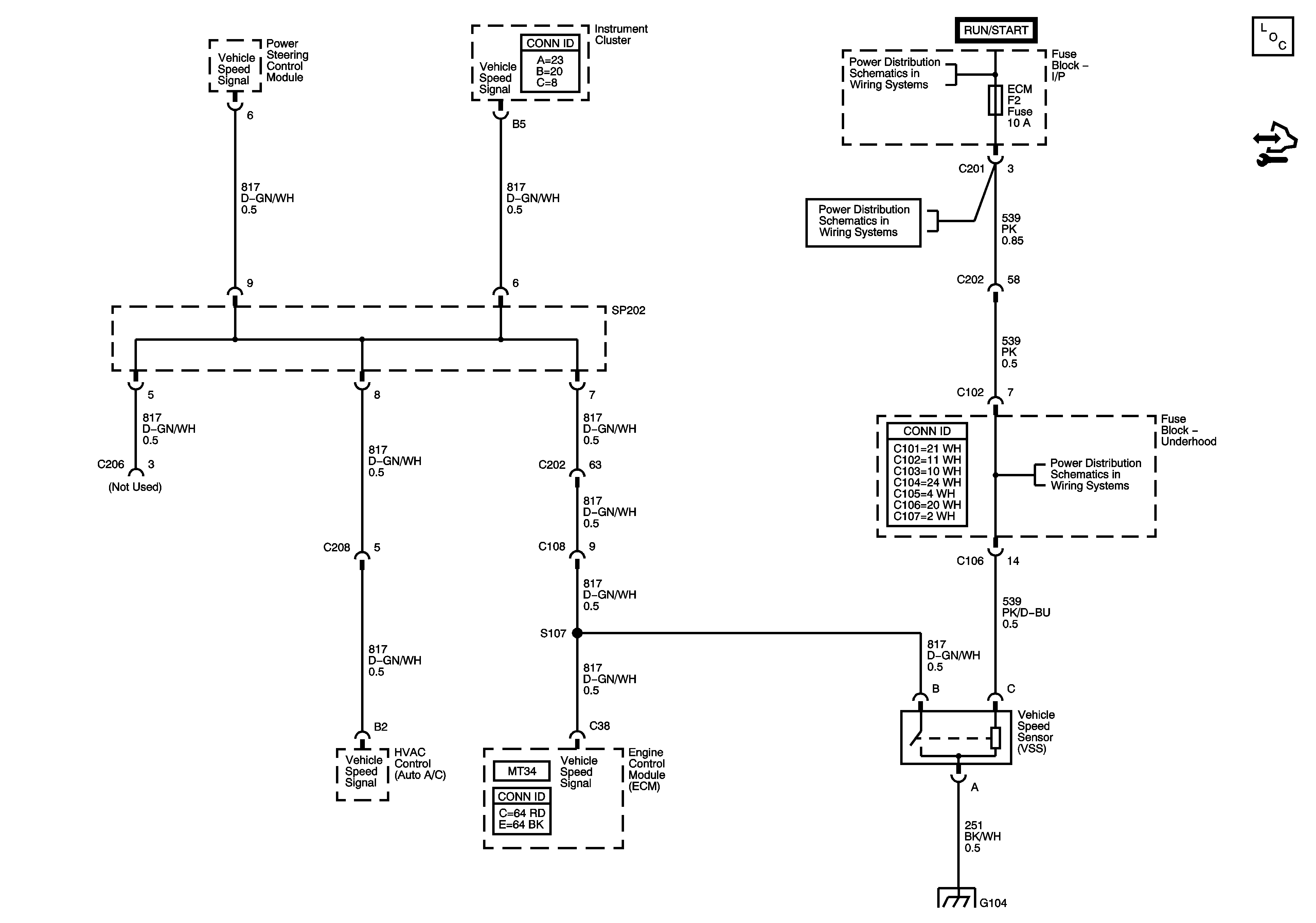
Manual Transmission Schematics Sirius D4
Master Electrical Component List
I/P Fuse Block ECM Fuse
I/P Fuse Block ECM Fuse
I/P Fuse Block ECM Fuse
G106, G107
Manual Transmission Schematics MT34
Master Electrical Component List
I/P Fuse Block ECM Fuse
I/P Fuse Block ECM Fuse
I/P Fuse Block ECM Fuse
G106, G107