GM Service Manual Online
For 1990-2009 cars only
Makes
🢒
Holden
🢒
2006
🢒
Viva
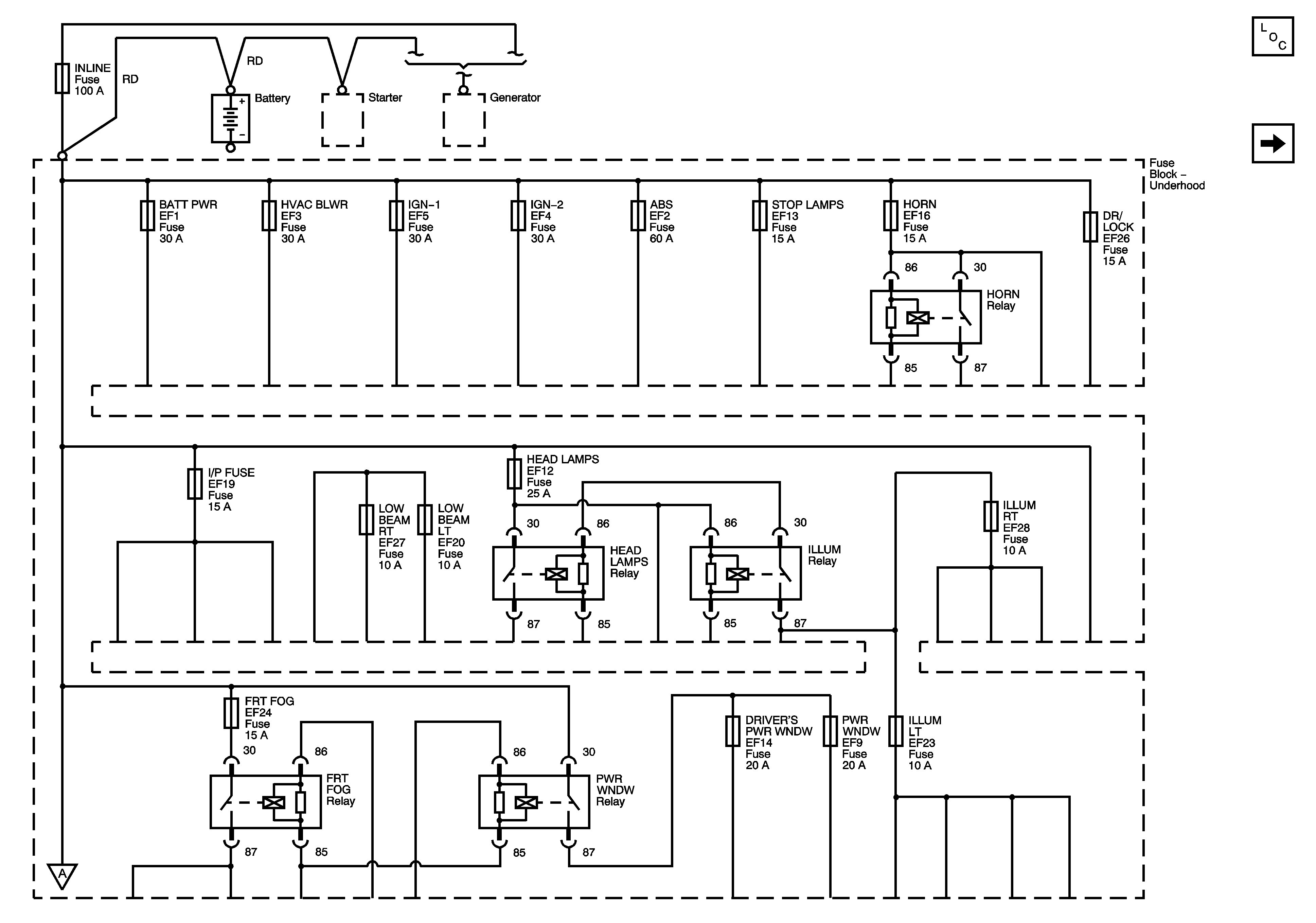
🢒 Underhood Fuse Block - Battery Feeds 1 of 3
Underhood Fuse Block - Battery Feeds 1 of 3
Underhood Fuse Block - Battery Feeds 1 of 3
Master Electrical Component List
Underhood Fuse Block - Battery Feeds 2 of 3
Underhood Fuse Block - Battery Feeds 2 of 3