GM Service Manual Online
For 1990-2009 cars only
Makes
🢒
Holden
🢒
2006
🢒
Viva
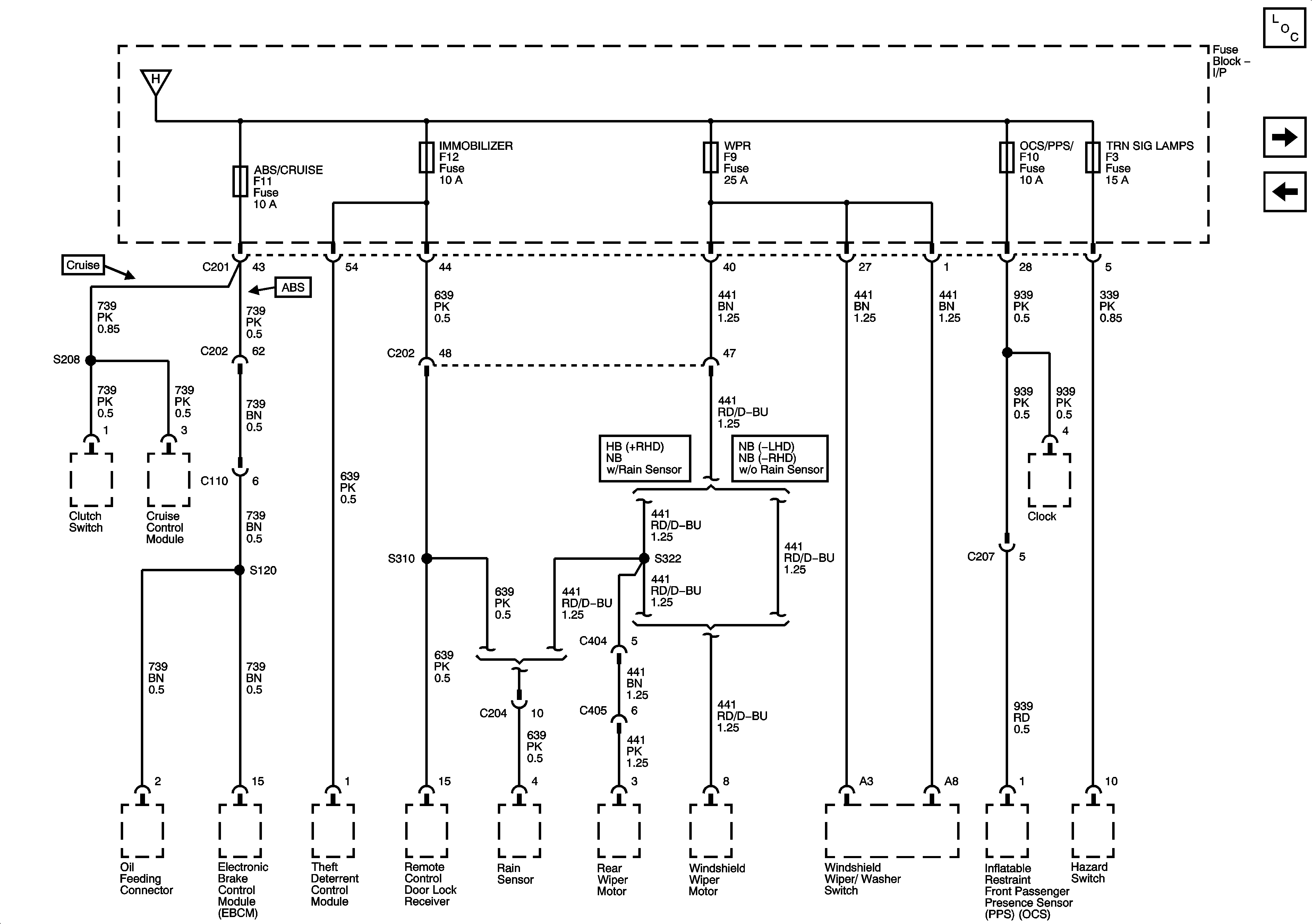
🢒 I/P Fuse Block ABS IMMOBILIZER, WRP, and TRN SIG LAMPS Fuses
I/P Fuse Block ABS IMMOBILIZER, WRP, and TRN SIG LAMPS Fuses
I/P Fuse Block - ABS, IMMOBILIZER, WPR, and TRN SIG LAMPS Fuses
Master Electrical Component List
I/P Fuse Block ECM Fuse
I/P Fuse Block CLSTR, AIR BAG, BCK/UP and ENG FUSE BOX DRL Fuses
I/P Fuse Block CLSTR, AIR BAG, BCK/UP and ENG FUSE BOX DRL Fuses