GM Service Manual Online
For 1990-2009 cars only
Makes
🢒
Holden
🢒
2006
🢒
Viva
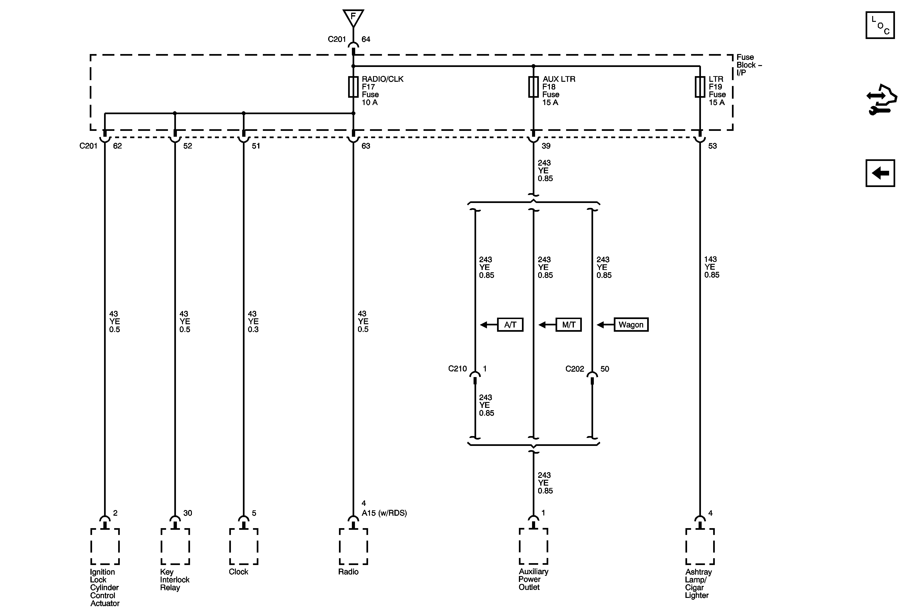
🢒 I/P Fuse Block RADIO/CLK, AUX LTR,and LTR Fuses
I/P Fuse Block RADIO/CLK, AUX LTR,and LTR Fuses
I/P Fuse Block - RADIO/CLK, AUX LTR, and LTR Fuses
Master Electrical Component List
I/P Fuse Block HVAC and S/ROOF HTD/SEAT Fuses
Underhood Fuse Block BATT PWR, IGN 1 and IGN 2 Fuses, Ignition Switch, I/P Fuse Block - RADIO, IMMOBILIZER, DLC, AUTO A/C, HAZARD LAMPS, RKE, TCM, REAR