GM Service Manual Online
For 1990-2009 cars only

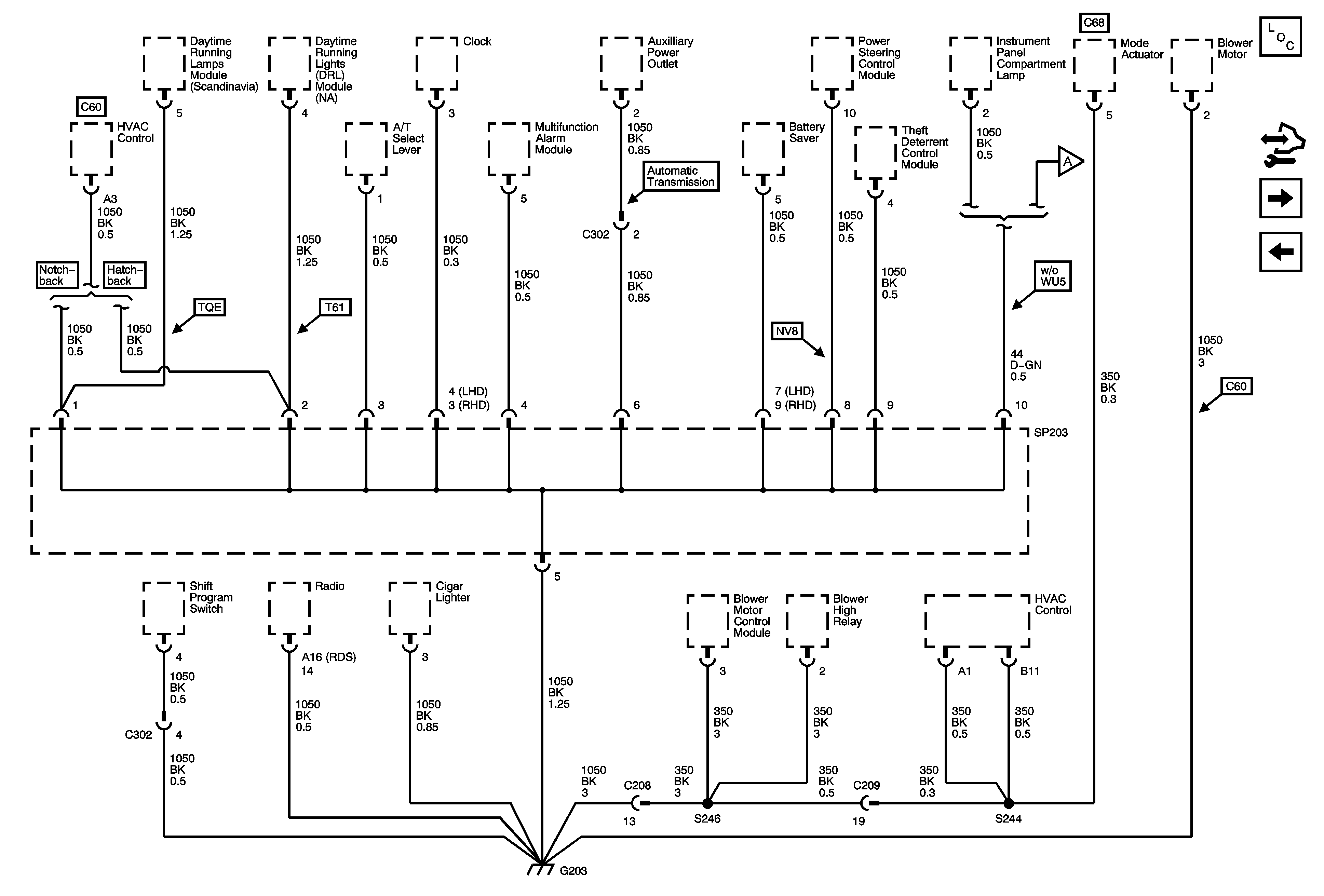
G203

G203


Object Number: 1708949  Size: FS
Master Electrical Component List
SP203
G201 (2 of 2)
SP203