GM Service Manual Online
For 1990-2009 cars only
Makes
🢒
Holden
🢒
2006
🢒
Viva
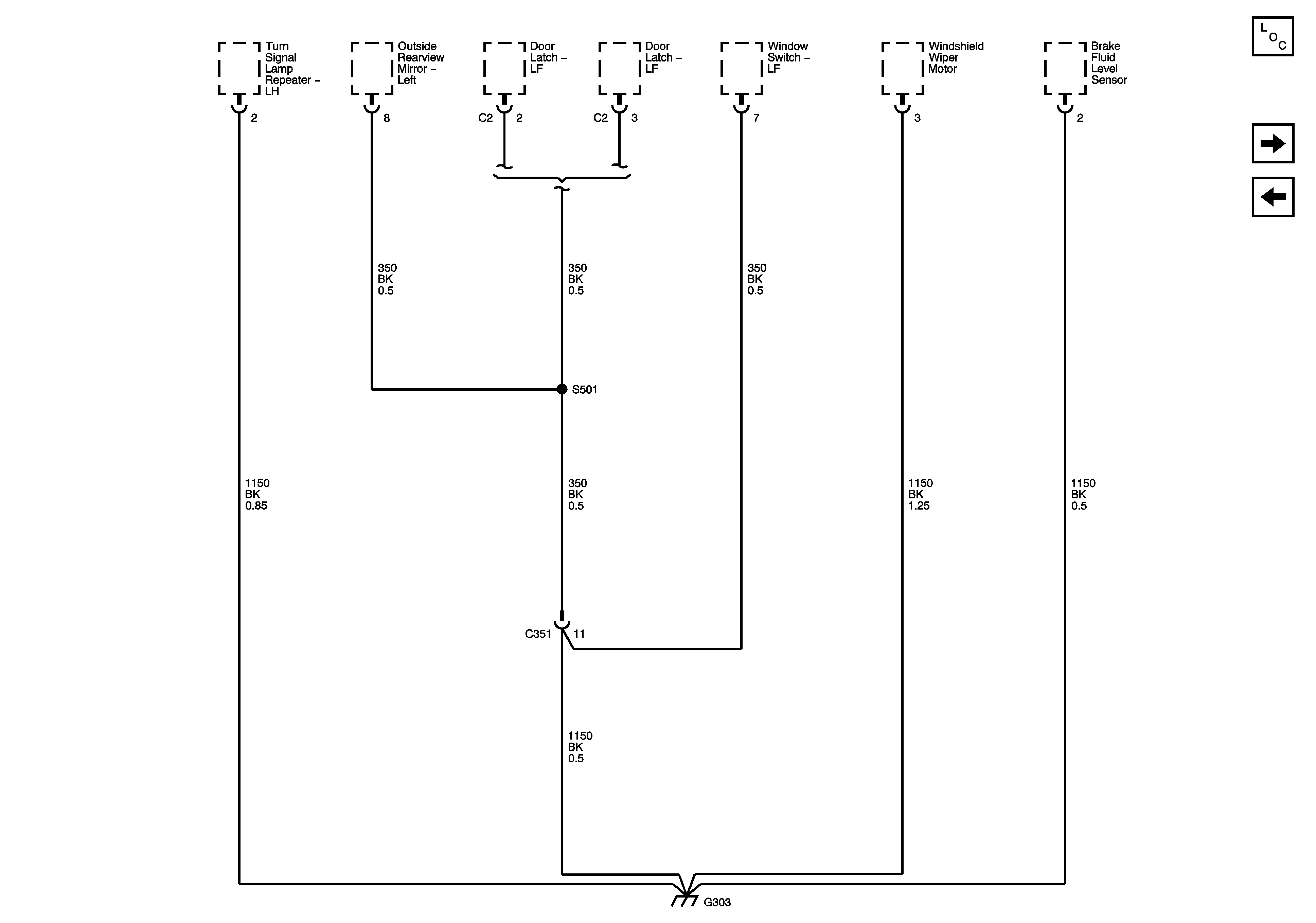
🢒 G303 Notchback RHD
G303 Notchback RHD
G303 - Notchback RHD
Master Electrical Component List
G401 Notchback
G402