GM Service Manual Online
For 1990-2009 cars only
Makes
🢒
Holden
🢒
2006
🢒
Viva
🢒 MR-140
MR-140
MR-140
Master Electrical Component List
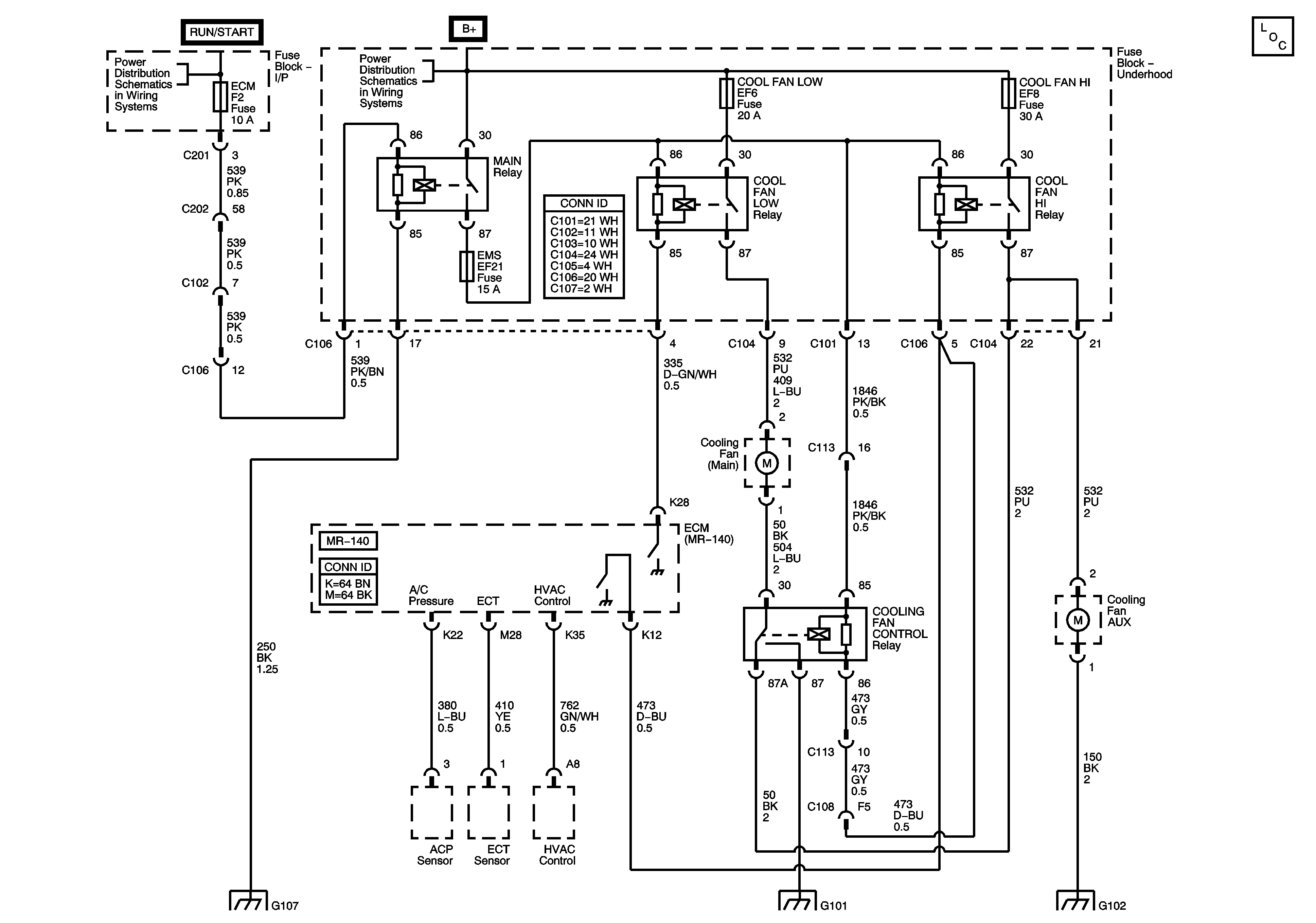
I/P Fuse Block ECM Fuse
Underhood Fuse Block COOL FAN LOW and COOL FAN HI Fuses
G201 (1 of 2)
G101
G102