GM Service Manual Online
For 1990-2009 cars only
Makes
🢒
Holden
🢒
2006
🢒
Viva
🢒 Manual Transmission Schematics - D16
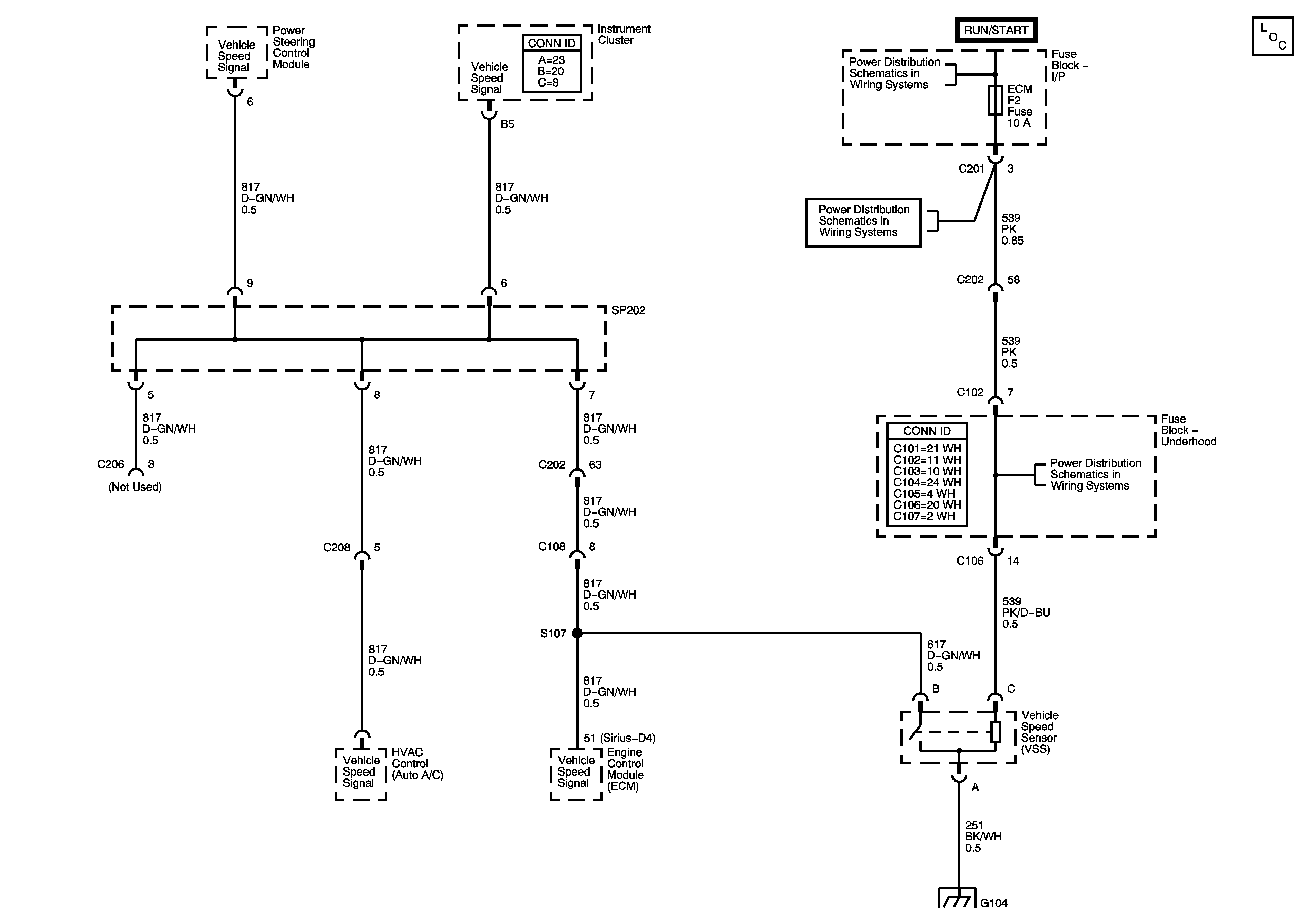
Manual Transmission Schematics - D16
Master Electrical Component List
I/P Fuse Block ECM Fuse
I/P Fuse Block ECM Fuse
I/P Fuse Block ECM Fuse
G106, G107