GM Service Manual Online
For 1990-2009 cars only
Makes
🢒
Holden
🢒
2006
🢒
Viva
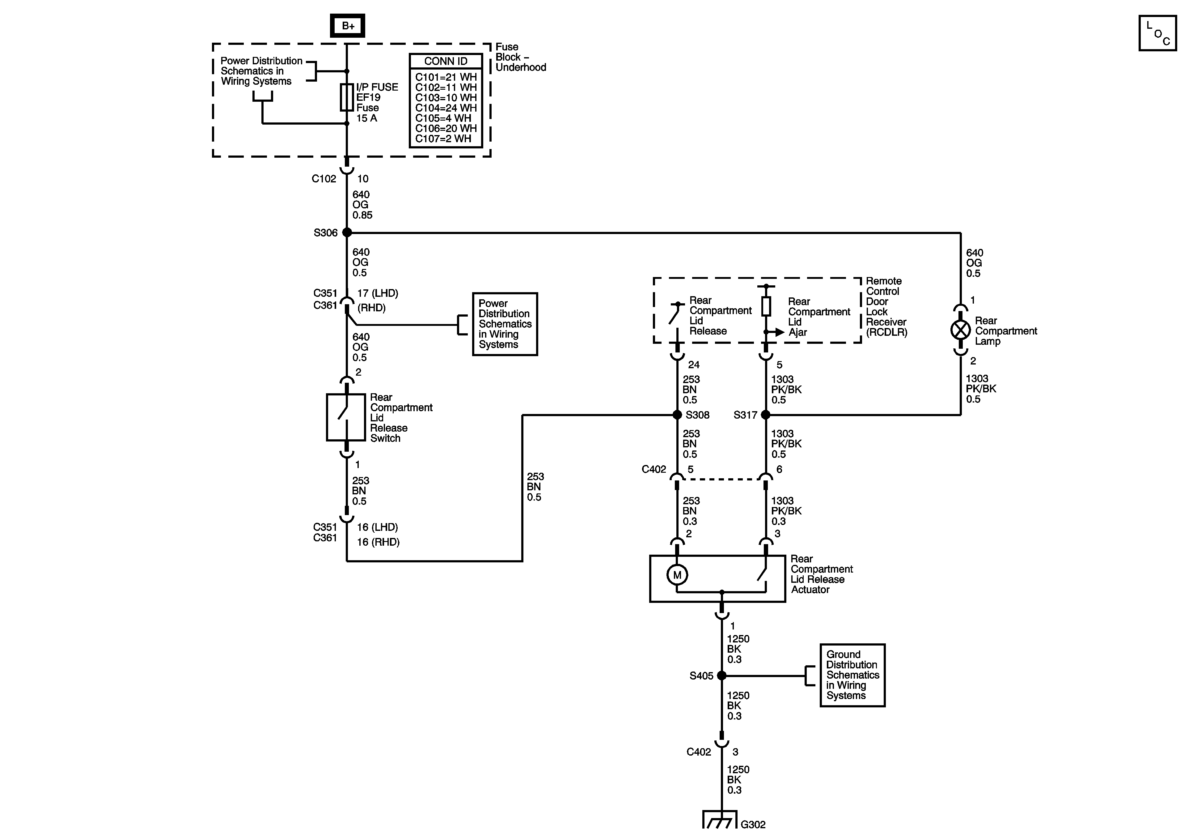
🢒 Body Rear End Schematics
Body Rear End Schematics
Master Electrical Component List
Underhood Fuse Block IP FUSE, DR/LOCK and STOP LAMP Fuses
Underhood Fuse Block IP FUSE, DR/LOCK and STOP LAMP Fuses
G303, G401
G303, G401