GM Service Manual Online
For 1990-2009 cars only
Makes
🢒
Holden
🢒
2006
🢒
Viva
🢒 Power Door Locks
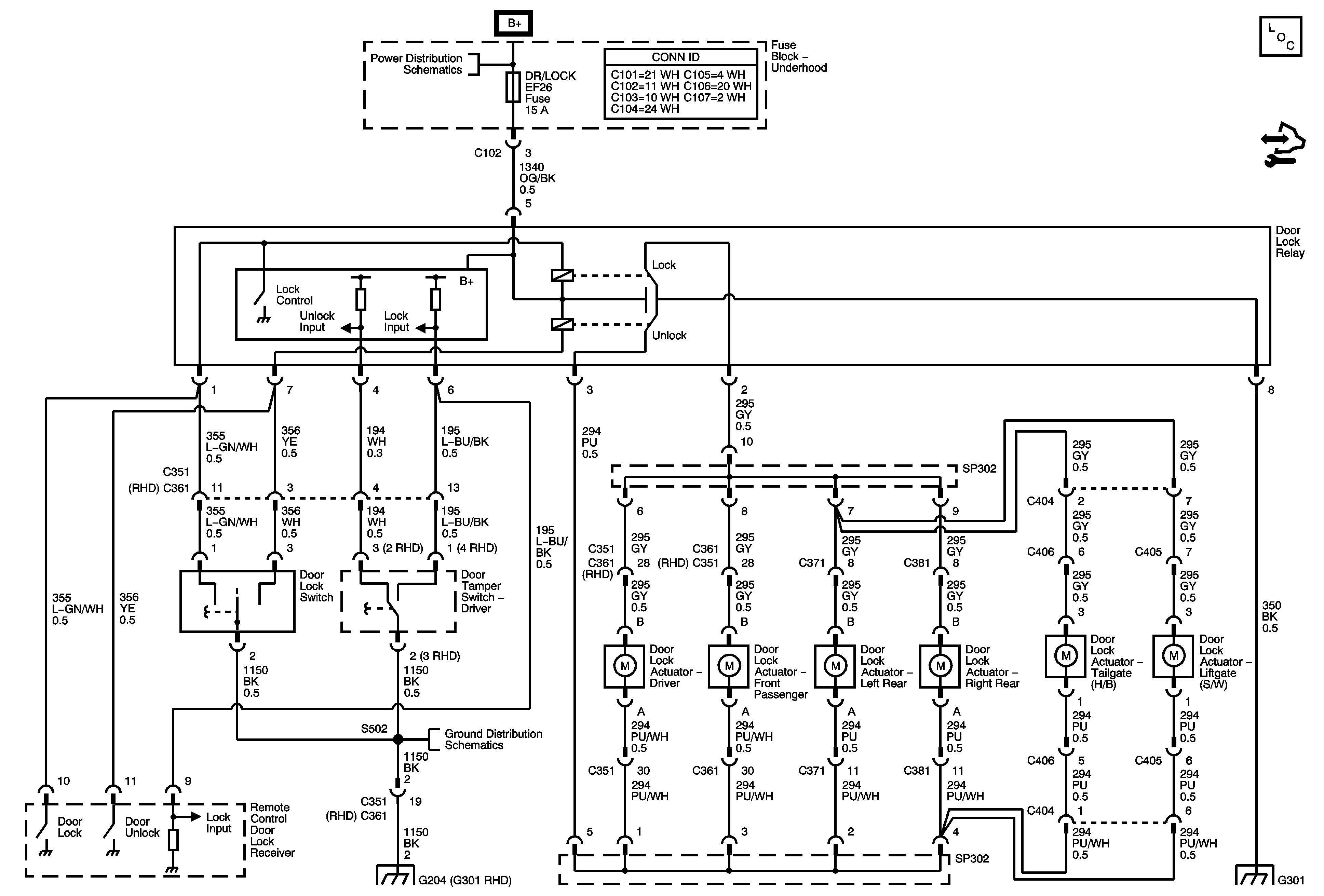
Power Door Locks
Master Electrical Component List
Underhood Fuse Block IP FUSE, DR/LOCK and STOP LAMP Fuses
G402
G303, G401
G205, G301
G302