GM Service Manual Online
For 1990-2009 cars only
Makes
🢒
Holden
🢒
2006
🢒
Viva
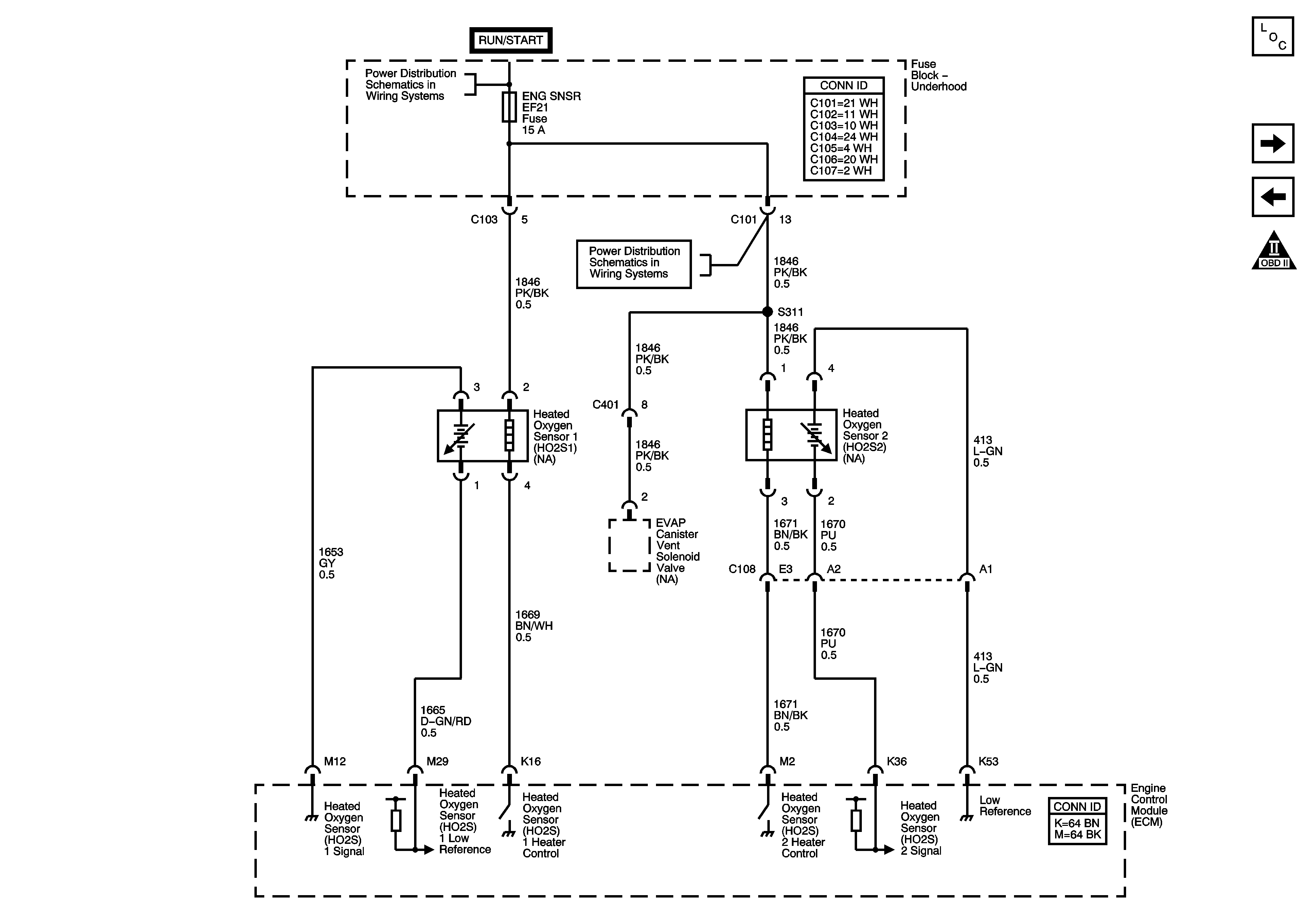
🢒 Oxygen Sensors
Oxygen Sensors
Oxygen Sensors (O2S)
Master Electrical Component List
CKP, CMP, Knock, Rough Road Sensors
Engine Data Sensors Pressure and Temperature
OBD II Symbol Description Notice
Underhood Fuse Block MAIN Relay and ECM, ENG SNSR, and INJ Fuses MR-140
Underhood Fuse Block MAIN Relay and ECM, ENG SNSR, and INJ Fuses MR-140