GM Service Manual Online
For 1990-2009 cars only
Makes
🢒
Holden
🢒
2006
🢒
Viva
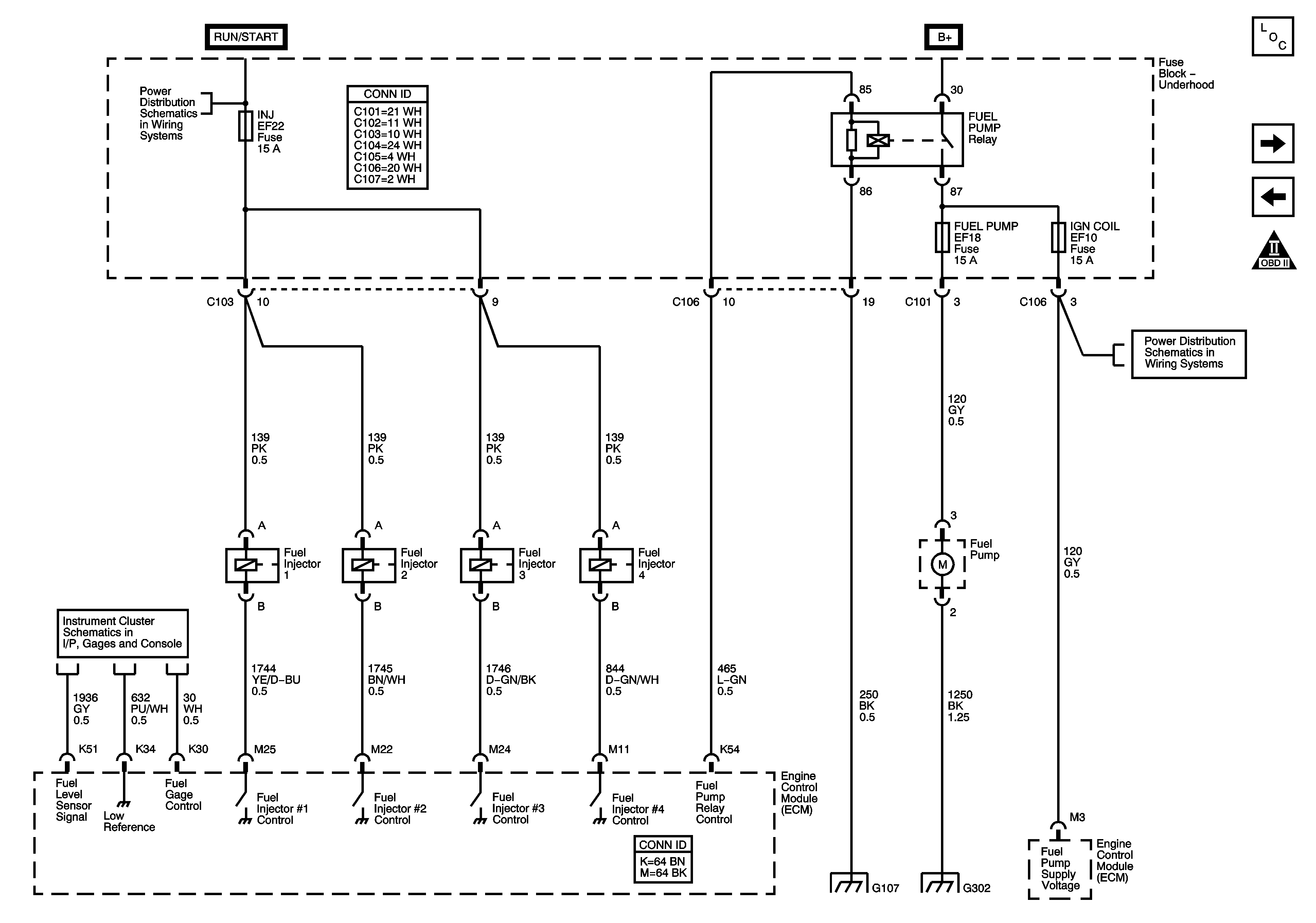
🢒 Fuel Pump and Fuel Injectors
Fuel Pump and Fuel Injectors
Fuel Pump and Fuel Injectors
Master Electrical Component List
Fuel Controls EVAP Controls
Ignition System
OBD II Symbol Description Notice
Underhood Fuse Block MAIN Relay and ECM, ENG SNSR, and INJ Fuses MR-140
Underhood Fuse Block FUEL PUMP Relay and FUEL PUMP and IGN COIL Fuses
Power, Ground and Gages 1.8L/2.0L
G201 (1 of 2)
G303, G401