GM Service Manual Online
For 1990-2009 cars only
Makes
🢒
Holden
🢒
2007
🢒
Viva
🢒
Body Systems
🢒
Lighting
🢒 Interior Lights Dimming Schematics
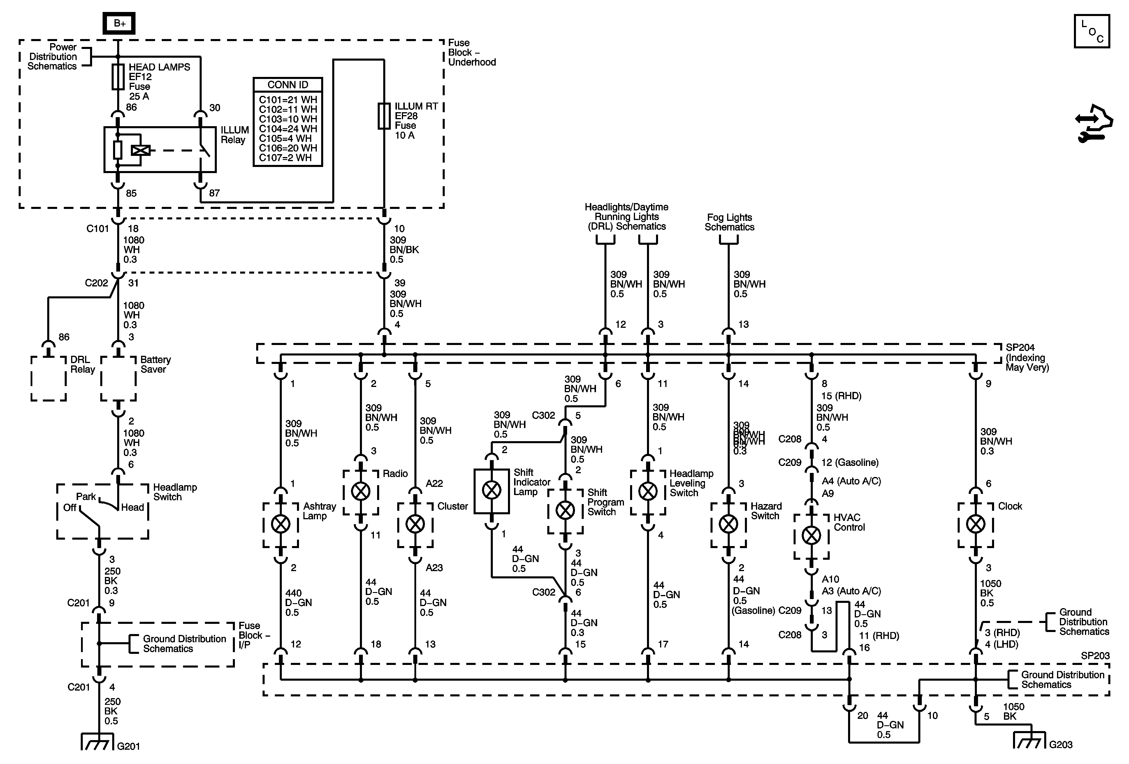
Figure
1:
I/P Illumination - w/Dimming
Master Electrical Component List
Control Module References
Underhood Fuse Block - Battery Feeds - 1of 2
Headlamps - w/o Daytime Running Lamps
Front Fog Lamps
G201 (1 of 2)
G101
G101
G203
Figure
2:
I/P Illumination - w/o Dimming
Master Electrical Component List
Control Module References
Underhood Fuse Block - Battery Feeds - 1of 2
Headlamps - w/o Daytime Running Lamps
Front Fog Lamps
G101
G201 (1 of 2)
G101
G101
G203