GM Service Manual Online
For 1990-2009 cars only
Makes
🢒
Holden
🢒
2007
🢒
Viva
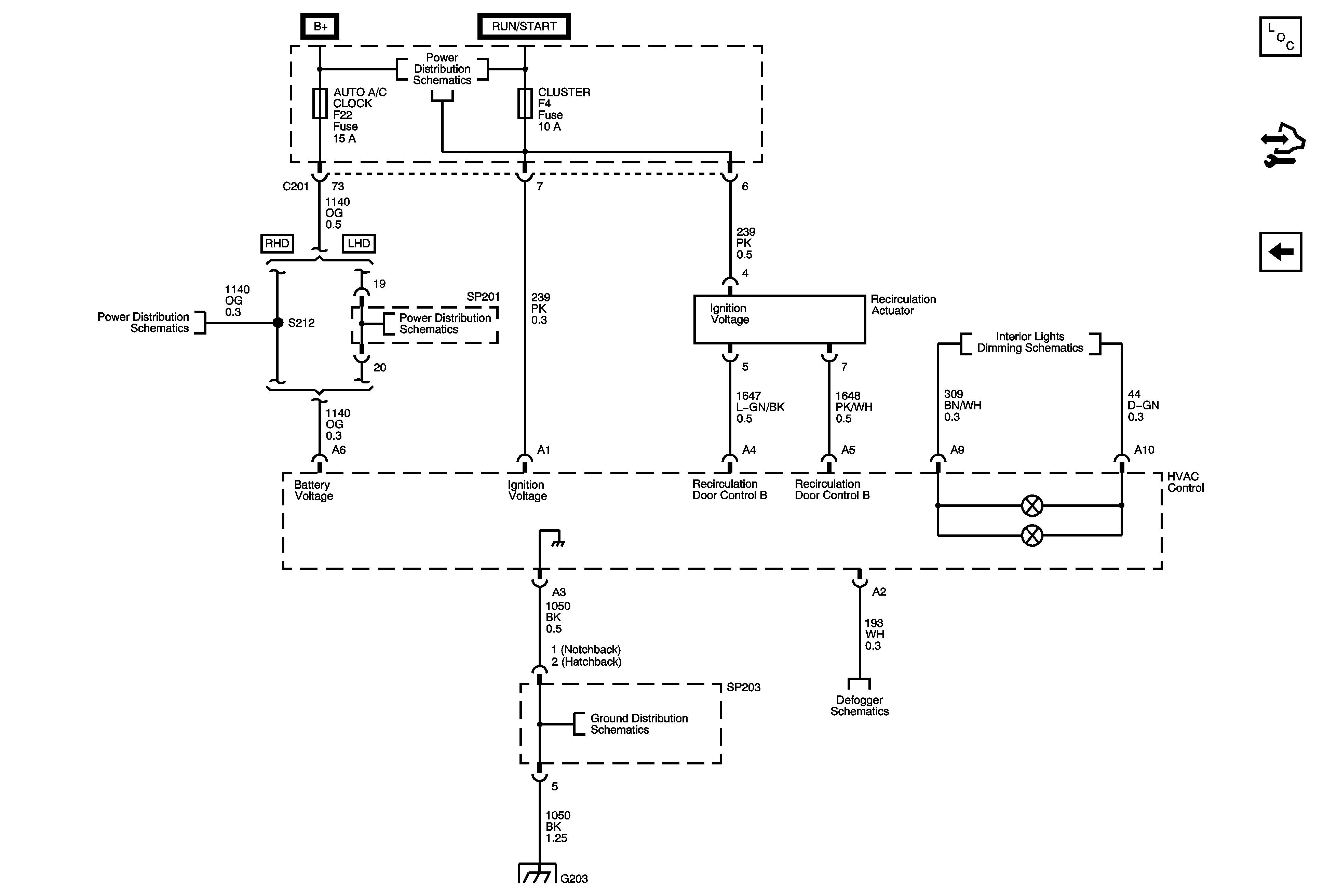
🢒 Temperature Controls/Air Delivery
Temperature Controls/Air Delivery
Temperature Controls/Air Delivery
Master Electrical Component List
Control Module References
Compressor Controls - Diesel
Underhood Fuse Block - Battery Feeds - 1of 2
Underhood Fuse Block - Battery Feeds - 1of 2
Underhood Fuse Block - Battery Feeds - 1of 2
Interior Lights Schematics
G101
G203
Defogger Schematics