GM Service Manual Online
For 1990-2009 cars only
Makes
🢒
Holden
🢒
2007
🢒
Viva
🢒 Blower Controls
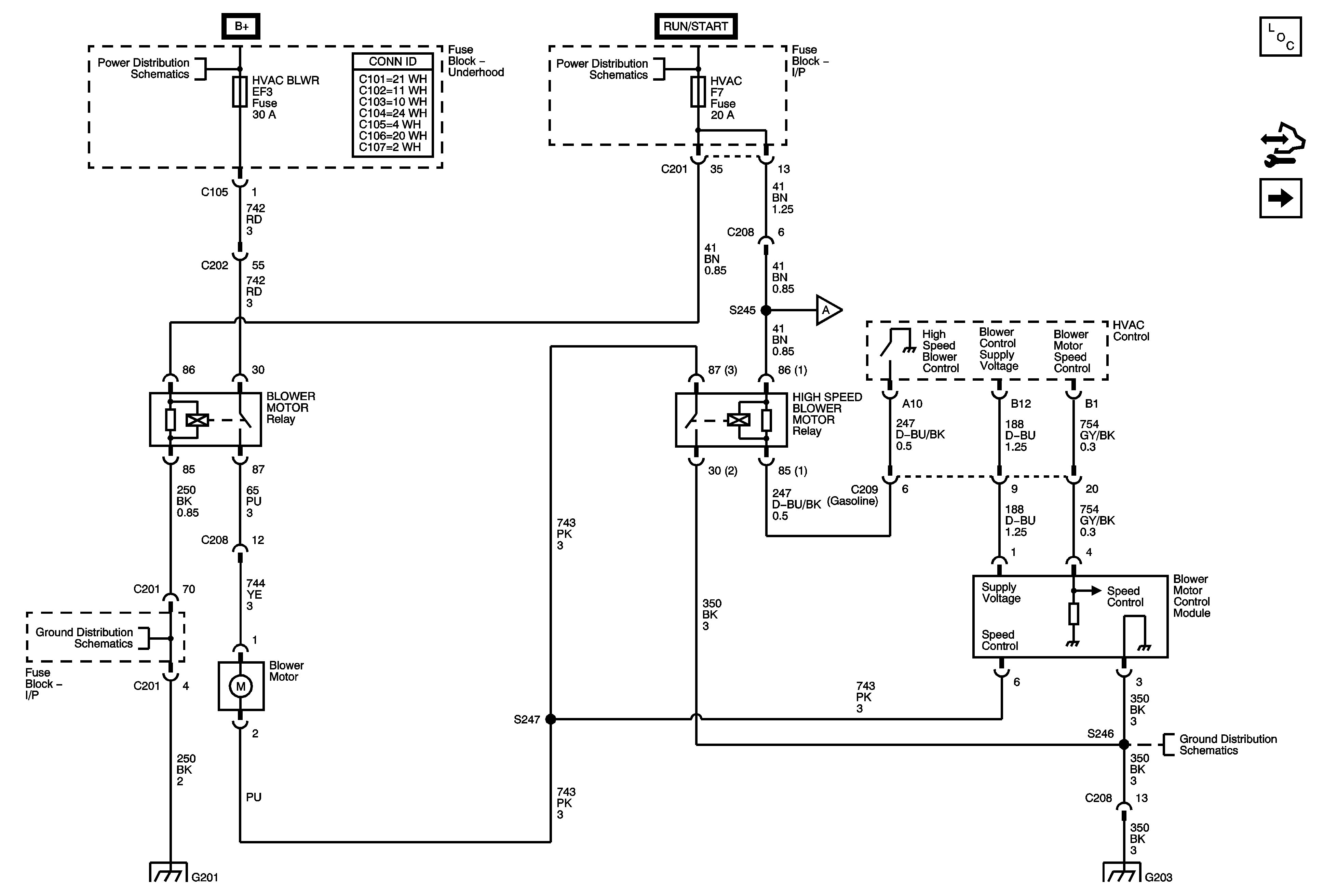
Blower Controls
Blower Controls
Master Electrical Component List
Compressor Controls Sirius D4
Underhood Fuse Block - Battery Feeds - 1of 2
Underhood Fuse Block - Battery Feeds - 1of 2
Air Delivery and Temperature Controls
G101
G101
G201 (1 of 2)
G203