GM Service Manual Online
For 1990-2009 cars only
Makes
🢒
Holden
🢒
2007
🢒
Viva
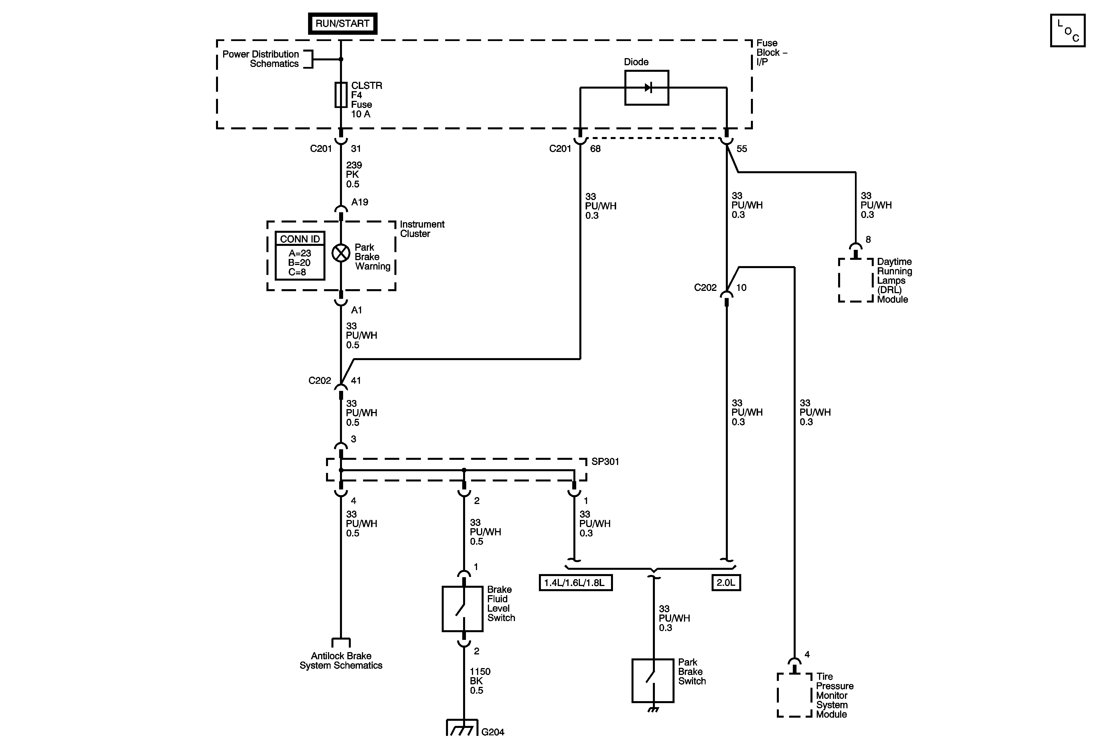
🢒 Brake WarningSystem Schematics
Brake WarningSystem Schematics
Master Electrical Component List
Underhood Fuse Block - Battery Feeds - 1of 2
Power, Ground, Wheel Speed Sensor
G202, G204