GM Service Manual Online
For 1990-2009 cars only
Makes
🢒
Holden
🢒
2007
🢒
Viva
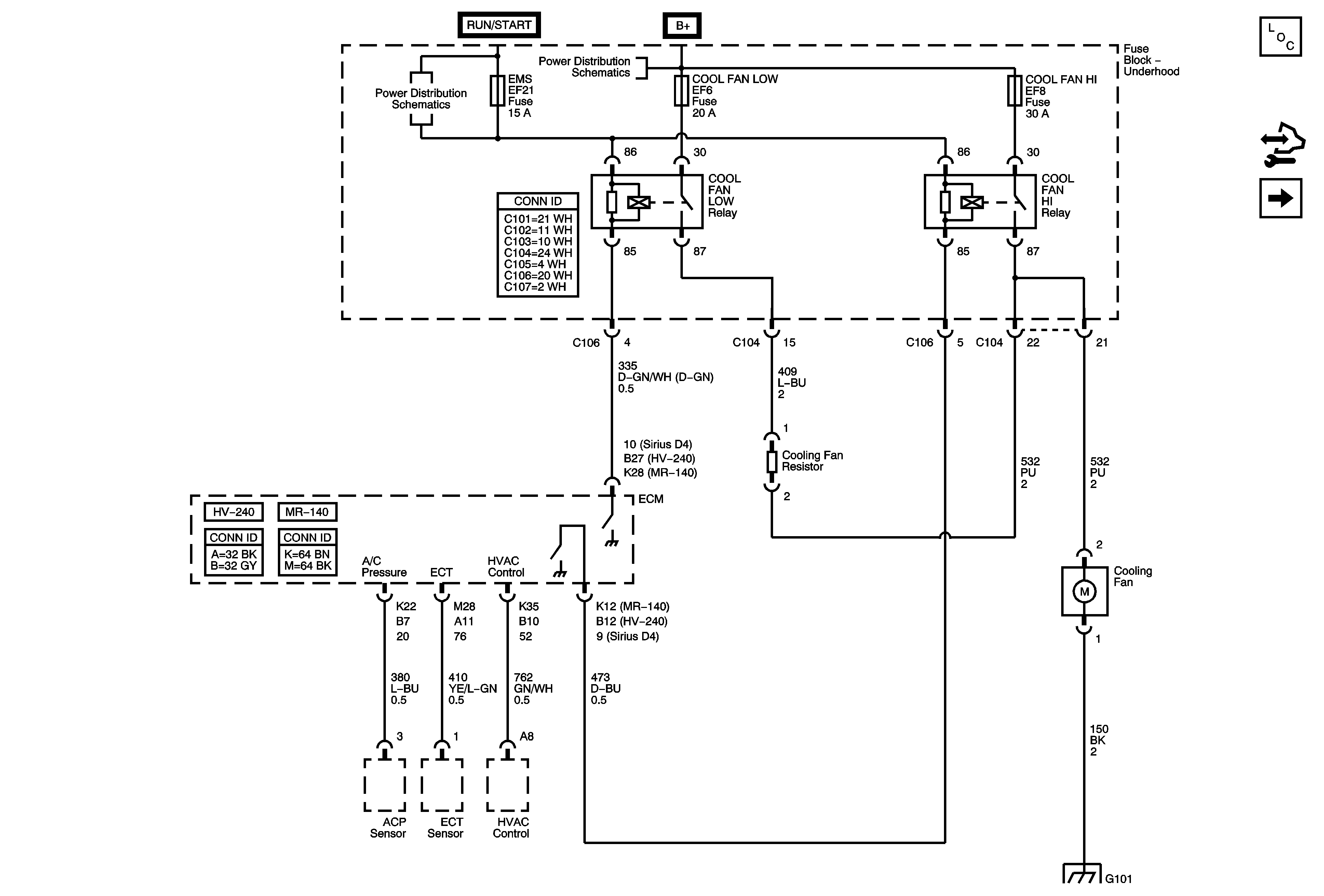
🢒 Single Fan
Single Fan
Single Fan
Master Electrical Component List
Control Module References
Diesel
Underhood Fuse Block - Battery Feeds - 1of 2
Underhood Fuse Block - Battery Feeds - 1of 2
G101