GM Service Manual Online
For 1990-2009 cars only
Makes
🢒
Holden
🢒
2007
🢒
Viva
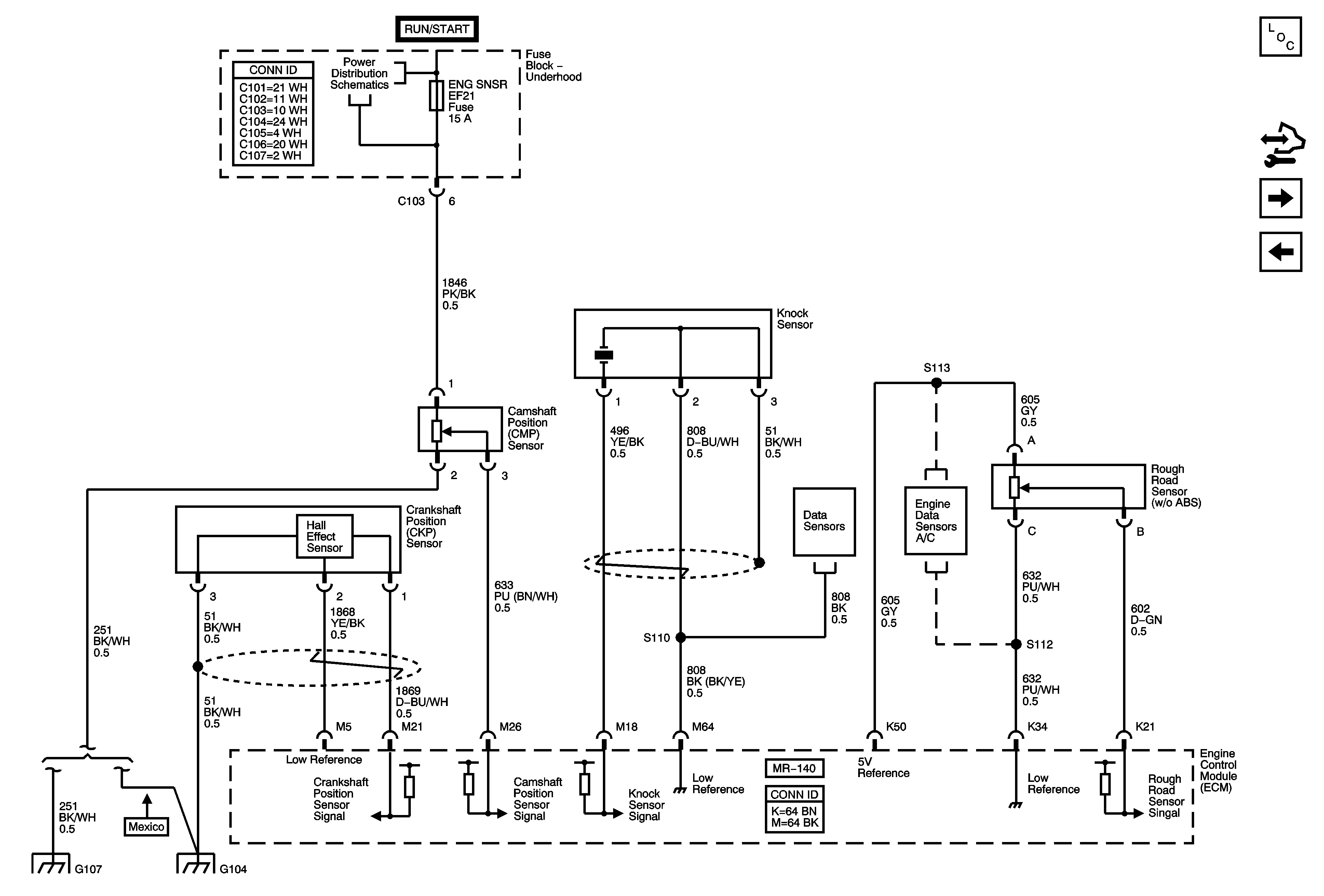
🢒 CKP, CMP, Knock, Rough Road Sensors
CKP, CMP, Knock, Rough Road Sensors
CKP, CMP, Knock, Rough Road Sensors
Master Electrical Component List
Control Module References
Fuel Pump and Fuel Injectors
Ignition System
Underhood Fuse Block - Battery Feeds - 1of 2
Engine Data Sensors Pressure and Temperature
Engine Data Sensors Pressure and Temperature
G106, G107
G104