GM Service Manual Online
For 1990-2009 cars only
Makes
🢒
Holden
🢒
2007
🢒
Viva
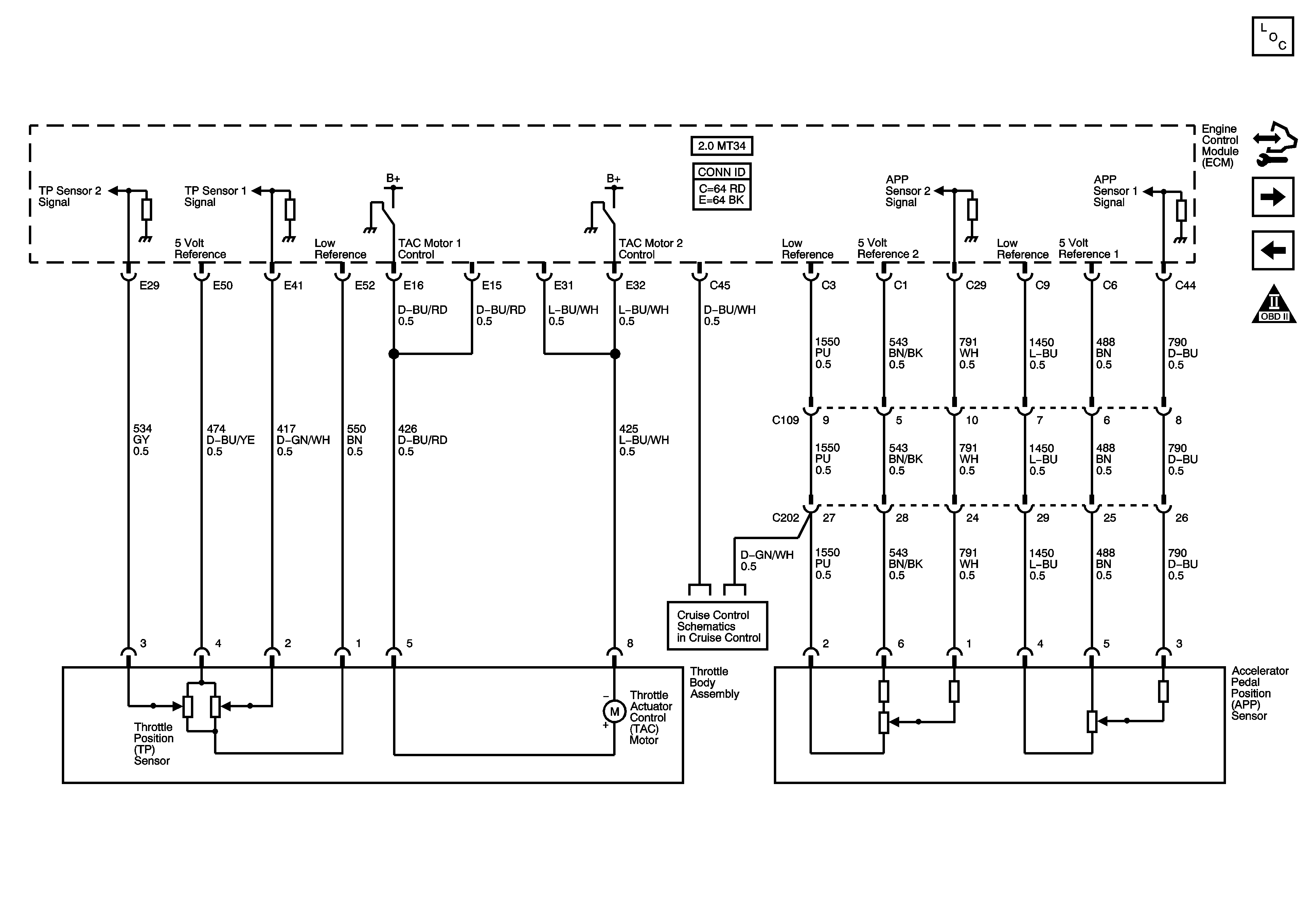
🢒 Acceleration Pedal Position (APP), TP Sensorsl, Throttle Actuator Control Motor
Acceleration Pedal Position (APP), TP Sensorsl, Throttle Actuator Control Motor
Accelerator Pedal Position (APP), TP Sensors, Throttle Actuator Control Motor
Master Electrical Component List
Control Module References
Ignition Coil
Module Power, Ground, Serial Data, Malfunction Indicator Lamp (MIL)
Manual Transmission