GM Service Manual Online
For 1990-2009 cars only
Makes
🢒
Holden
🢒
2007
🢒
Viva
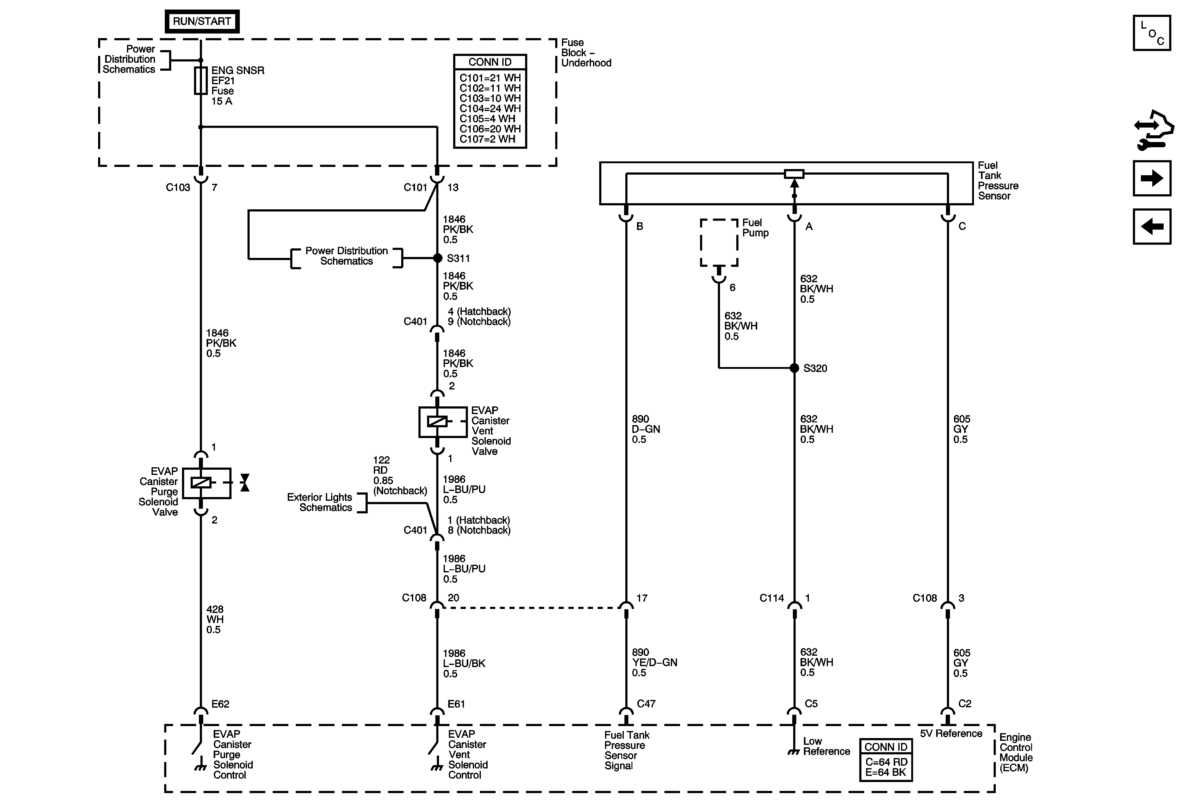
🢒 EVAP Solenoids, FTP Sensor
EVAP Solenoids, FTP Sensor
EVAP Solenoids, FTP Sensor
Master Electrical Component List
Control Module References
Heated Oxygen Sensors
Ignition Coil
Underhood Fuse Block - Battery Feeds - 1of 2
Underhood Fuse Block - Battery Feeds - 1of 2
Park Lamps and License Plate Lamps