GM Service Manual Online
For 1990-2009 cars only
Makes
🢒
Holden
🢒
2007
🢒
Viva
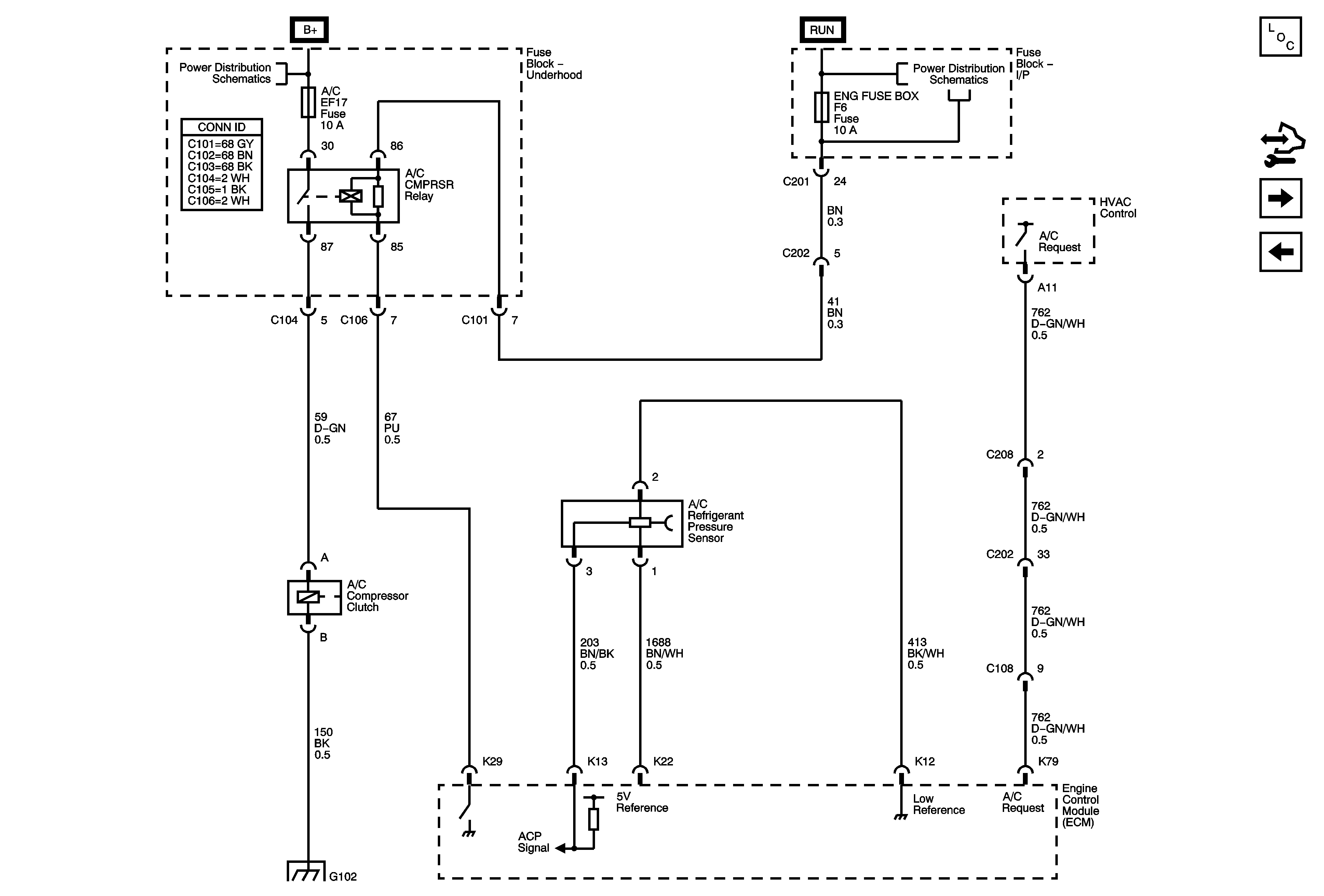
🢒 Compressor Controls - Diesel
Compressor Controls - Diesel
Compressor Controls - Diesel
Master Electrical Component List
Control Module References
Air Delivery and Temperature Controls
Compressor Controls HV-240
Underhood Fuse Block - Battery Feeds - 1of 2
Underhood Fuse Block - Battery Feeds - 1of 2
G102