GM Service Manual Online
For 1990-2009 cars only
Makes
🢒
Holden
🢒
2007
🢒
Viva
🢒 Stop Lamps - Station Wagon
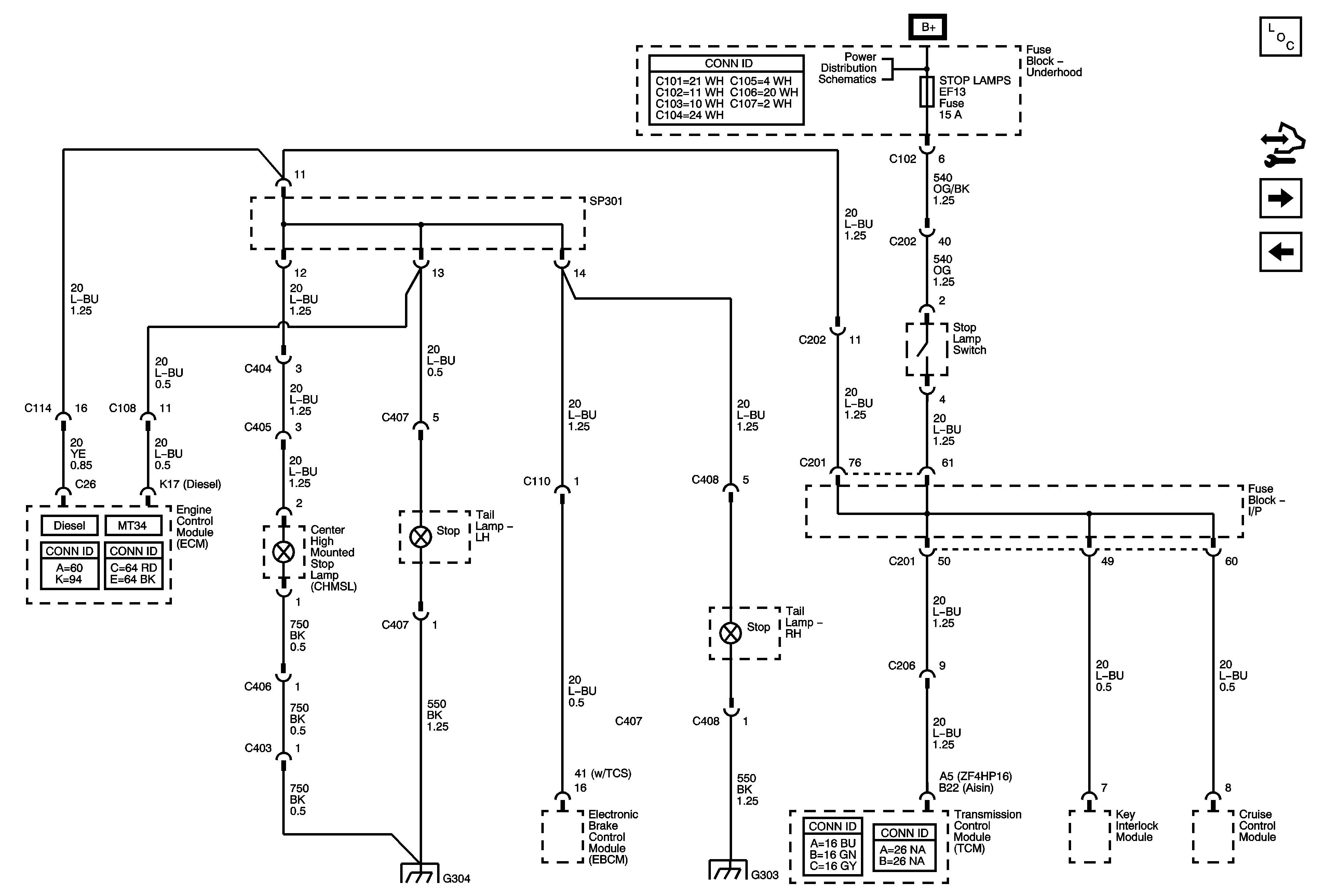
Stop Lamps - Station Wagon
Stop Lamps - Station Wagon
Master Electrical Component List
Control Module References
Battery Saver
Stop Lamps - Hatchback
Underhood Fuse Block - Battery Feeds - 1of 2
G304
G303, G401