GM Service Manual Online
For 1990-2009 cars only
Makes
🢒
Holden
🢒
2007
🢒
Viva
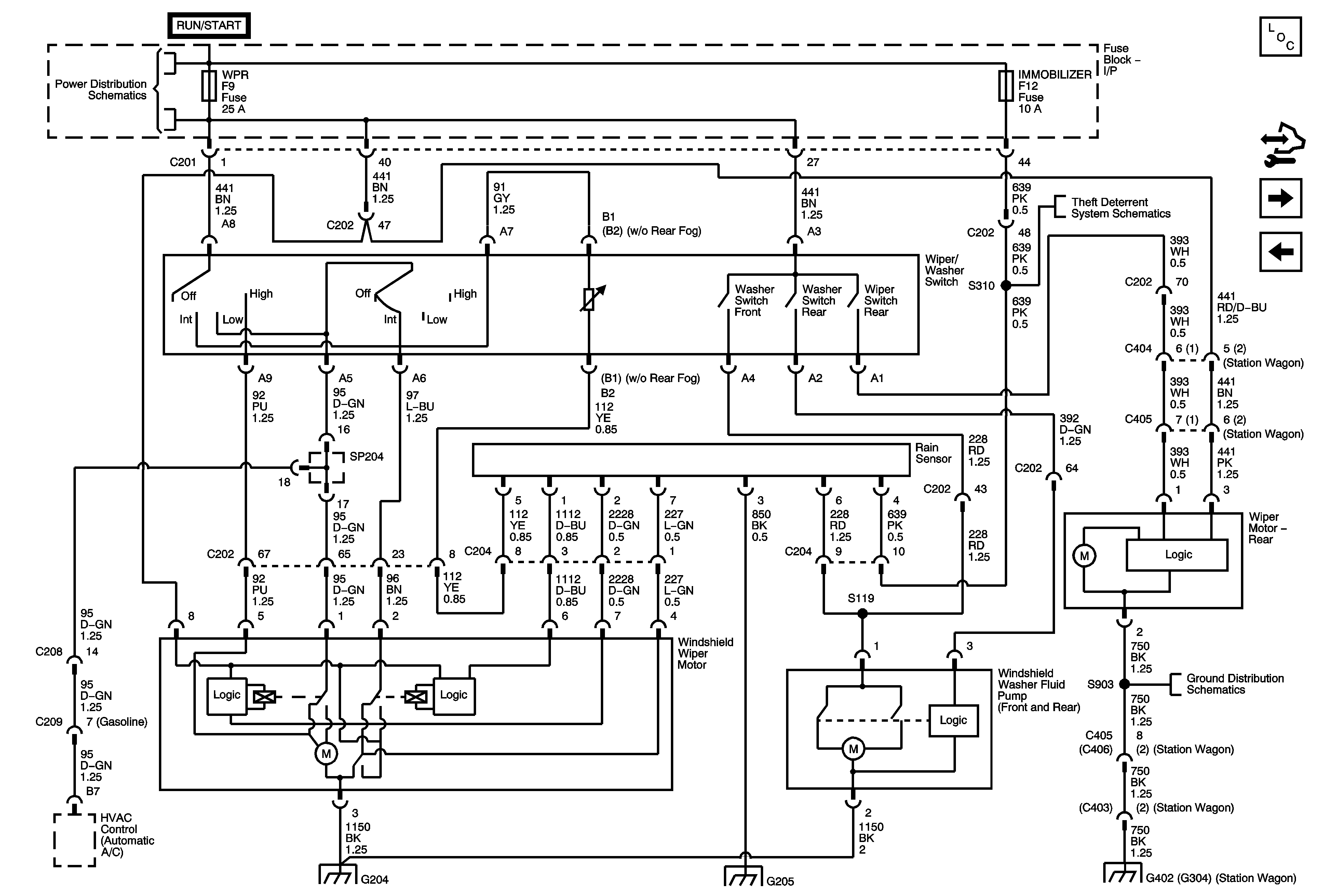
🢒 Wiper System - Hatchback and Station Wagon w/Rain Sensor
Wiper System - Hatchback and Station Wagon w/Rain Sensor
Wiper System - Hatchback and Station Wagon w/Rain Sensor
Master Electrical Component List
Control Module References
Wiper System - Hatchback and Station Wagon w/Intermittent and Rain Sensor
Wiper System Notchback w/Rain Sensor
Underhood Fuse Block - Battery Feeds - 1of 2
Remote Function/Theft Deterrent Schematics
G101
G202, G204
G205, G301
G304
G402