GM Service Manual Online
For 1990-2009 cars only
Makes
🢒
Holden
🢒
2007
🢒
Viva
🢒 Data Communications Schematics
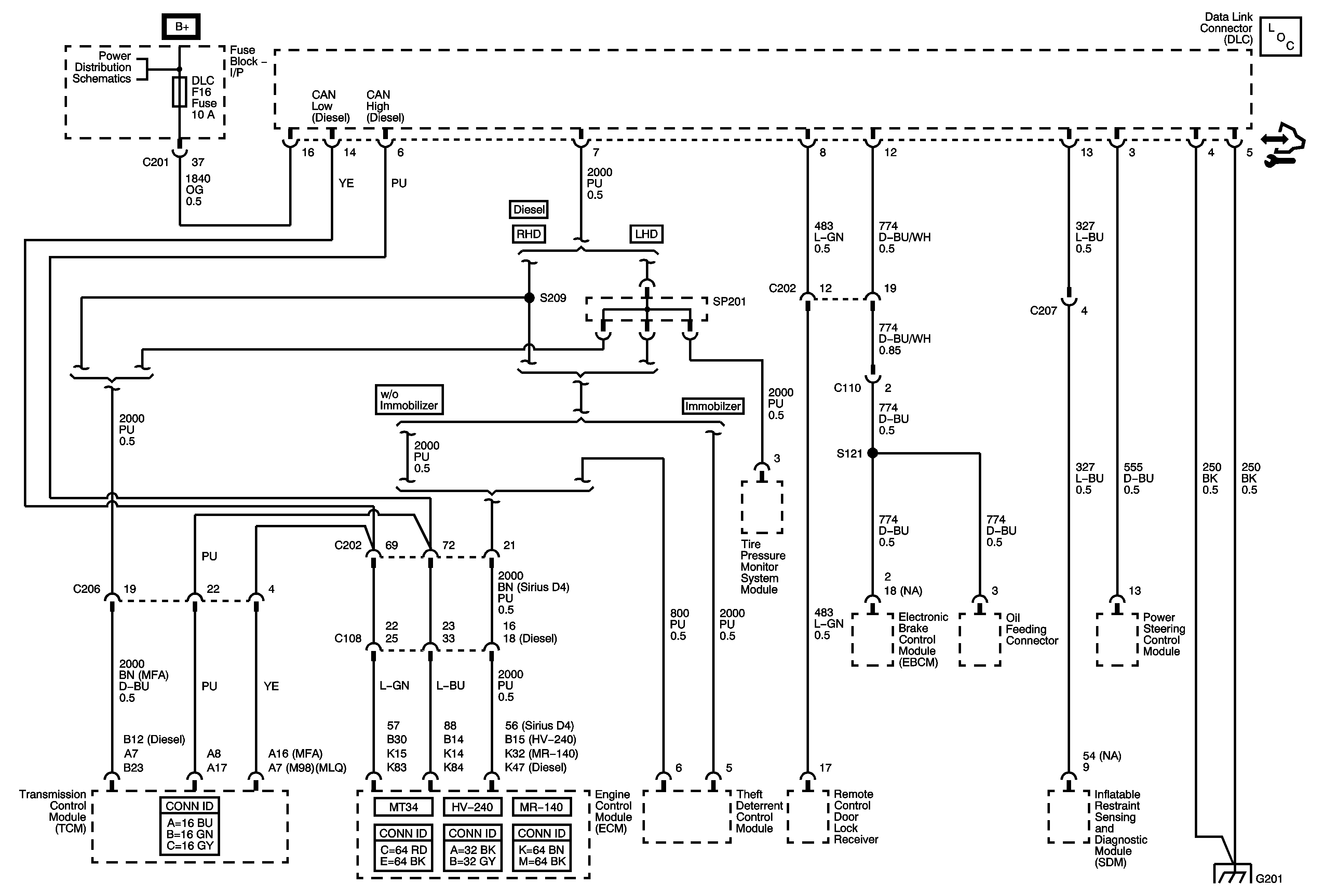
Data Communications Schematics
Master Electrical Component List
Control Module References
Underhood Fuse Block - Battery Feeds - 1of 2
G201 (1 of 2)