GM Service Manual Online
For 1990-2009 cars only

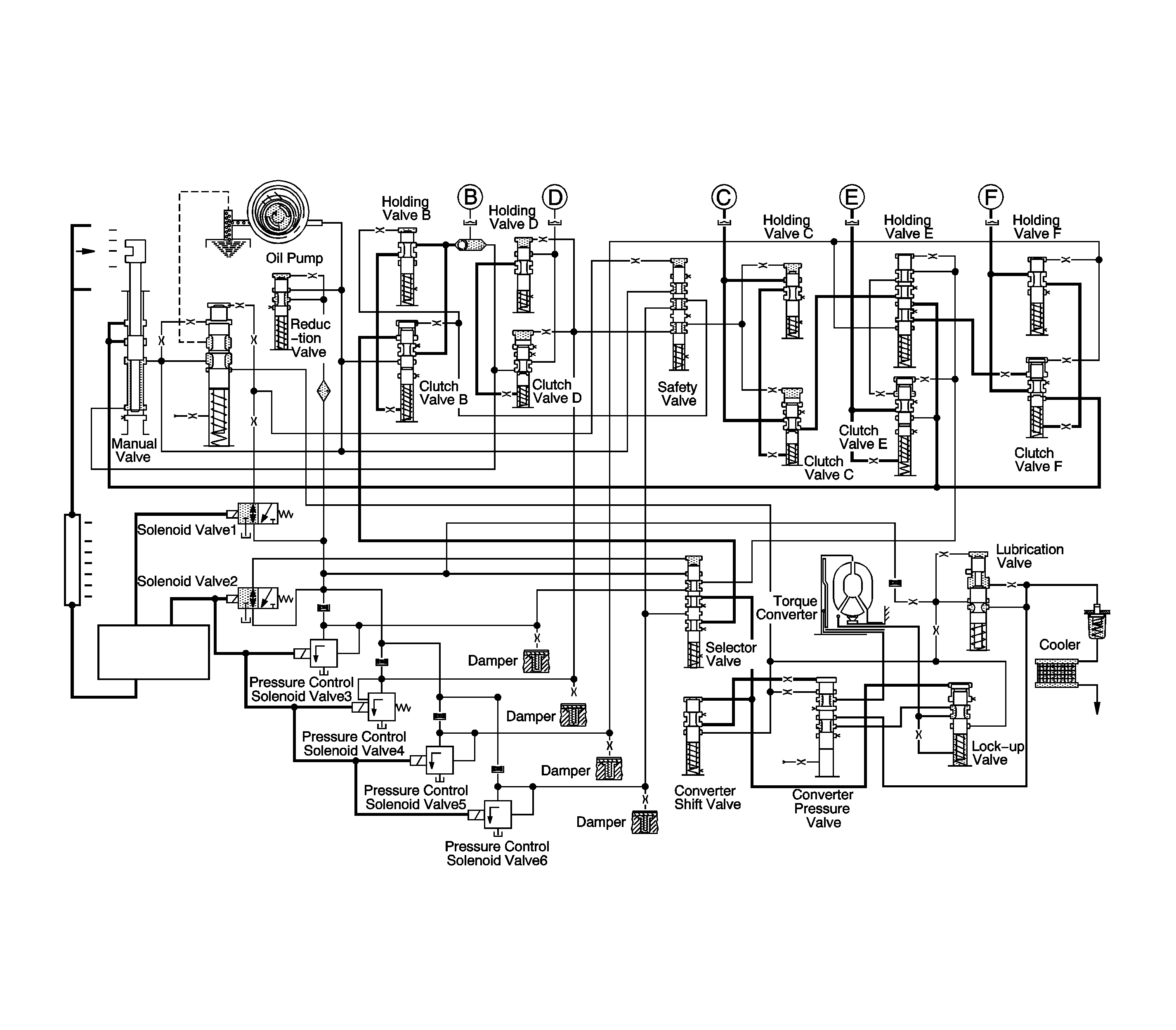
In Reverse, the transaxle drive is through the input shaft and clutch B. The elements of this transaxle operation are as follows:

  1. Clutch B is engaged and drives the reverse sun gear in a clockwise direction.
  2. The D band is engaged and holds the planetary gear carrier stationary, causing the differential pinion to rotate clockwise.
  3. The differential rotates in a counterclockwise direction.
  4. The output shaft is driven in a counterclockwise, or reverse, direction.

Clutch B Engaged

The line pressure, which is supplied by the oil pump, is directed to clutch B through the manual valve. The position of the check ball changes, allowing direct pressure to clutch B.

Brake D Engaged

The line pressure which engaged clutch B is also supplied to clutch valve D.

In Reverse, solenoid 1 is switched ON and pressure control solenoid valve 4 is switched OFF. This causes the fluid to the reduction valve to flow to clutch valve D through solenoid valve 4.

The spool of clutch valve D is depressed, allowing fluid to pass to holding valve D.

Lock-up Clutch (TCC)

Solenoid 2 is turned ON and the spool to the line pressure control valve is depressed. Fluid now flows through the torque converter pressure valve.

As a result the oil pressure behind the converter lock-up clutch piston equals the pressure in the turbine zone. Oil flows through the turbine shaft and through the space behind the piston to the turbine chamber.

Lubrication/Cooling

The lubricating valve ensures that the converter is supplied with cooling oil first if the pump rate is low. The lubricating pressure valve also guarantees that the necessary amount of cooling and lubricating oil is available through the bypass duct.

The fluid which is supplied from the torque converter flows to the cooler through the lubrication valve.

Reverse


Object Number: 1255897  Size: FS