GM Service Manual Online
For 1990-2009 cars only

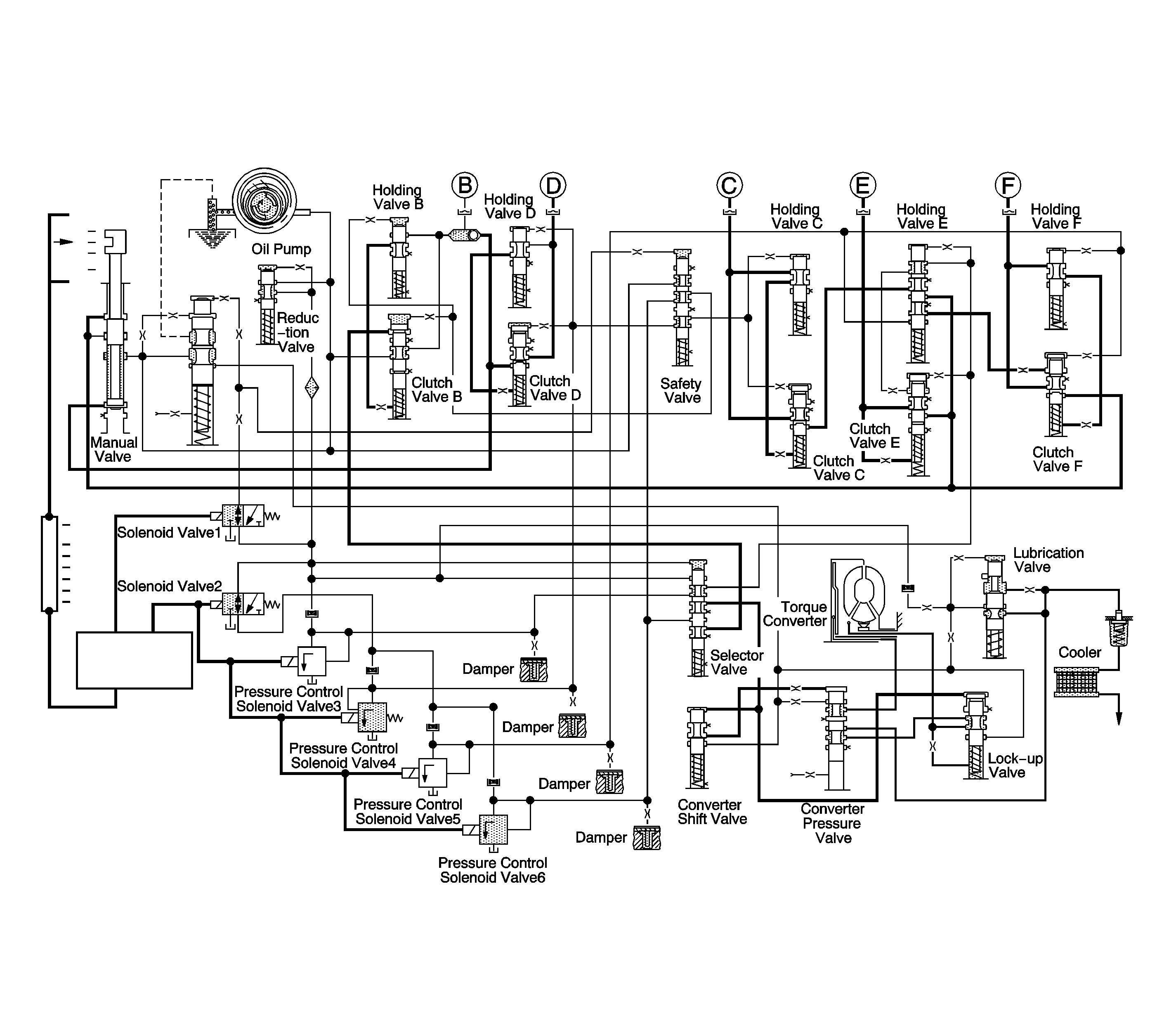
In Park or Neutral with the engine running, the planetary gear set is not engaged. The oil pump supplies line pressure to the valve body. Only clutch B is supplied and the torque converter is released.

Line Pressure Control Valve

The line pressure control valve sets the general pressure level in the valve body. When the gearshifts are not taking place, the line pressure varies between 2 levels, depending on the turbine torque. The line pressure increases steadily over time, but only to the limit point. When pressure reaches that point, excess oil drains back into the oil sump.

Reduction Valve

The reduction valve reduces the line pressure to the downstream solenoid valves and the pressure control solenoid valves. This makes it possible to use smaller solenoid valves.

The line pressure comes from the oil pump and flows to the reduction valve. The inlet port to the reduction valve is blocked and the line pressure is maintained at the appropriate level.

Solenoid Valve 1 and 2

Solenoid valve 1 controls the line pressure to the clutch valves. Solenoid valve 1 is either ON or OFF. When the solenoid is turned ON, the line pressure is low. When the solenoid is turned OFF, the line pressure is high. Refer to Line Pressure .

Solenoid 2 controls the fluid flow to the clutch valve E or to the torque converter clutch (TCC) valve. When solenoid 2 is ON, fluid is directed to the TCC pressure valve. If the solenoid is switched OFF, fluid will flow to the inlet at clutch valve E.

The TCM monitors numerous inputs to determine the appropriate solenoid state combination and the appropriate transaxle gear for the vehicle operating conditions.

In Park and Neutral, solenoid valve 1 is ON. The line pressure flows to the safety valve and to the line pressure control valve by means of the solenoid valve.

Clutch B Engaged.

In Park and Neutral, solenoid valves 1 and 2 are both ON. Pressure control solenoids 4 and 6 are also turned ON.

When solenoid 6 is ON, the fluid from the reduction valve flows to the safety valve, clutch valve B, and the holding valve B. The oil that is supplied to the inlet port of the clutch valve presses on the valve spool. Line pressure then flows to the holding valve and the check ball, engaging clutch B.

Lock-Up Clutch (TCC)

Solenoid 2 is turned ON and the spool to the line pressure control valve is depressed. Fluid now flows through the torque converter pressure valve.

As a result the oil pressure behind the converter lock-up clutch piston equals the pressure in the turbine zone. Oil flows through the turbine shaft and through the space behind the piston to the turbine chamber.

Lubrication/Cooling

The lubricating valve ensures that the converter is supplied with cooling oil first if the pump rate is low. The lubricating pressure valve also guarantees that the necessary amount of cooling and lubricating oil is available through the bypass duct.

The fluid which is supplied from the torque converter flows to the cooler through the lubrication valve.

Park or Neutral - Engine Running


Object Number: 1255896  Size: FS