GM Service Manual Online
For 1990-2009 cars only
Makes
🢒
Holden
🢒
2008
🢒
Viva
🢒 Diesel
Diesel
Diesel
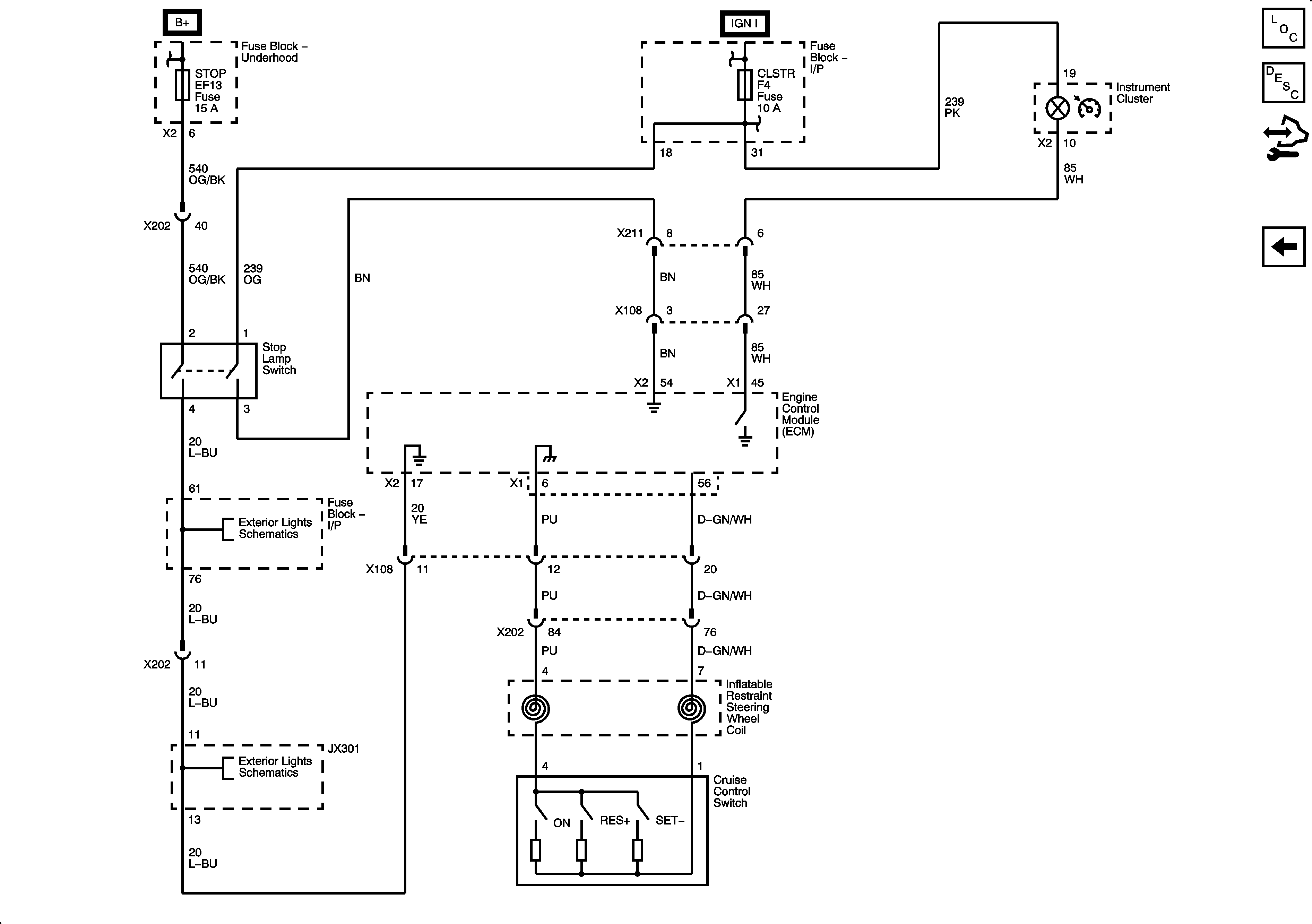
Master Electrical Component List
Control Module References
with Throttle Actuator Control
Fuse Block - Underhood B+ Bus, 1 of 3
Fuse Block - Underhood B+ Bus, 1 of 3
Park Lamps and License Plate Lamps
Park Lamps and License Plate Lamps