GM Service Manual Online
For 1990-2009 cars only
Makes
🢒
Holden
🢒
2008
🢒
Viva
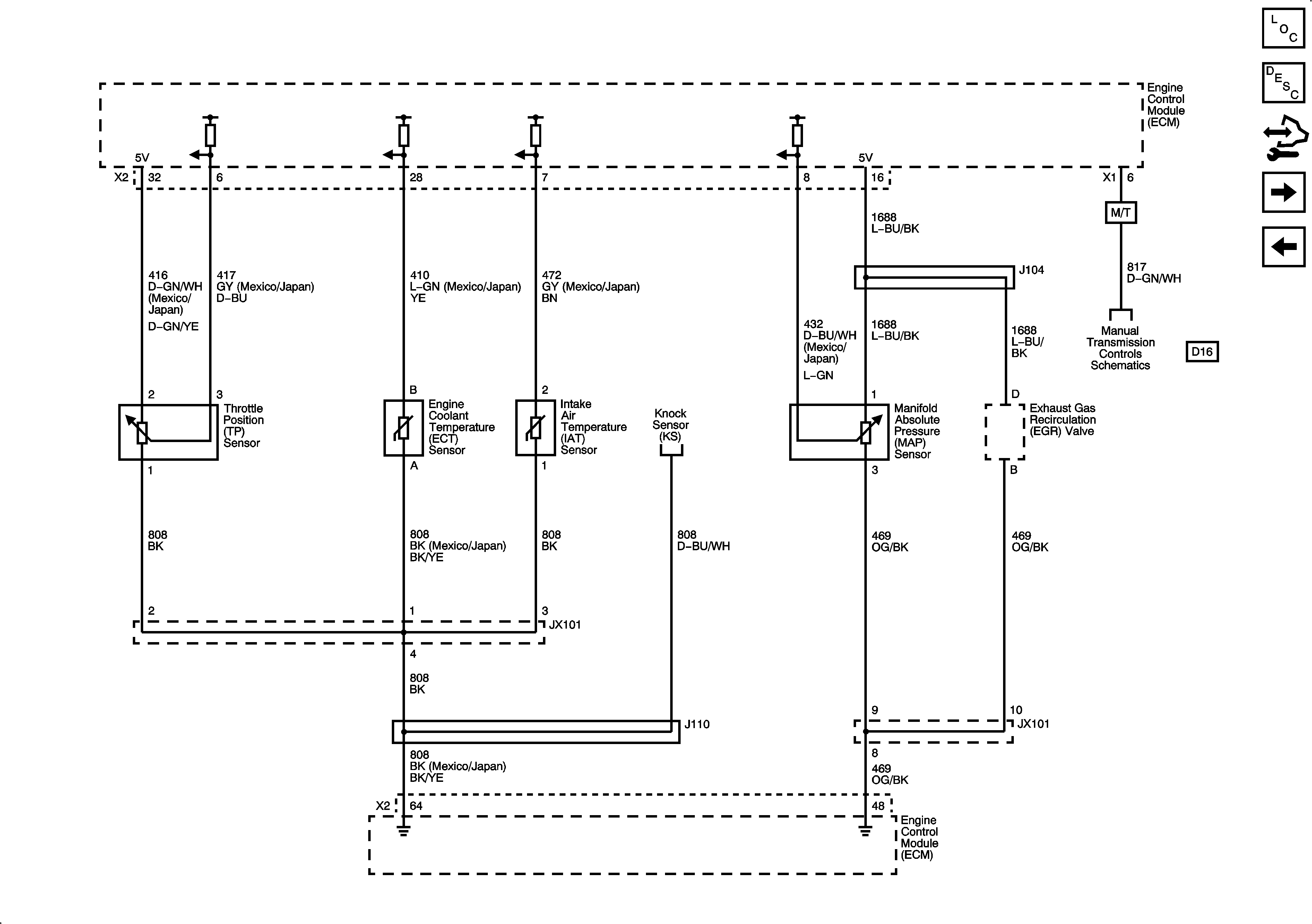
🢒 Engine Data Sensors - Pressure and Temperature
Engine Data Sensors - Pressure and Temperature
Engine Data Sensors - Pressure and Temperature
Master Electrical Component List
Control Module References
Oxygen Sensors (O2S)
Module Power, Ground, Sensor Data, Malfunction Indicator Lamp (MIL)
D16