GM Service Manual Online
For 1990-2009 cars only
Makes
🢒
Holden
🢒
2008
🢒
Viva
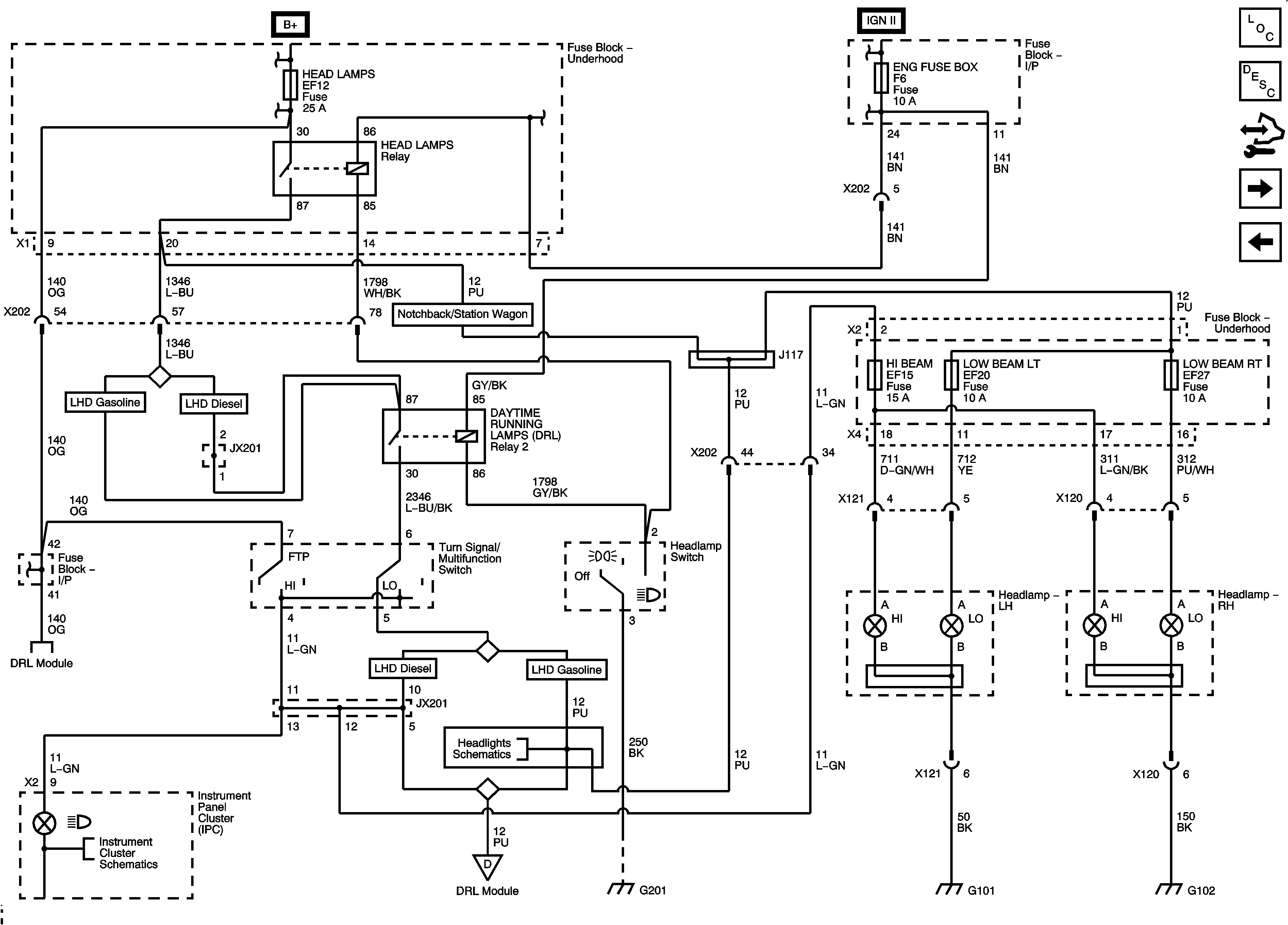
🢒 Headlamps - LHD Except North America
Headlamps - LHD Except North America
Headlamps - LHD Except North America
Master Electrical Component List
Control Module References
Headlamps - North America
Headlights Schematics (RHD)
Fuse Block - Underhood B+ Bus, 1 of 3
Fuse Block - Underhood B+ Bus, 1 of 3
Fuse Block - Underhood B+ Bus, 1 of 3
Fuse Block - Underhood B+ Bus, 1 of 3
Headlights Schematics (RHD)
G101
G201 - 1 of 2
G101
G102