GM Service Manual Online
For 1990-2009 cars only
Makes
🢒
Holden
🢒
2008
🢒
Viva
🢒 Headlight Leveling
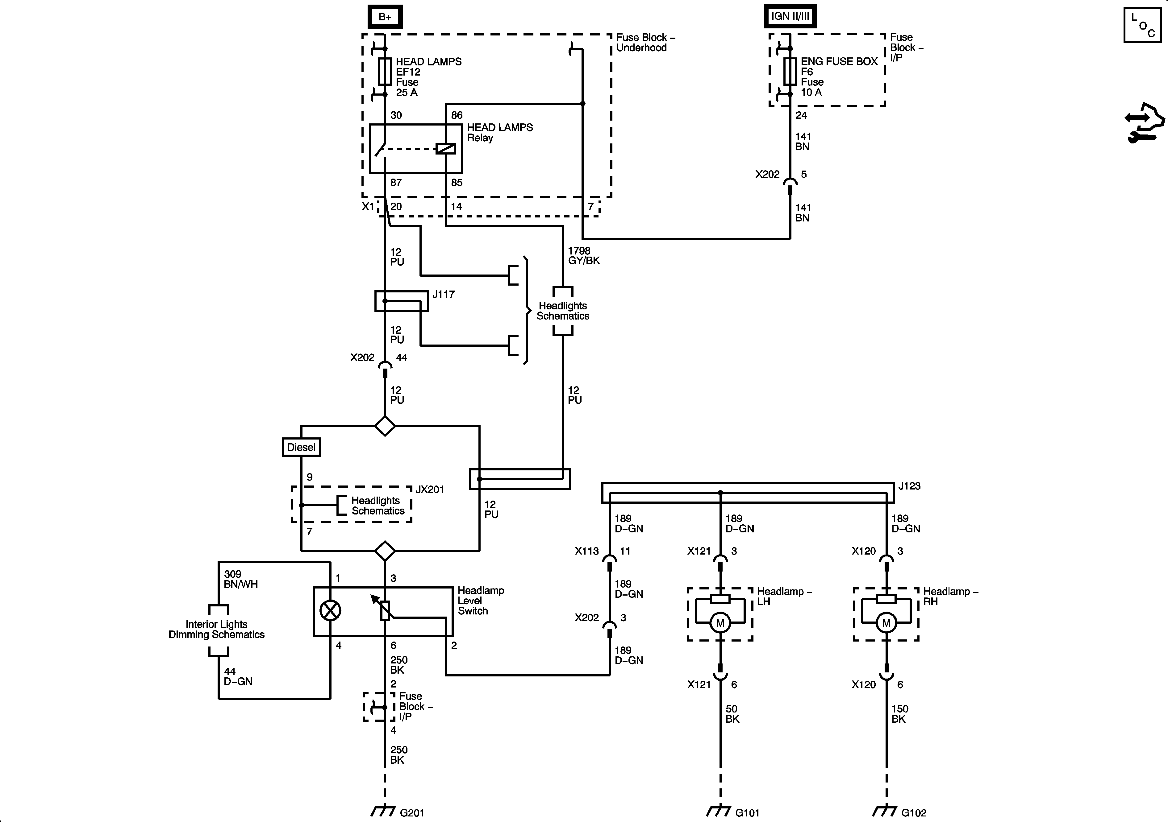
Headlight Leveling
Master Electrical Component List
Control Module References
Fuse Block - Underhood B+ Bus, 1 of 3
Fuse Block - Underhood B+ Bus, 1 of 3
Fuse Block - Underhood B+ Bus, 1 of 3
Headlights Schematics (RHD)
Headlights Schematics (RHD)
Interior Lights Dimming Schematics
G201 - 1 of 2
G201 - 1 of 2
G101
G102