GM Service Manual Online
For 1990-2009 cars only
Makes
🢒
Holden
🢒
2008
🢒
Viva
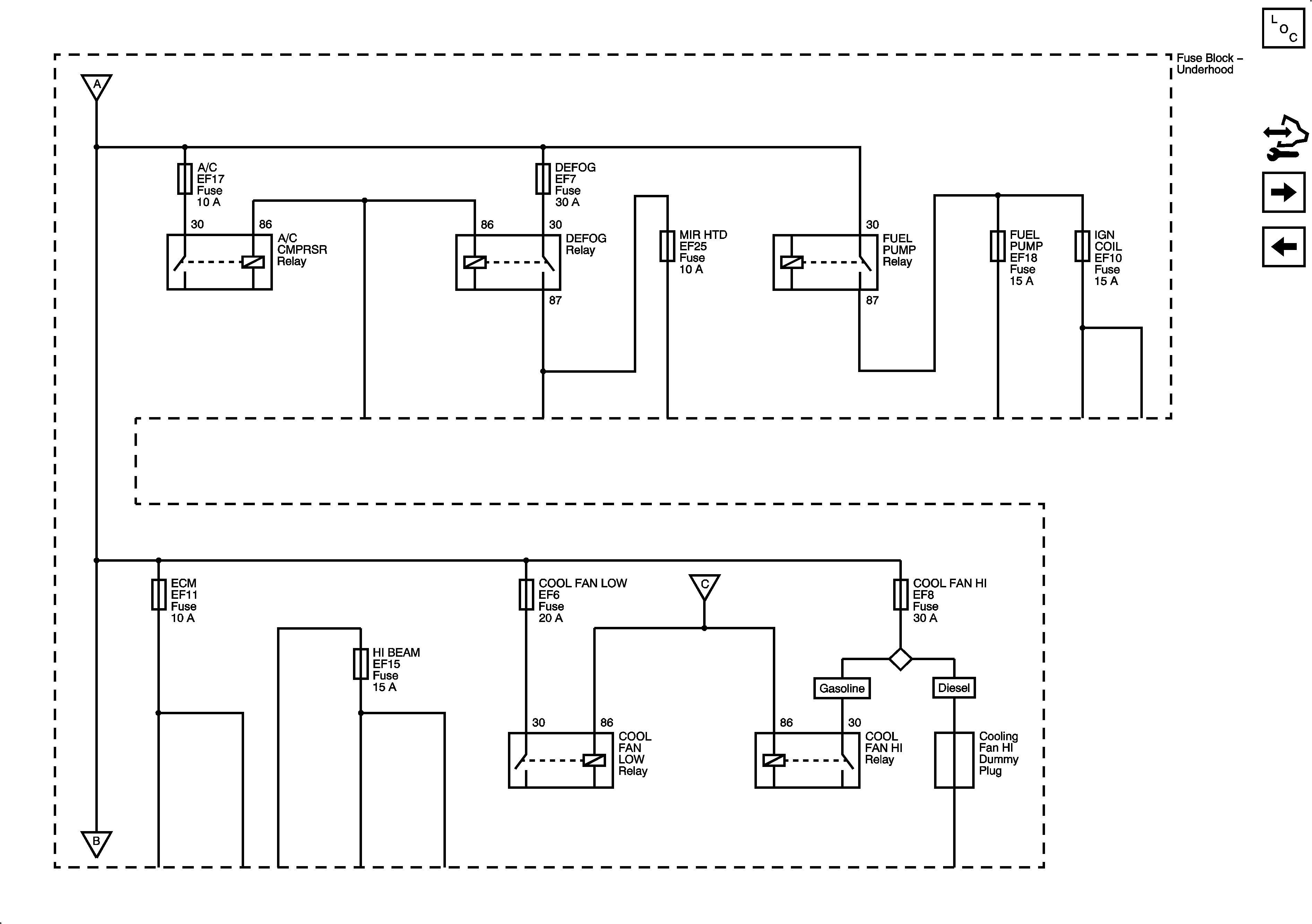
🢒 Fuse Block - Underhood B+ Bus, 2 of 3
Fuse Block - Underhood B+ Bus, 2 of 3
Fuse Block - Underhood B+ Bus, 2 of 3
Master Electrical Component List
Control Module References
Fuse Block - Underhood B+ Bus, 3 of 3 and Auxiliary Fuse Block
Fuse Block - Underhood B+ Bus, 1 of 3
Fuse Block - Underhood B+ Bus, 1 of 3
Fuse Block - Underhood B+ Bus, 3 of 3 and Auxiliary Fuse Block
Fuse Block - Underhood B+ Bus, 3 of 3 and Auxiliary Fuse Block