GM Service Manual Online
For 1990-2009 cars only
Makes
🢒
Holden
🢒
2008
🢒
Viva
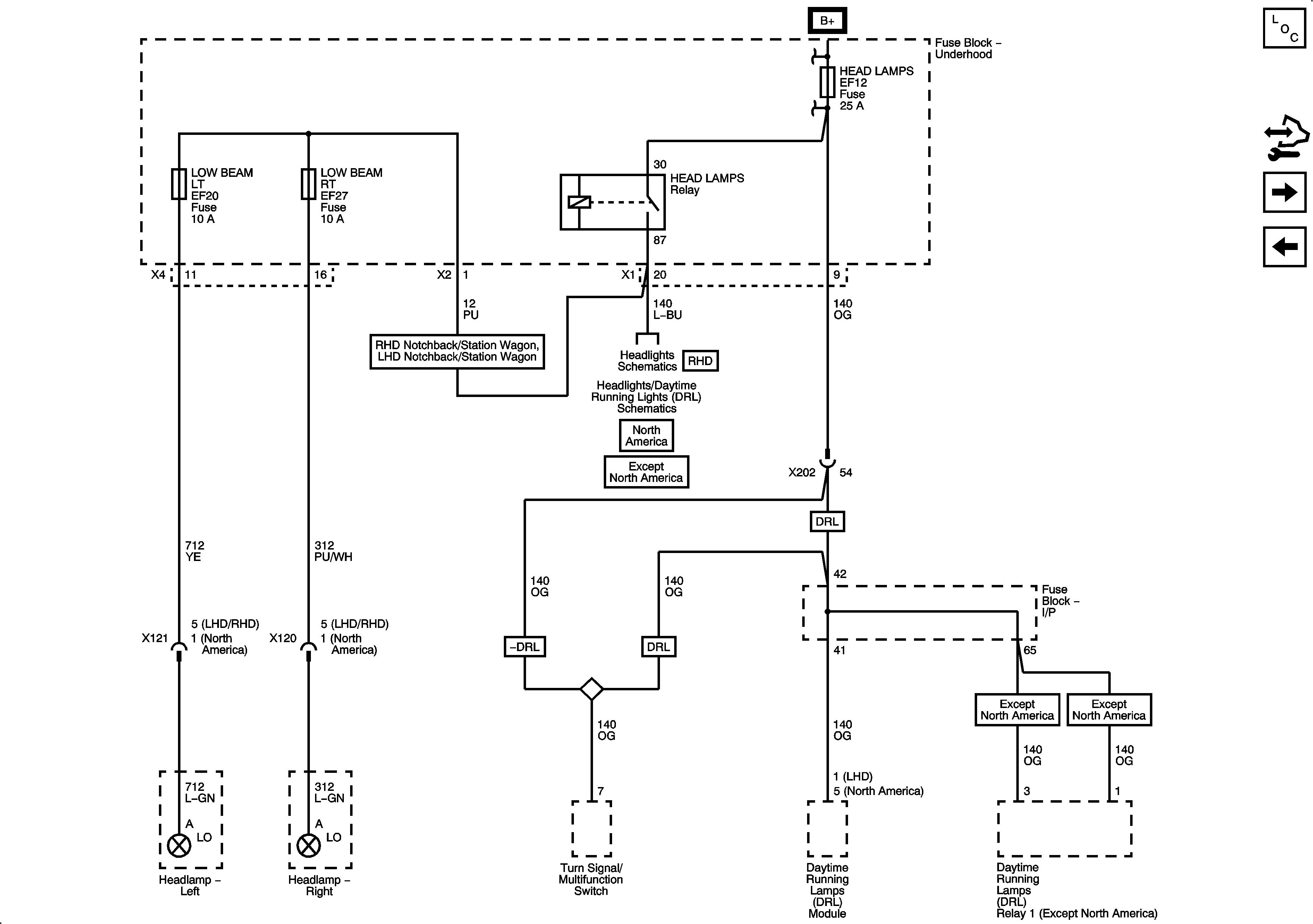
🢒 Fuse Block-Underhood HEAD LAMPS, LOW BEAM LT, LOW BEAM RT Fuses and HEAD LAMPS Relay
Fuse Block-Underhood HEAD LAMPS, LOW BEAM LT, LOW BEAM RT Fuses and HEAD LAMPS Relay
Fuse Block - Underhood HEAD LAMPS, LOW BEAM LT, LOW BEAM RT Fuses and HEAD LAMPS Relay
Master Electrical Component List
Control Module References
Fuse Block - Underhood ILLUM LT and ILLUM RT Fuses and ILLUM Relay
Fuse Block - Underhood DRIVERS PWR/WNDW and PWR WNDW Fuses and PWR WNDW Relay
Fuse Block - Underhood B+ Bus, 1 of 3