GM Service Manual Online
For 1990-2009 cars only
Makes
🢒
Holden
🢒
2008
🢒
Viva
🢒 Door Lock/Indicators
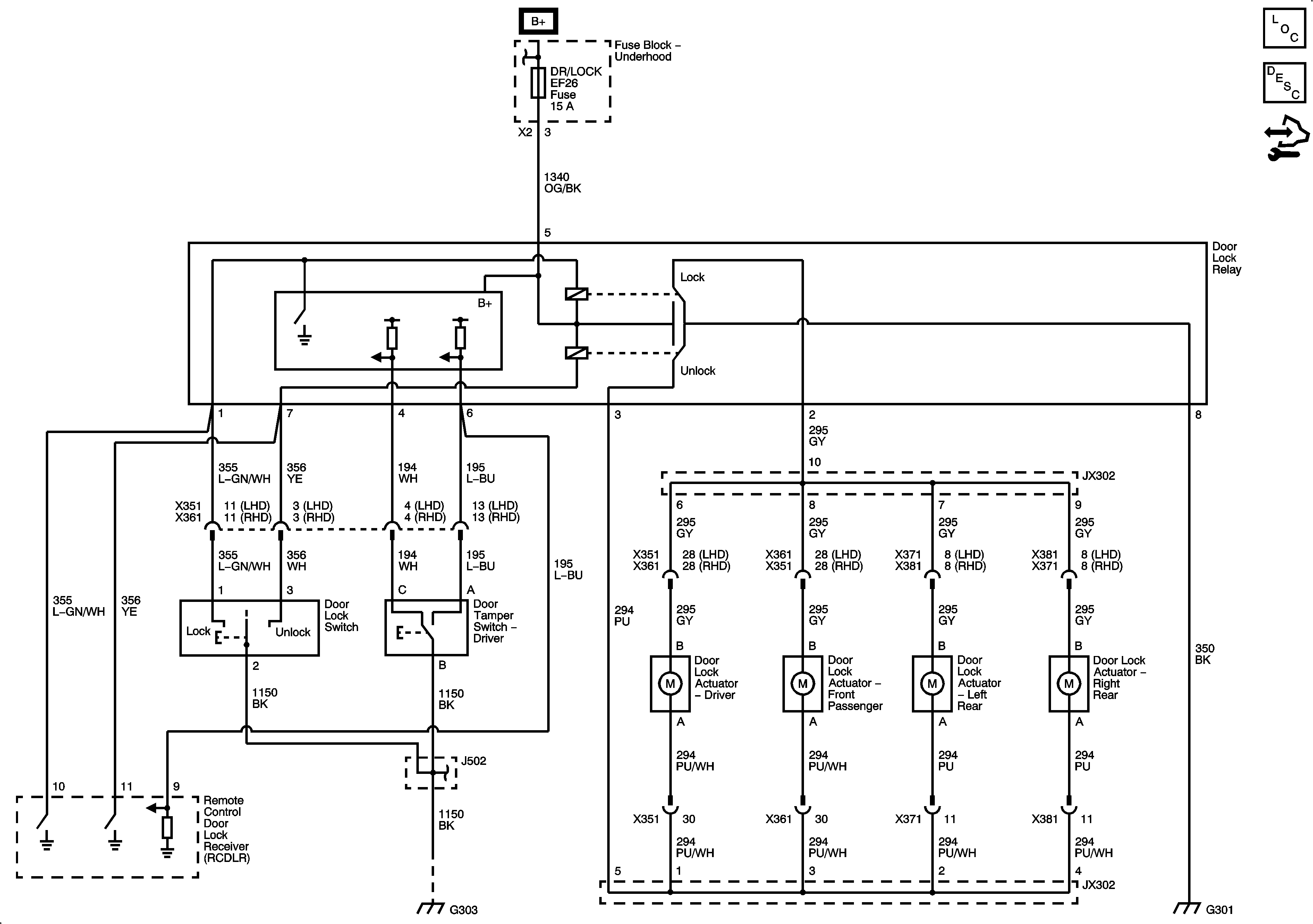
Door Lock/Indicators
Master Electrical Component List
Control Module References
Fuse Block - Underhood B+ Bus, 1 of 3
G101
G204, G301
G204, G301