GM Service Manual Online
For 1990-2009 cars only
Makes
🢒
Holden
🢒
2008
🢒
Viva
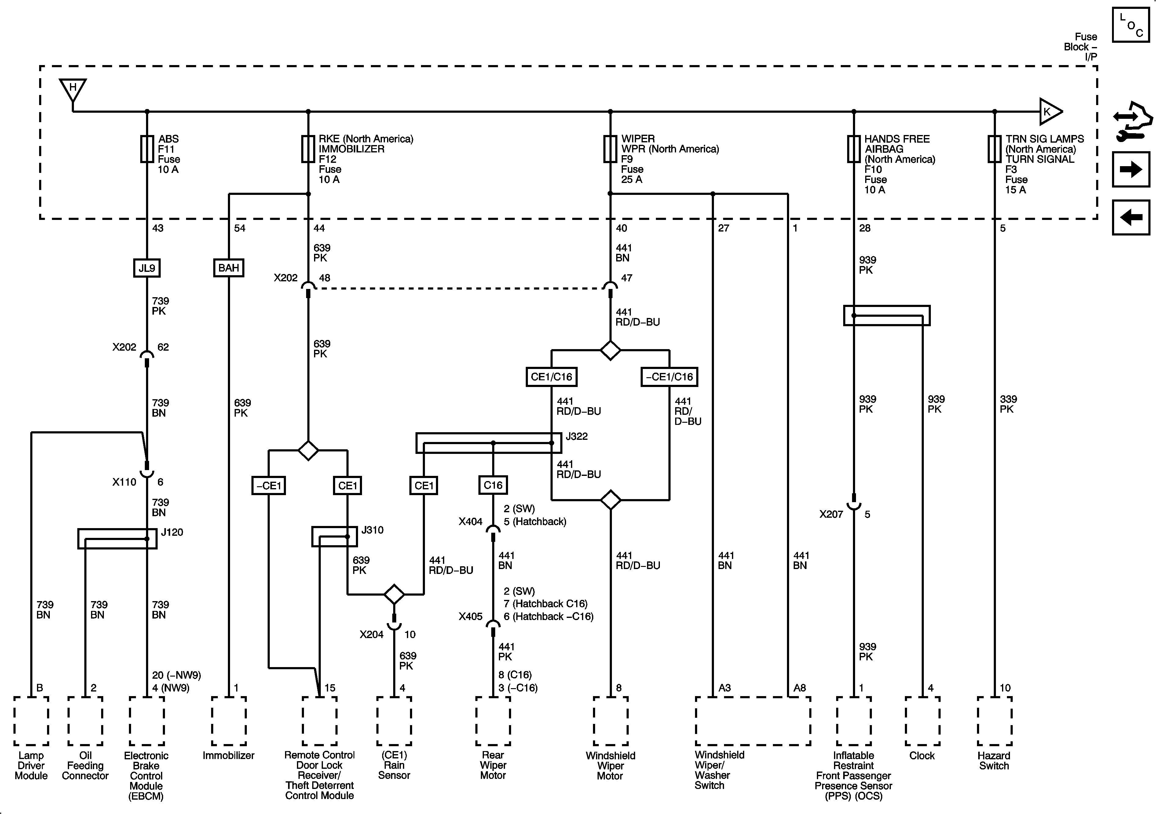
🢒 Fuse Block - I/P ABS, IMMOBILIZER, WPR, TRN SIG LAMPS Fuses
Fuse Block - I/P ABS, IMMOBILIZER, WPR, TRN SIG LAMPS Fuses
Fuse Block - I/P ABS, IMMOBILIZER, WPR, TRN SIG LAMPS Fuses
Master Electrical Component List
Control Module References
Fuse Block - I/P ECM Fuse
Fuse Block - I/P CLSTR, AIRBAG, BCK/UP Fuses
Fuse Block - I/P CLSTR, AIRBAG, BCK/UP Fuses