GM Service Manual Online
For 1990-2009 cars only

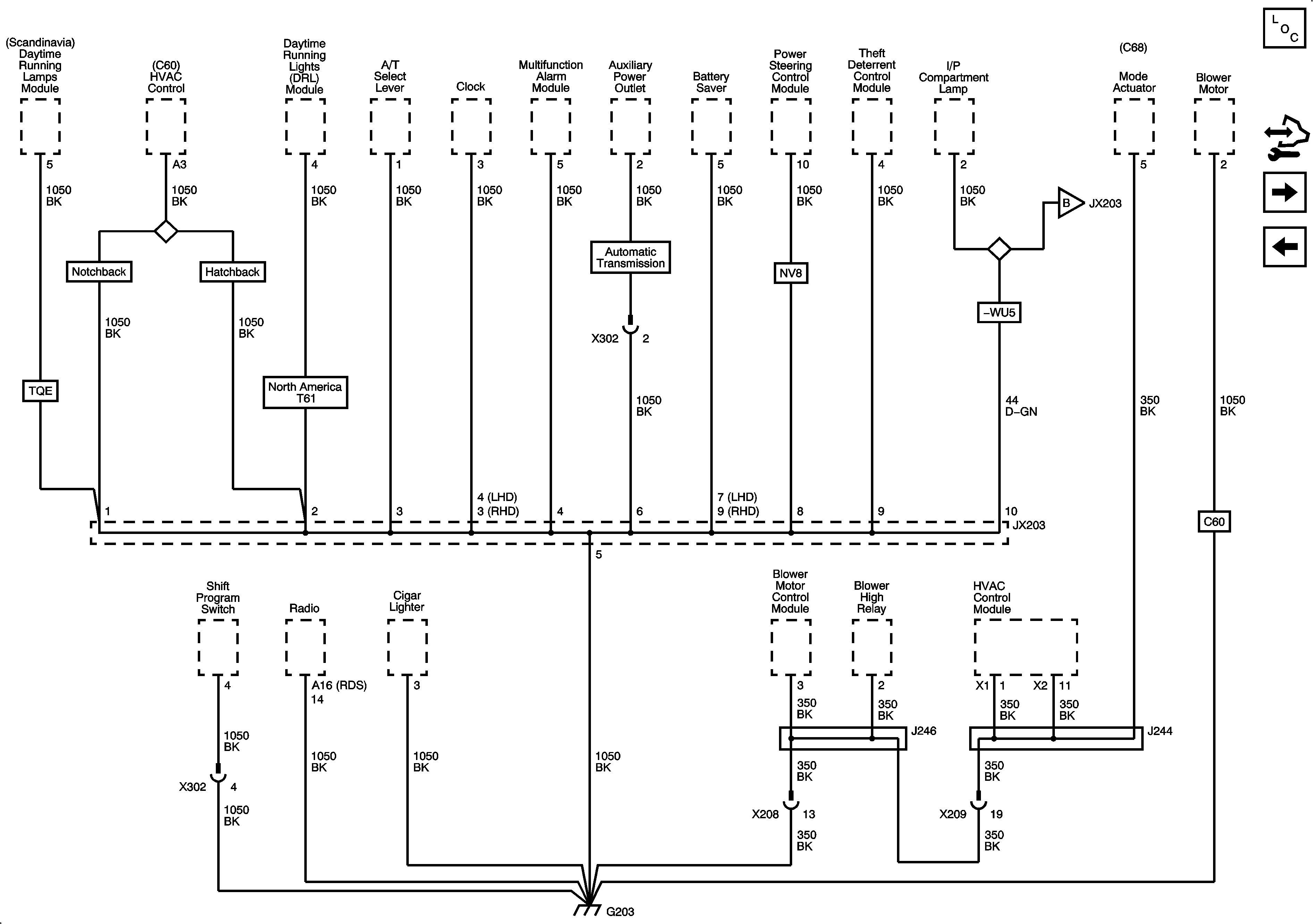
G203

G203


Object Number: 1963541  Size: FS
Master Electrical Component List
Control Module References
G203
G201 - 2 of 2
G203