GM Service Manual Online
For 1990-2009 cars only
Figure 1:

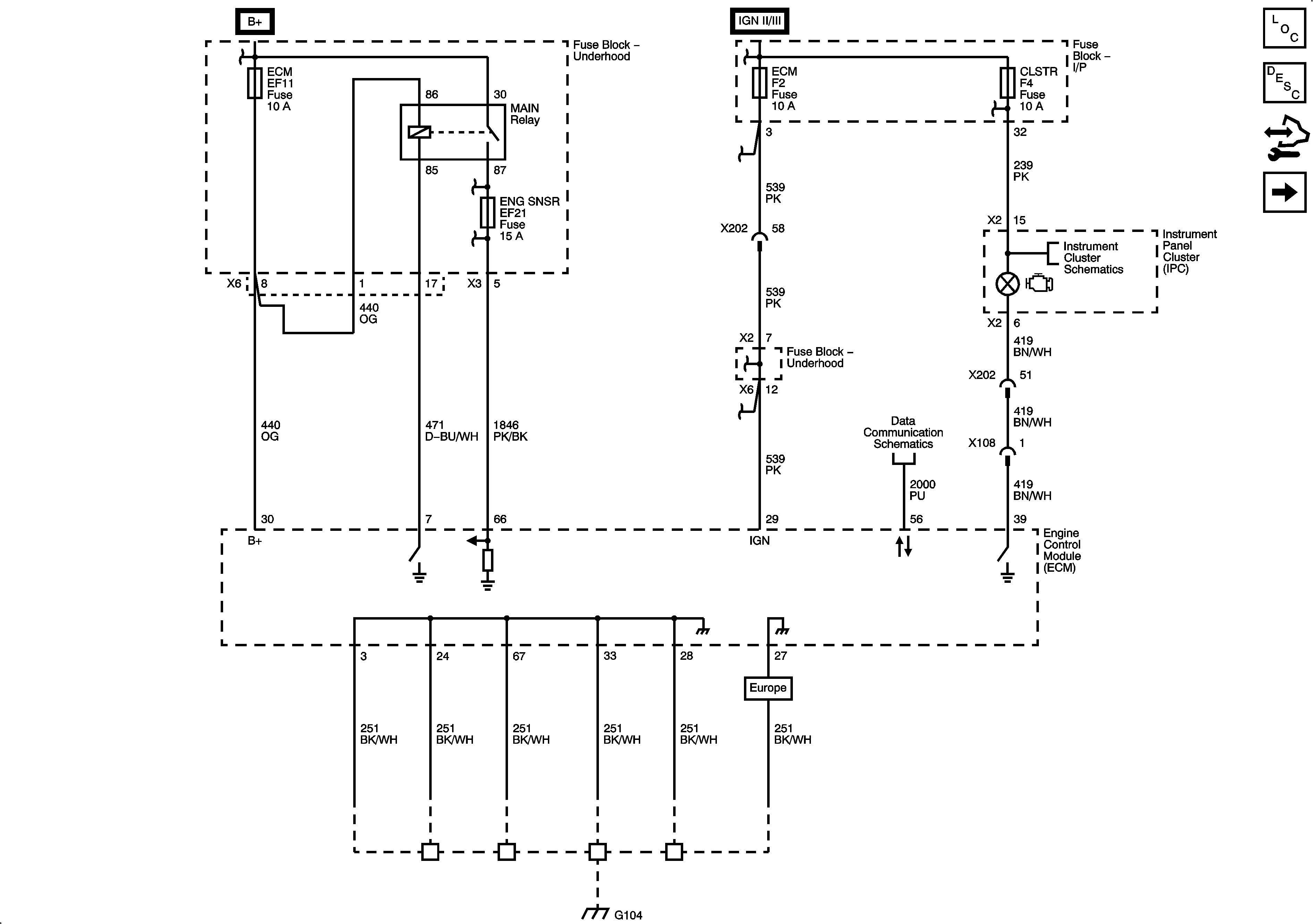
Module Power, Ground, Serial Data, Malfunction Indicator Lamp (MIL)


Object Number: 2158825  Size: FS
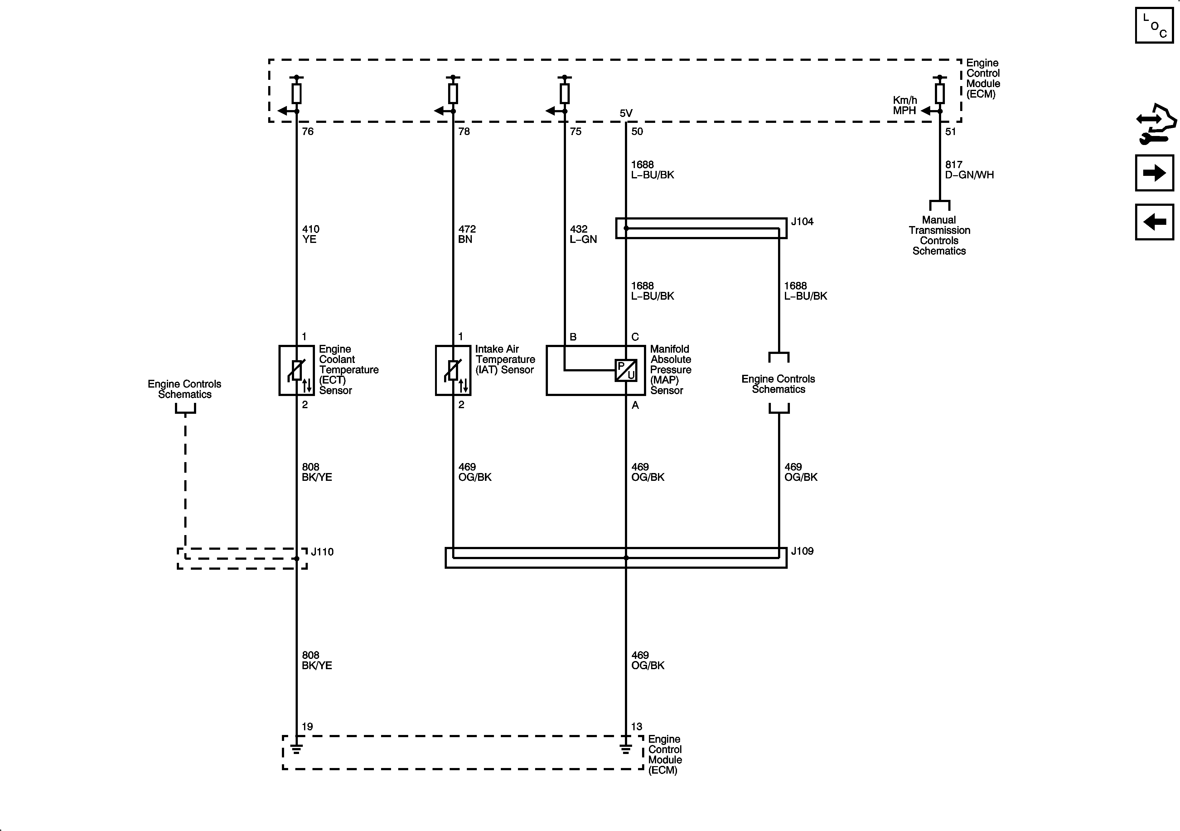
Figure 2:

Engine Data Sensors - Pressure and Temperature


Object Number: 2158827  Size: FS
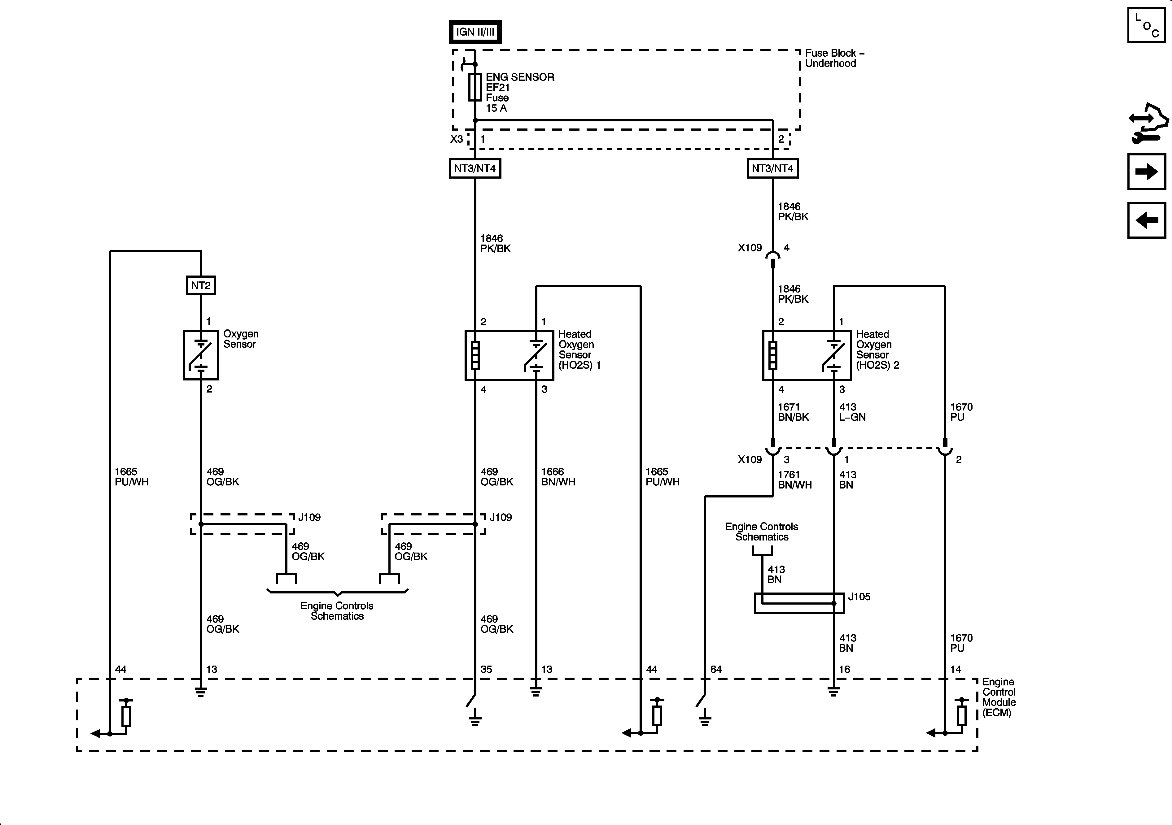
Figure 3:

Oxygen Sensors (O2S)


Object Number: 2158832  Size: FS
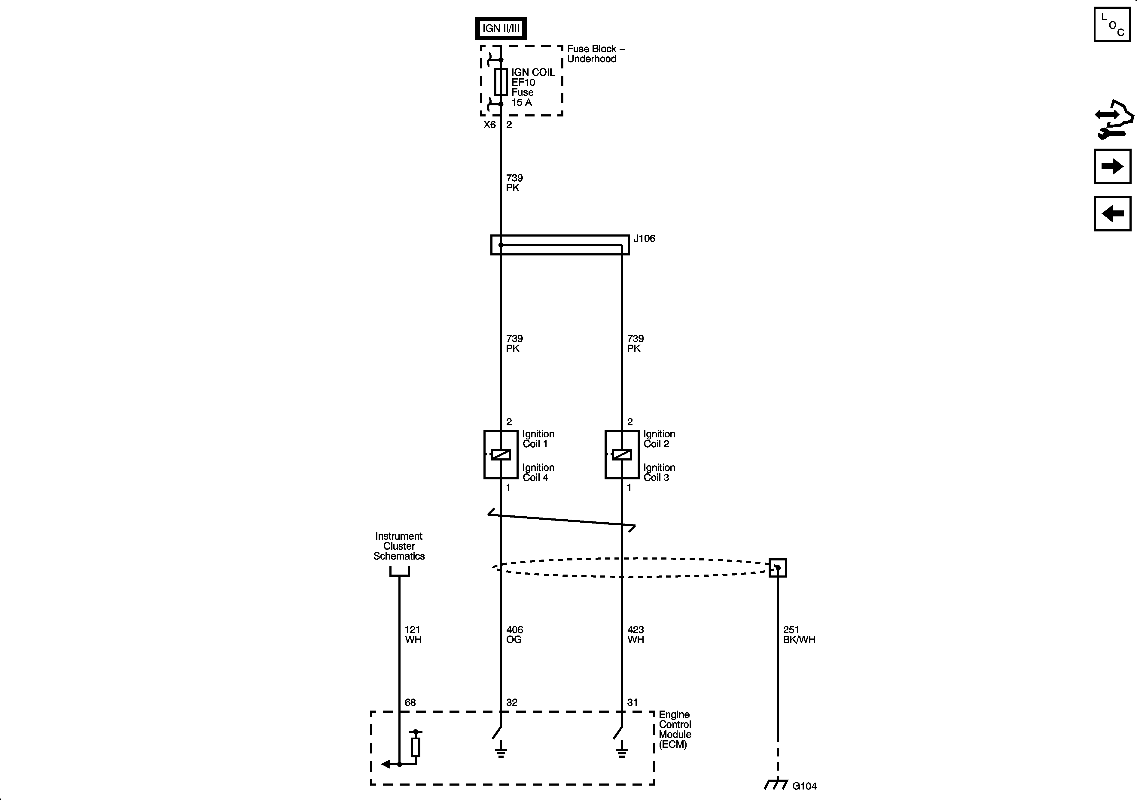
Figure 4:

Ignition System


Object Number: 2158844  Size: FS
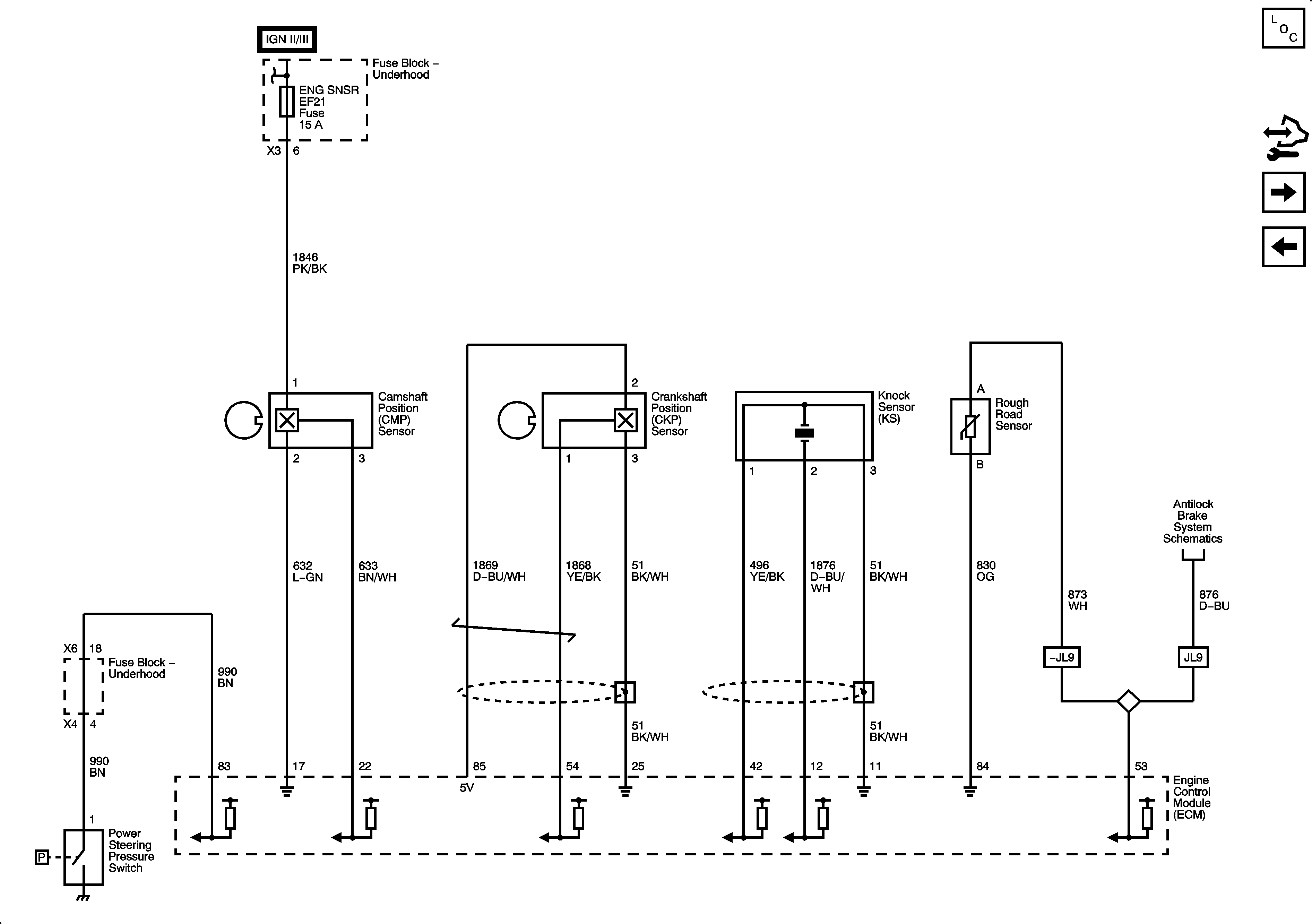
Figure 5:

CMP, CKP, Knock, Rough Road Sensors, Power Steering Pressure Switch


Object Number: 2158855  Size: FS
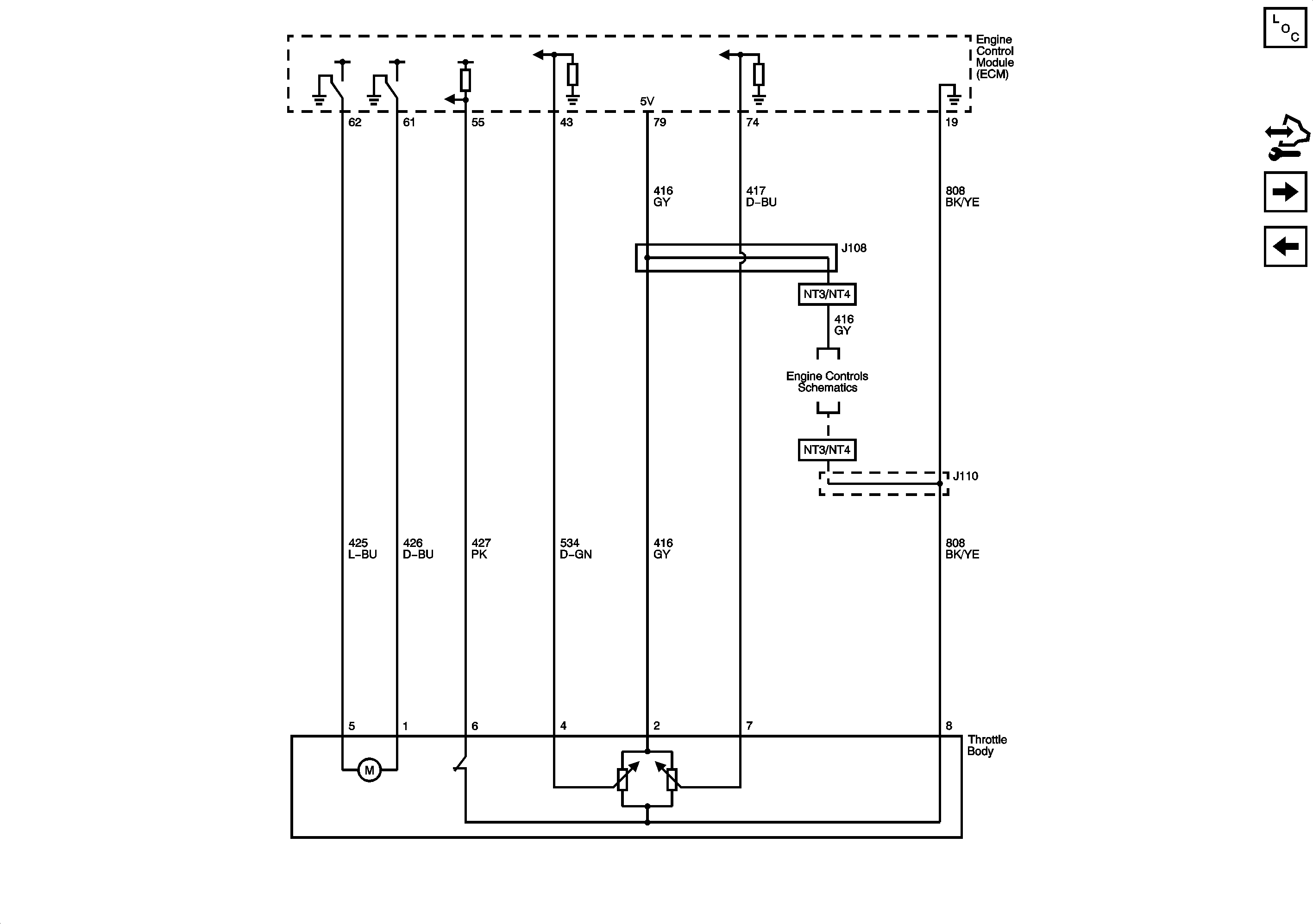
Figure 6:

Main Throttle Intake Actuator (MTIA)


Object Number: 2158864  Size: FS
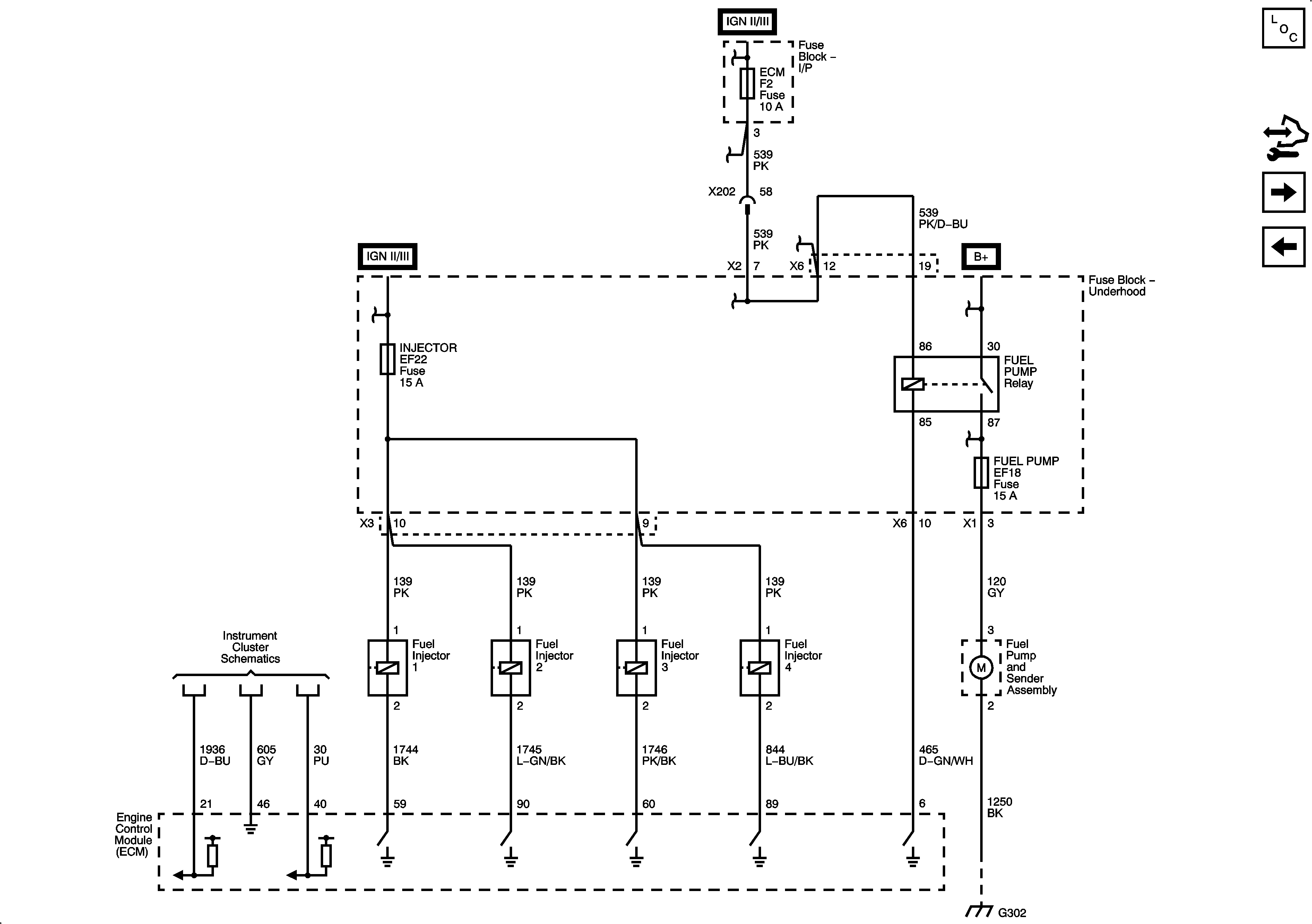
Figure 7:

Fuel Pump Controls and Fuel Injector


Object Number: 2158870  Size: FS
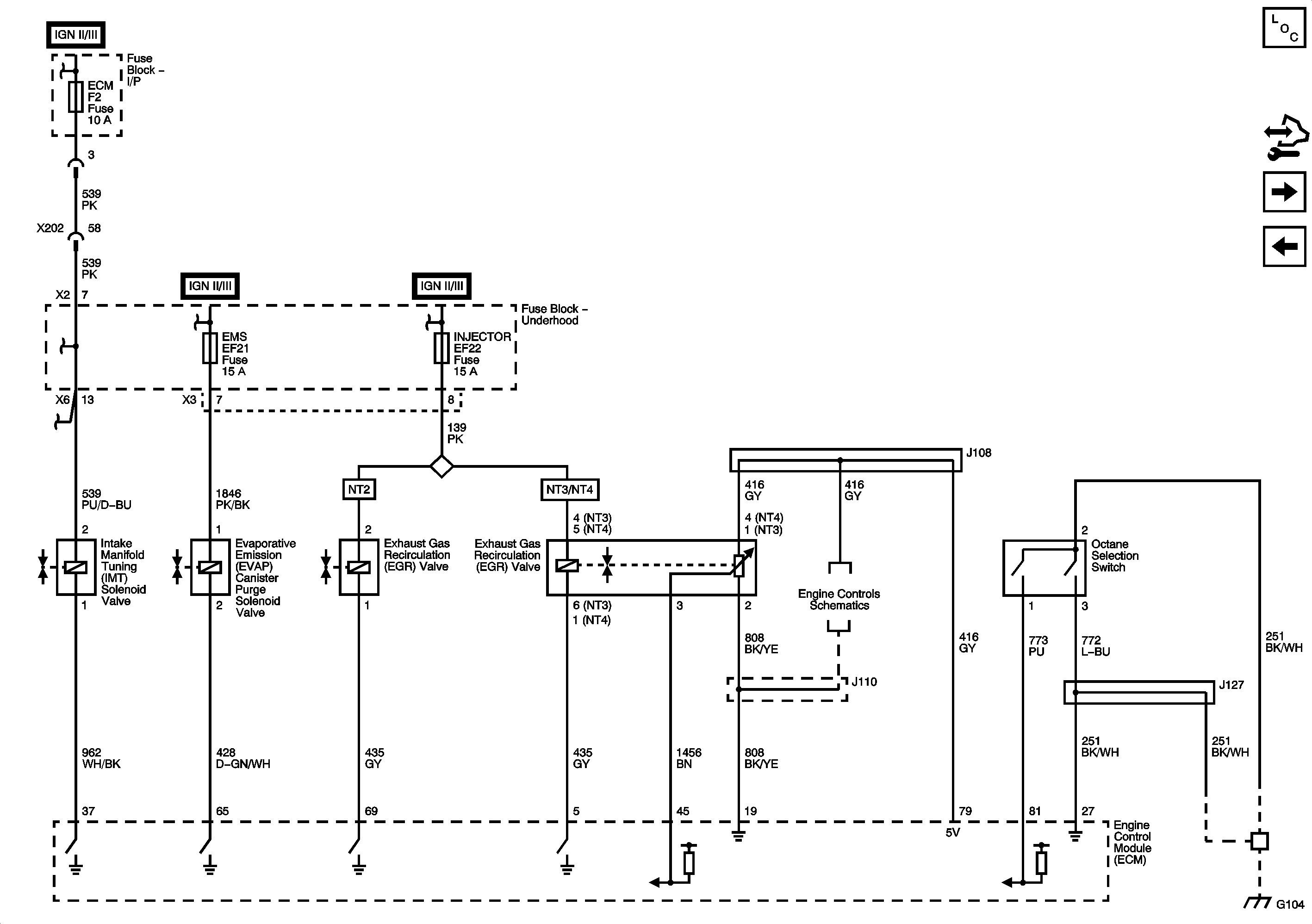
Figure 8:

Intake Manifold Tuning Valve, EVAP, EGR, Octane Selection Switch


Object Number: 2158878  Size: FS
Figure 9:

Controlled/Monitored Subsystem References


Object Number: 2158882  Size: FS