GM Service Manual Online
For 1990-2009 cars only
Makes
🢒
Holden
🢒
2009
🢒
Viva
🢒
Diagnostic Navigation
🢒
Vehicle Diagnostic Information
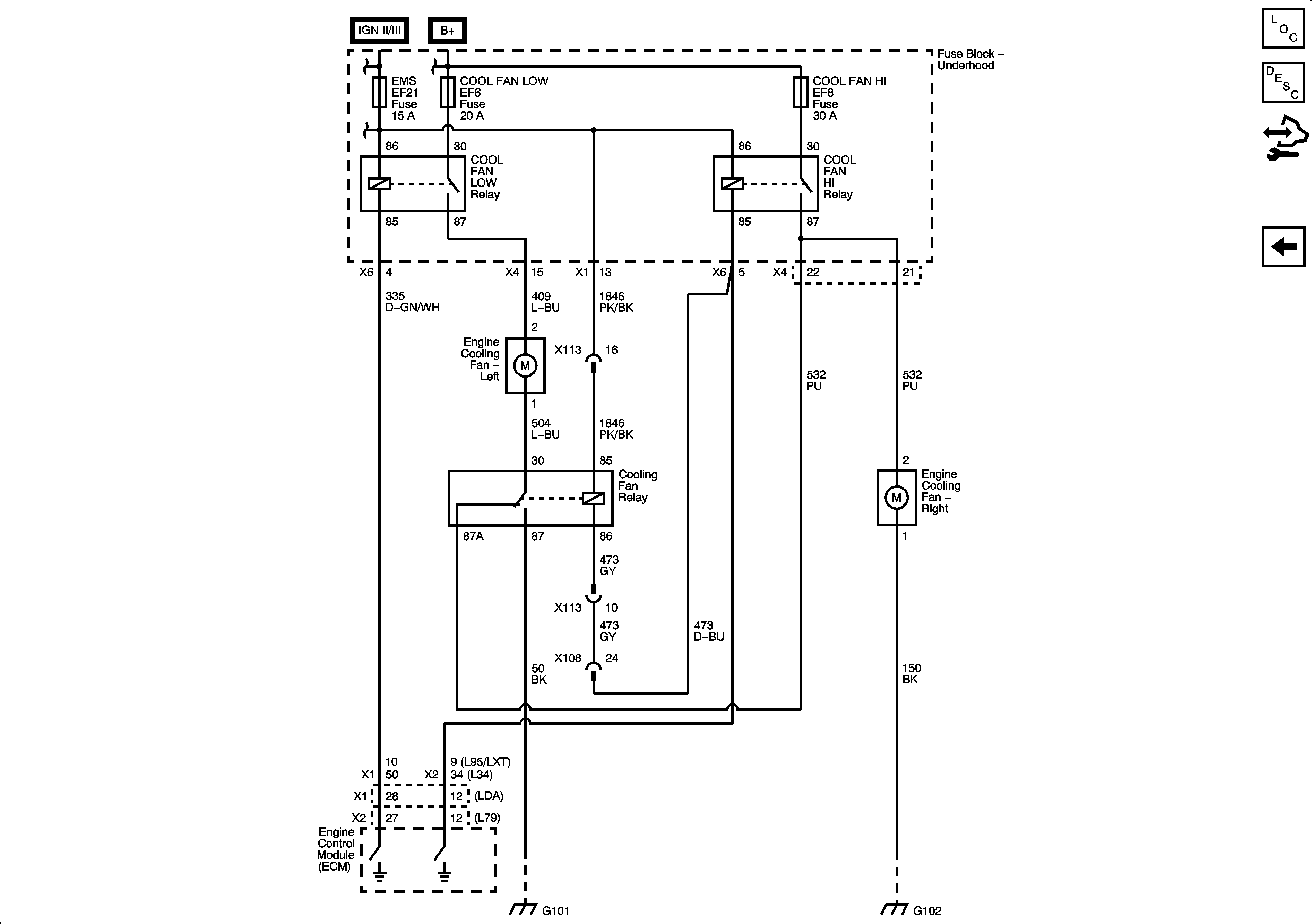
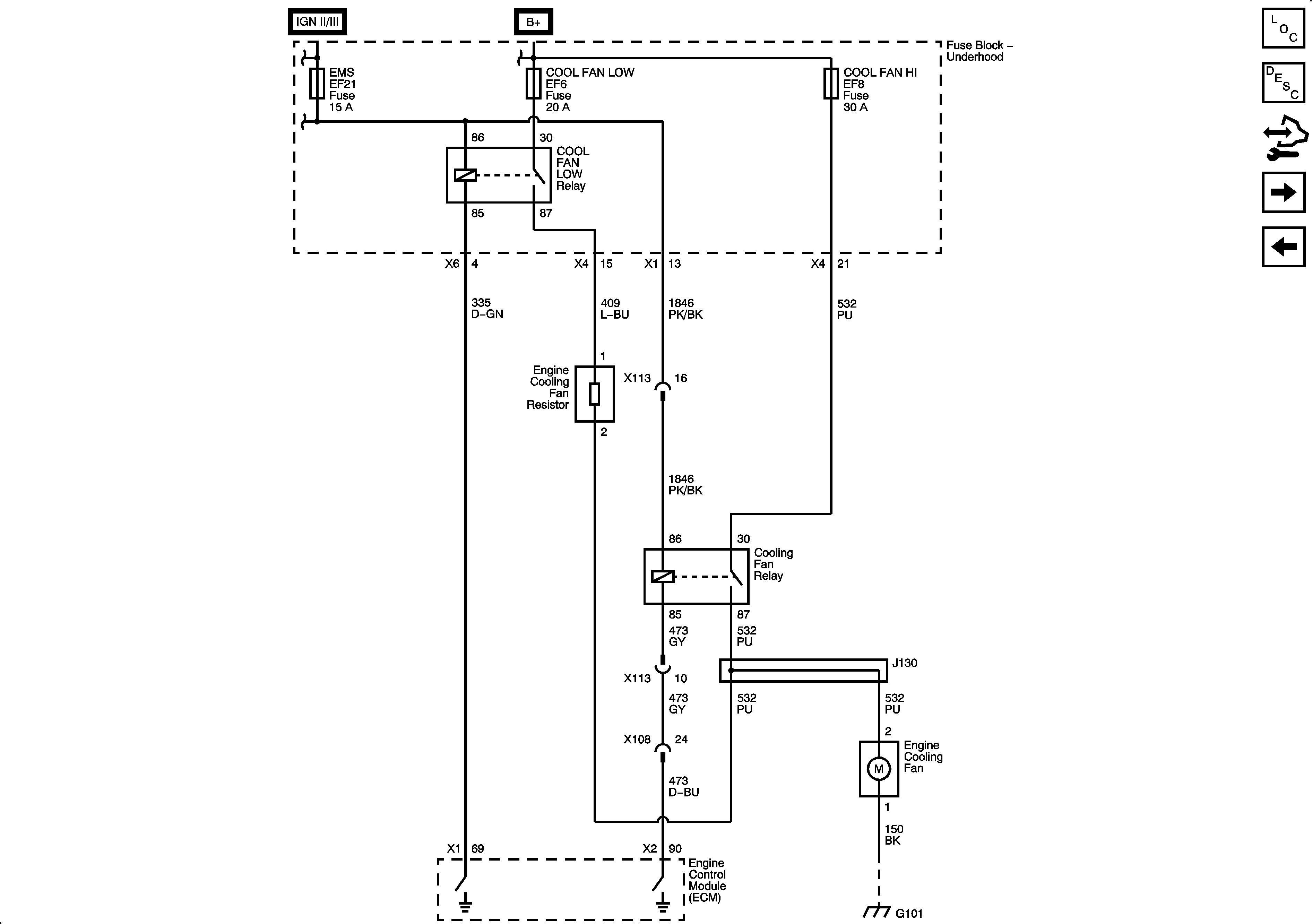
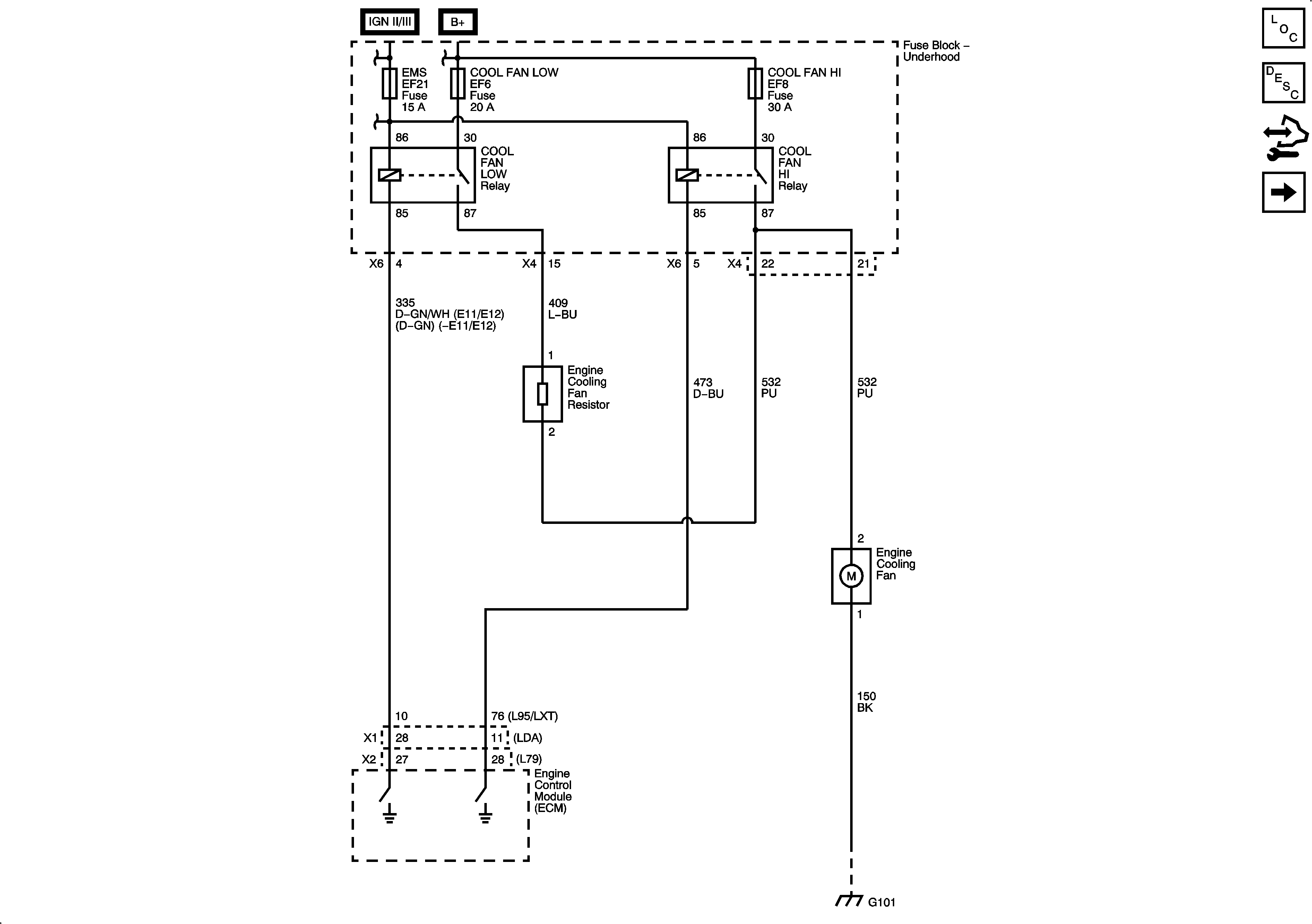
🢒 Engine Cooling Schematics
Figure
1:
Single Fan
Figure
2:
Diesel
Figure
3:
Dual Fans