GM Service Manual Online
For 1990-2009 cars only
Makes
🢒
Holden
🢒
2009
🢒
Viva
🢒
Suspension
🢒
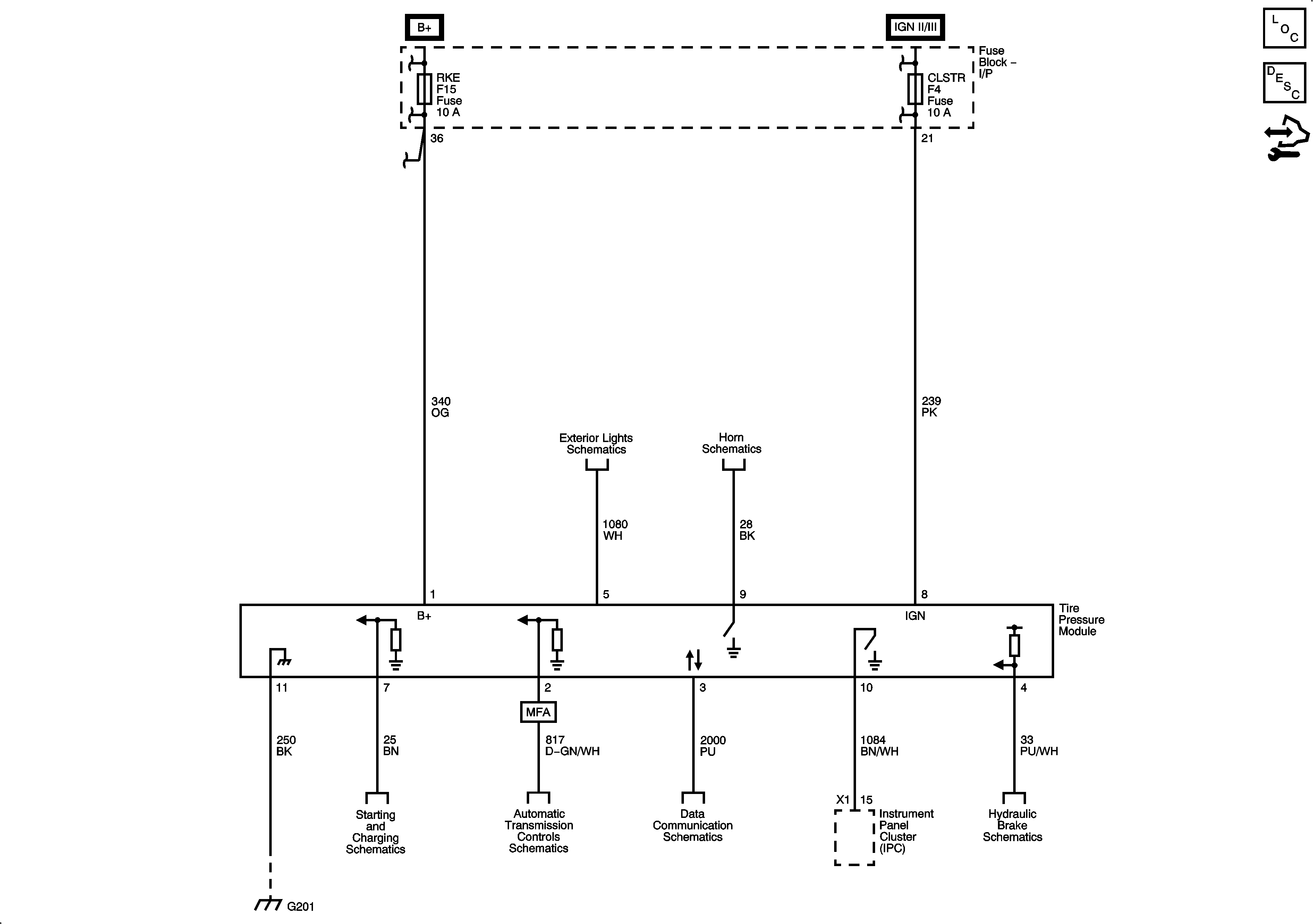
Tire Pressure Monitoring
🢒 Tire Pressure Monitoring System Schematics
Tire Pressure Monitoring System