GM Service Manual Online
For 1990-2009 cars only
Makes
🢒
Holden
🢒
2009
🢒
Viva
🢒
Body Systems
🢒
Fixed and Moveable Windows
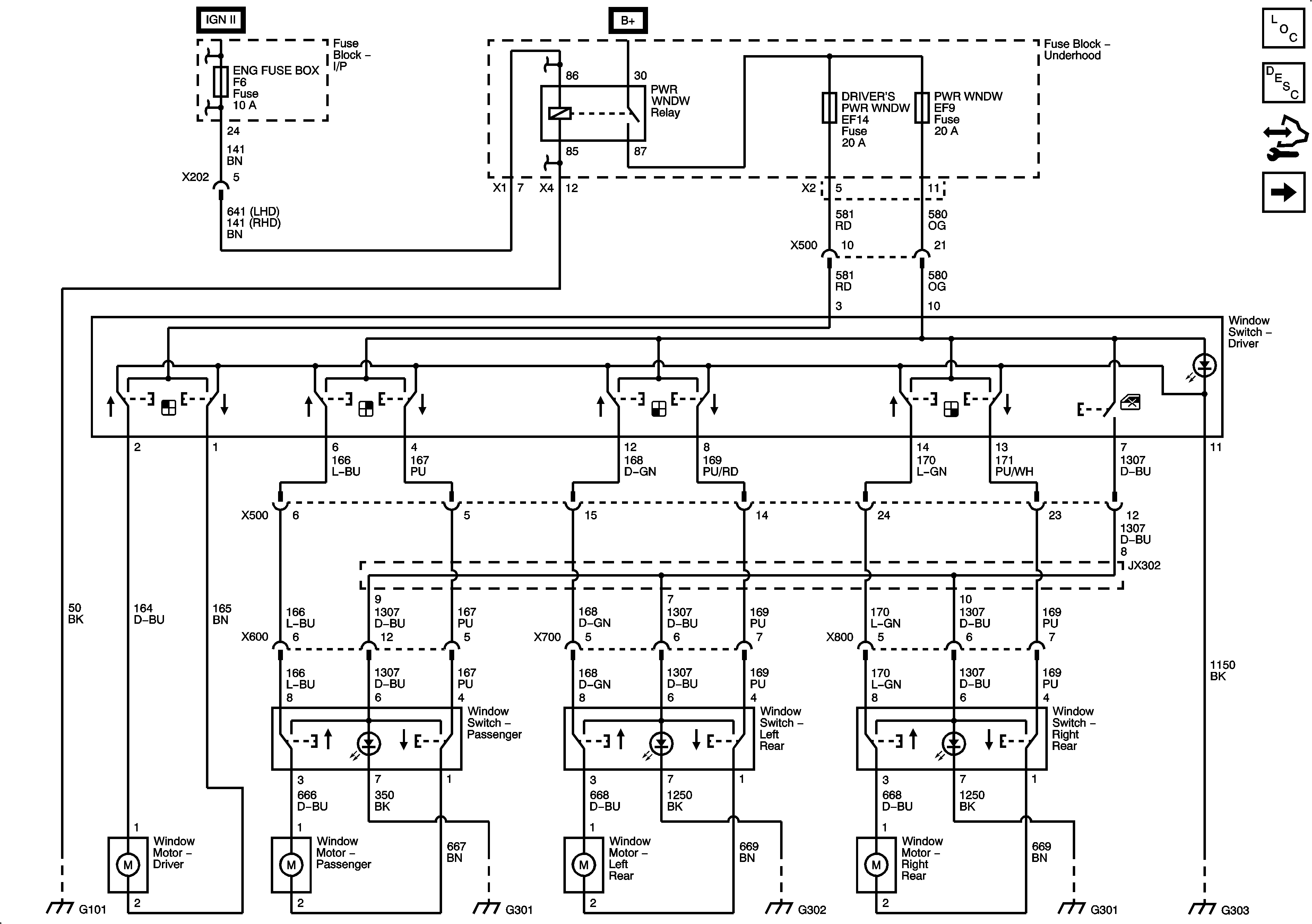
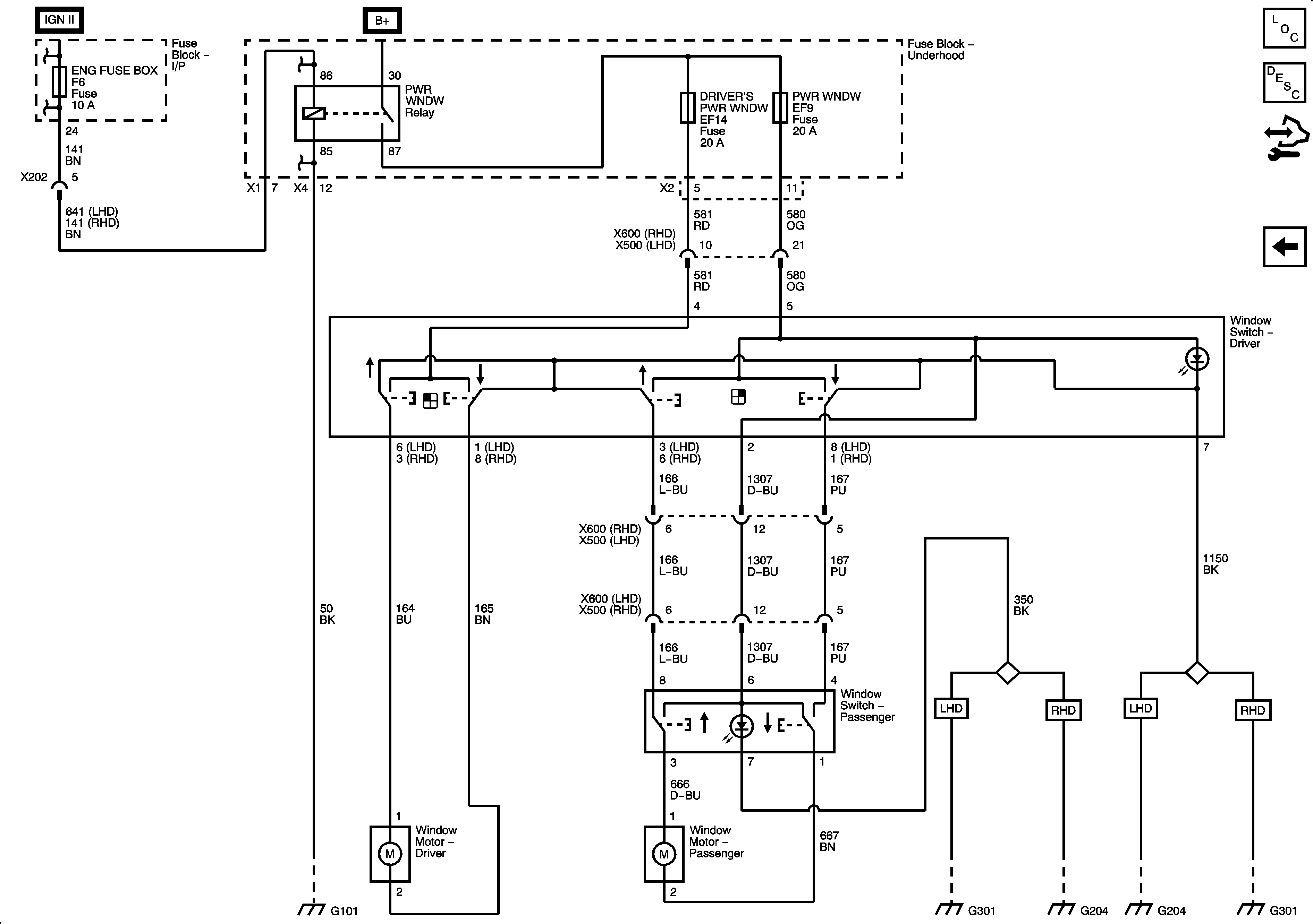
🢒 Moveable Window Schematics
Figure
1:
Front Power Windows
Figure
2:
Front/Rear Power Windows