GM Service Manual Online
For 1990-2009 cars only
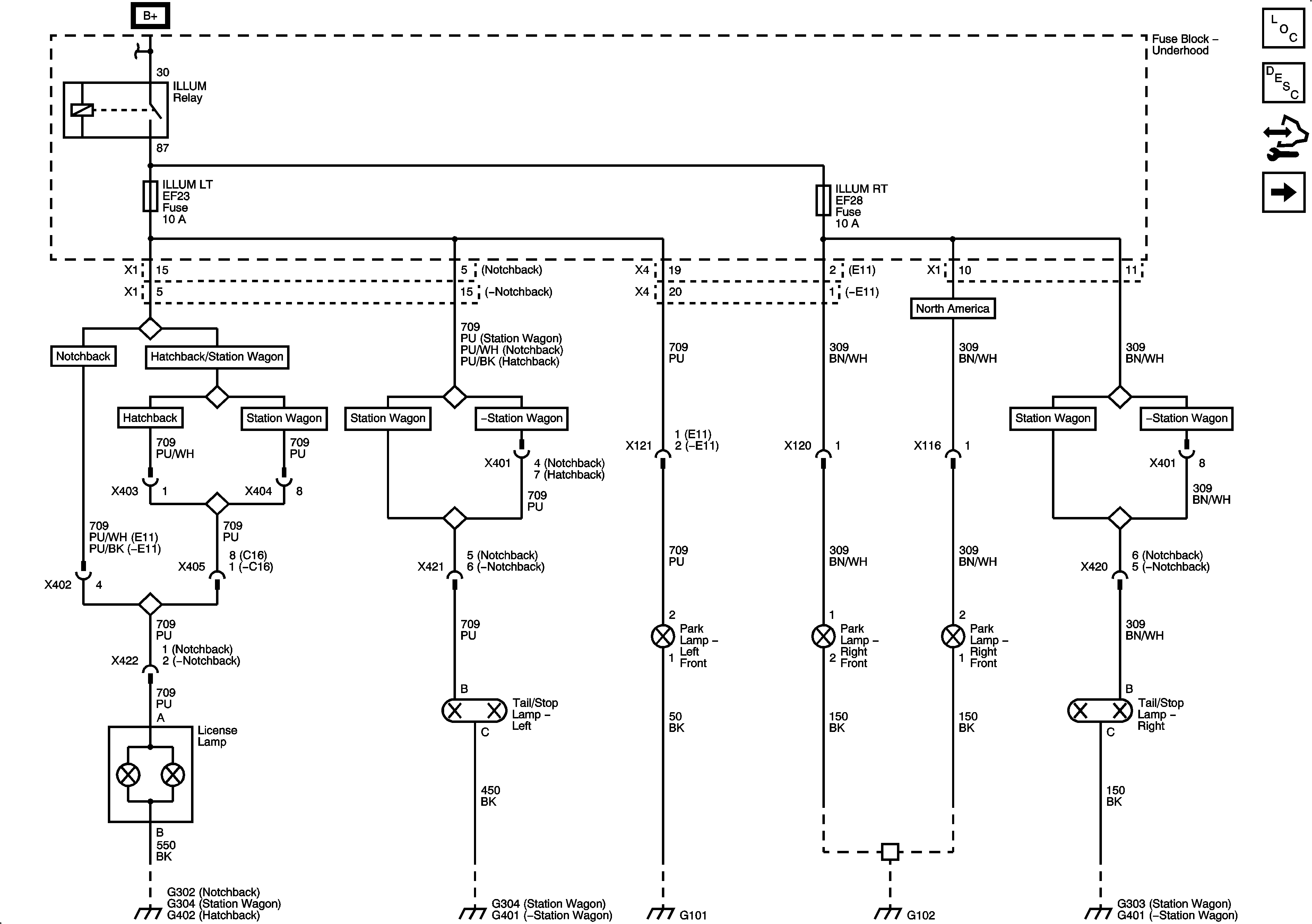
Figure 1:

Park Lamps and License Plate Lamps


Object Number: 2159156  Size: FS
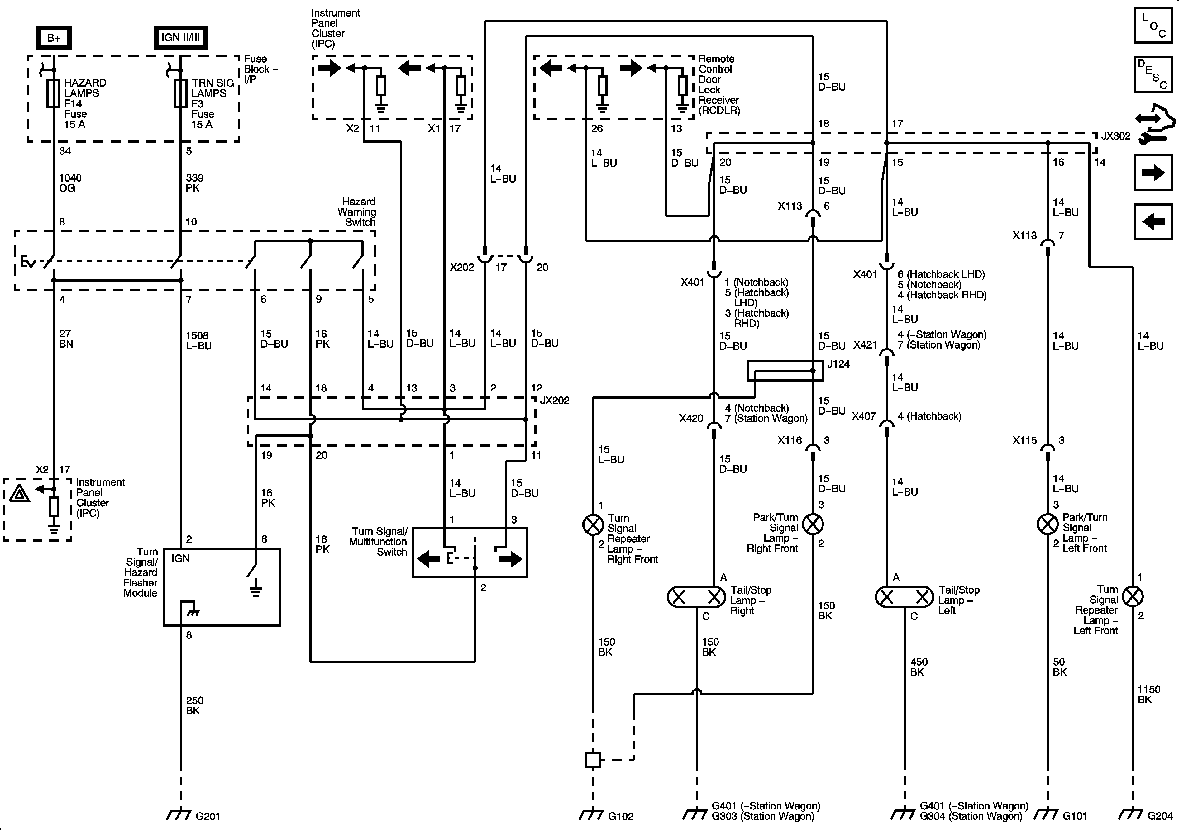
Figure 2:

Turn and Hazard Lamps - North America


Object Number: 2159157  Size: FS
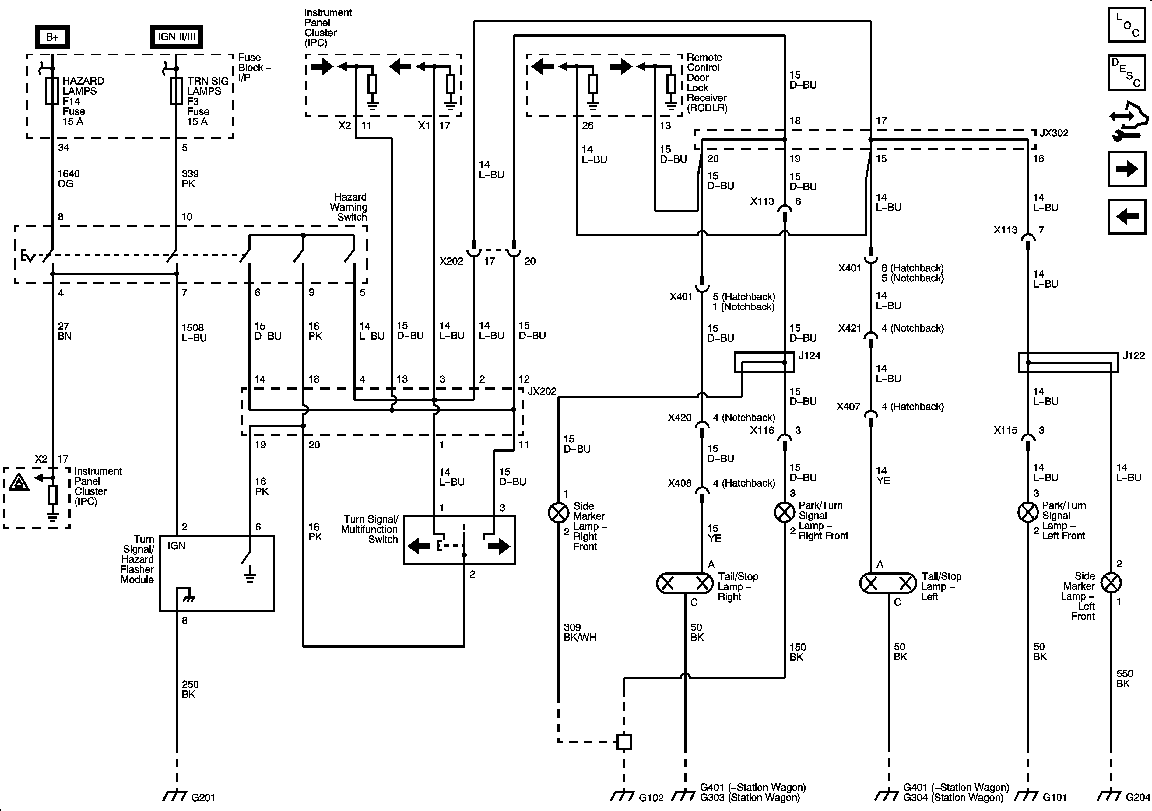
Figure 3:

Turn and Hazard Lamps - Except North America


Object Number: 2159158  Size: FS
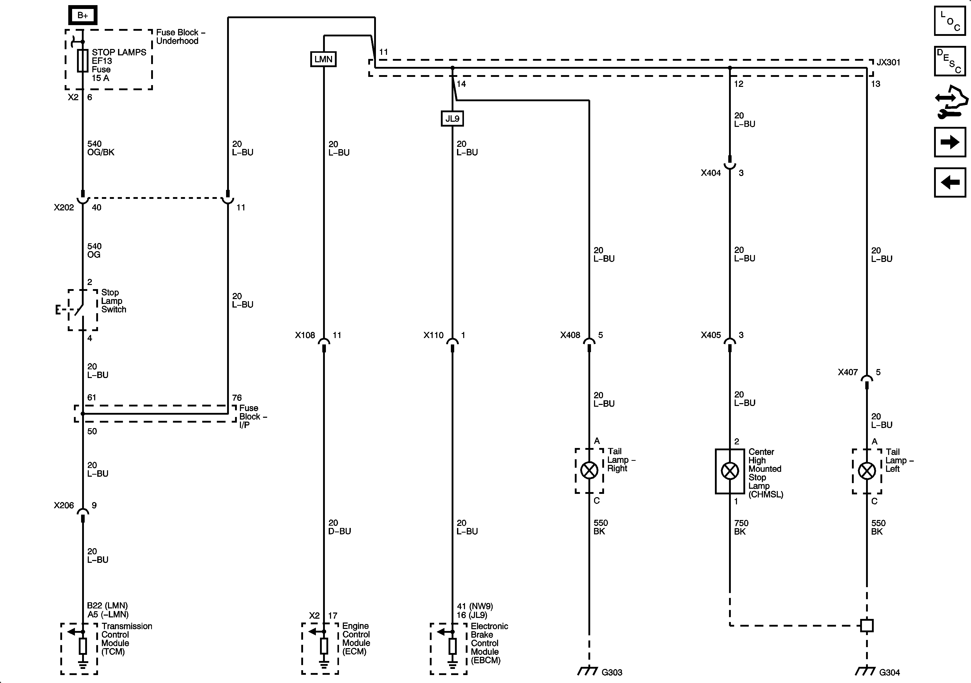
Figure 4:

Stop Lamps - Notchback


Object Number: 2159161  Size: FS
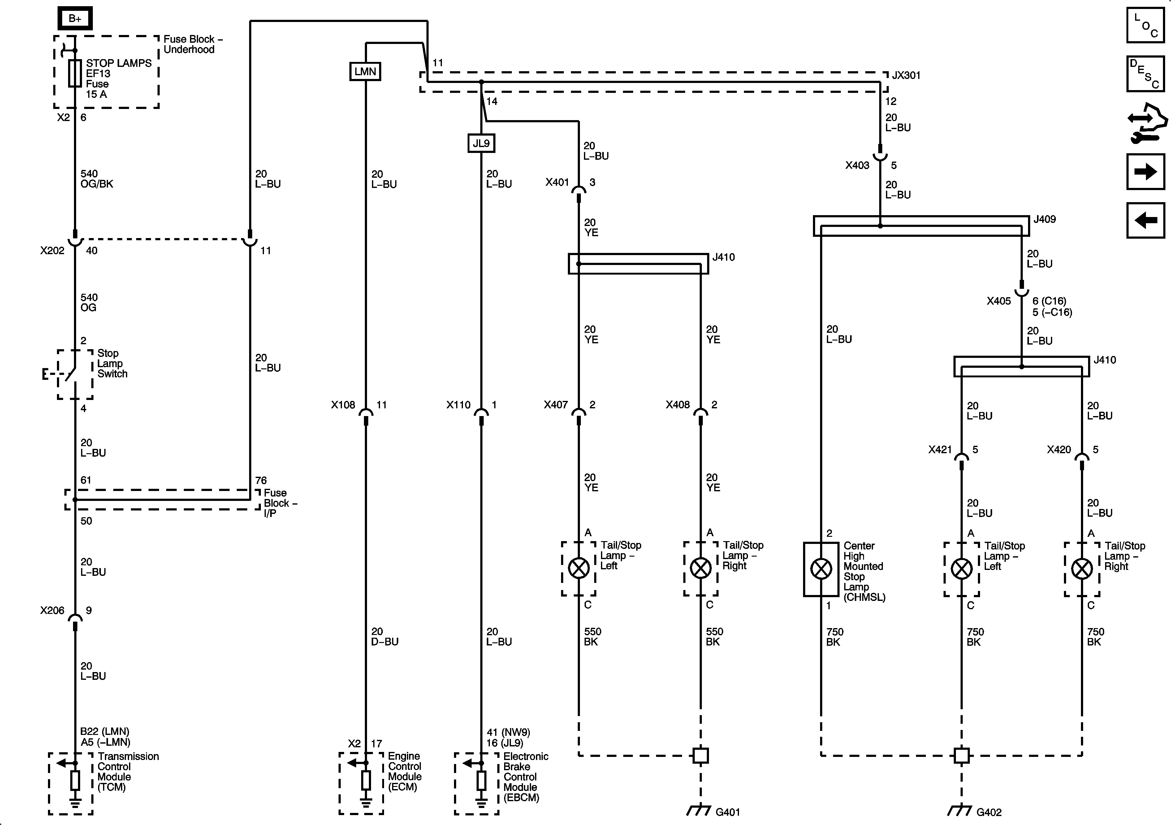
Figure 5:

Stop Lamps - Hatchback


Object Number: 2159163  Size: FS
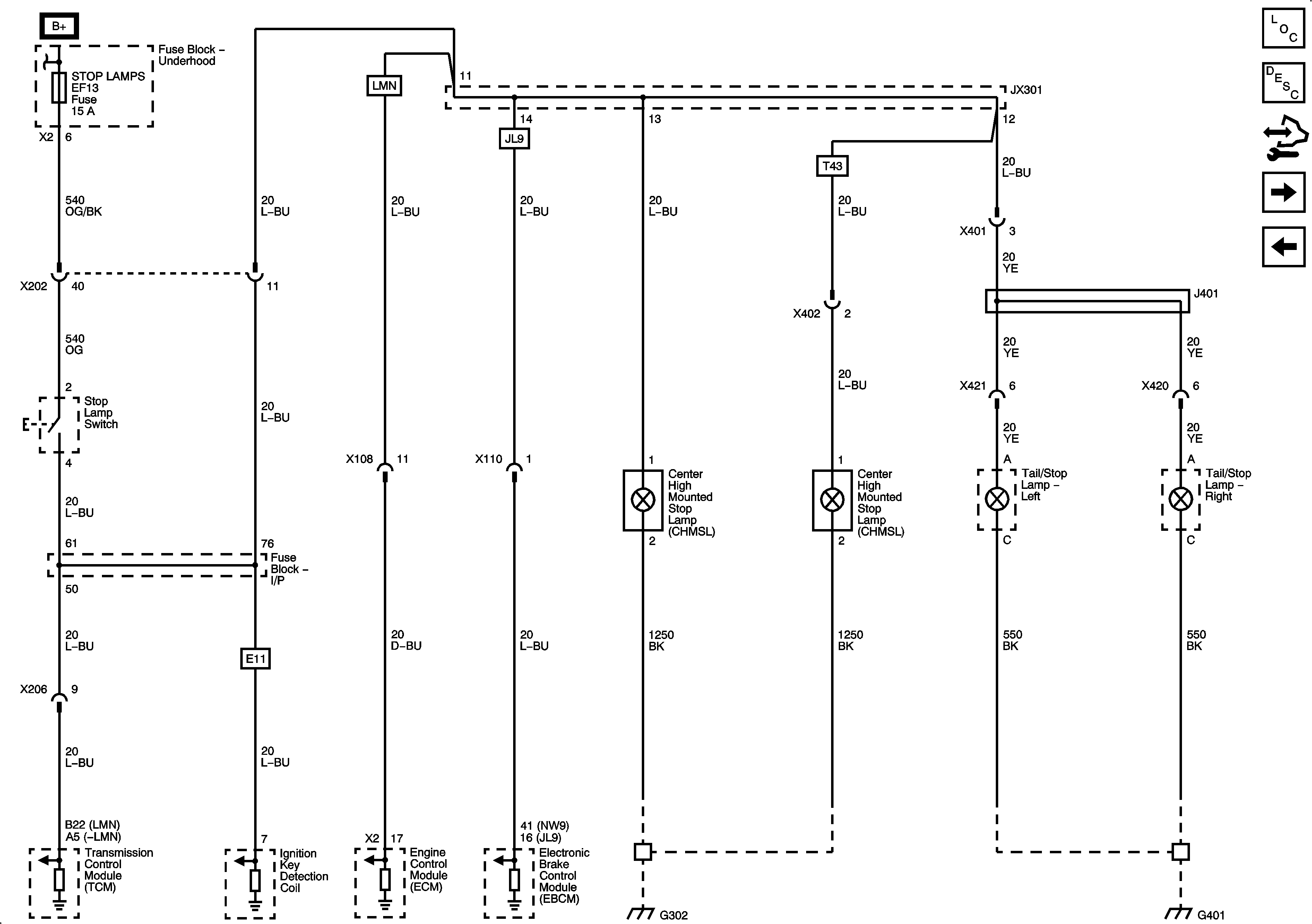
Figure 6:

Stop Lamps - Station Wagon


Object Number: 2159164  Size: FS
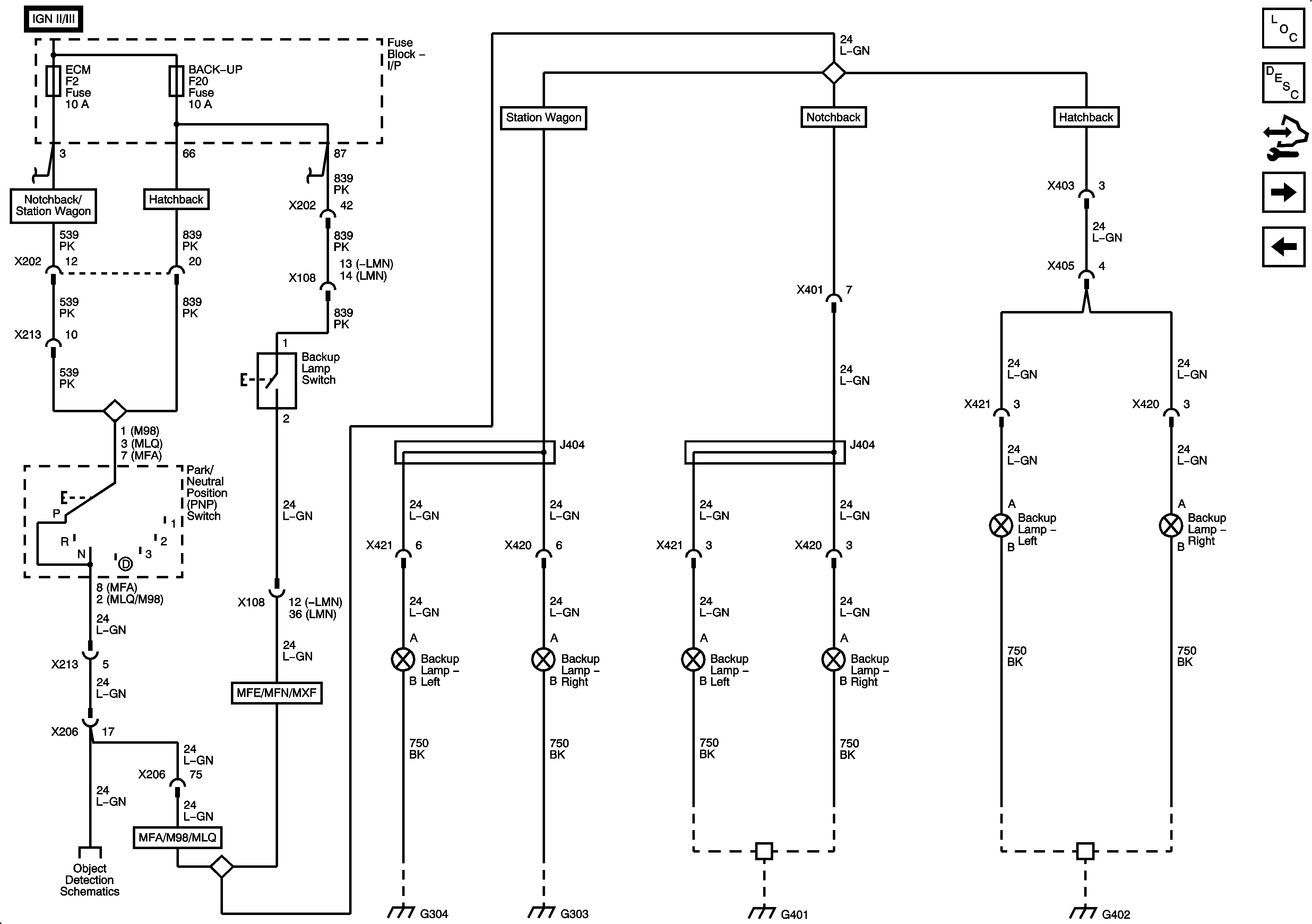
Figure 7:

Backup Lamps


Object Number: 2159165  Size: FS
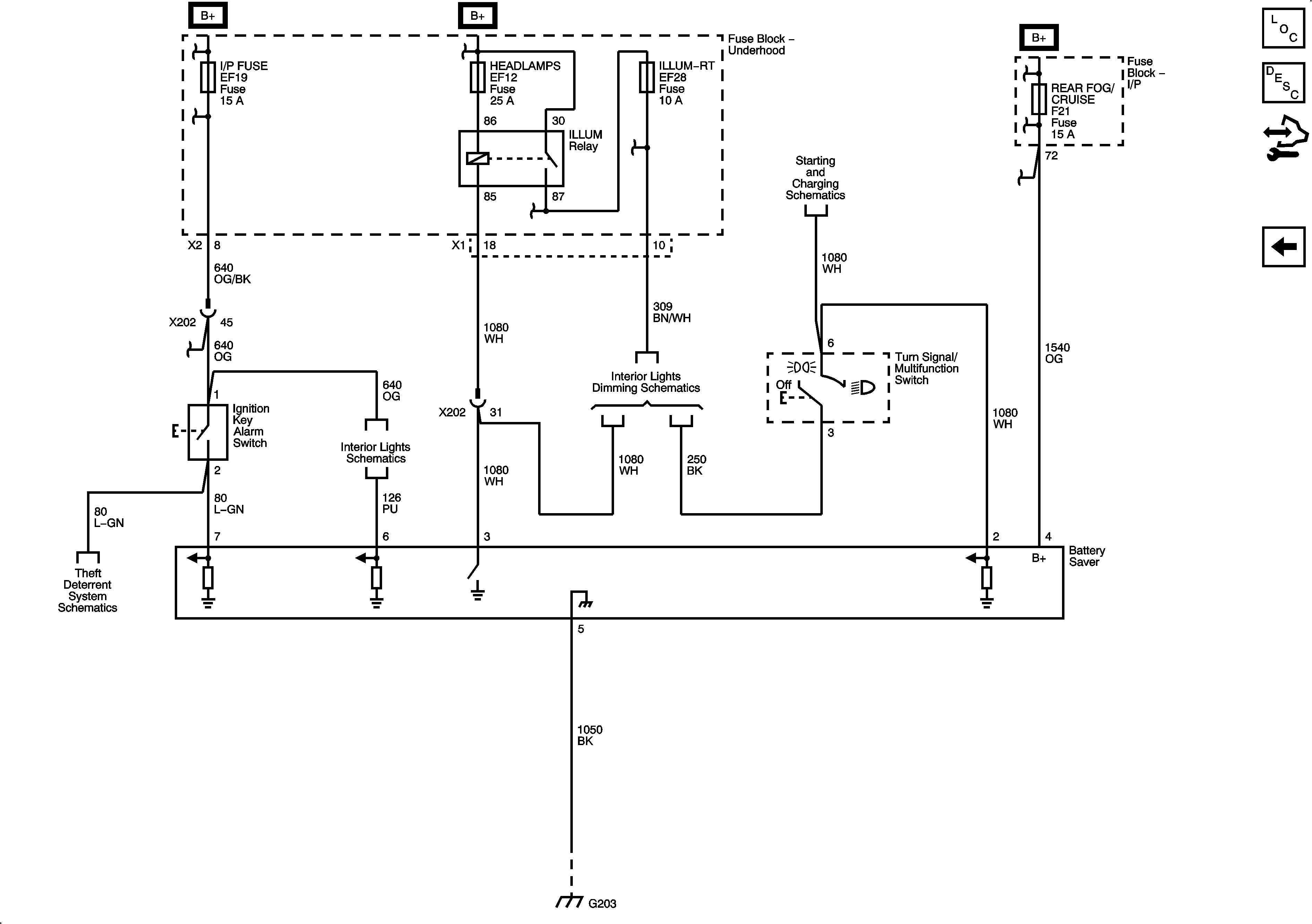
Figure 8:

Battery Saver


Object Number: 2159168  Size: FS