GM Service Manual Online
For 1990-2009 cars only
Makes
🢒
Holden
🢒
2009
🢒
Viva
🢒
Body Systems
🢒
Lighting
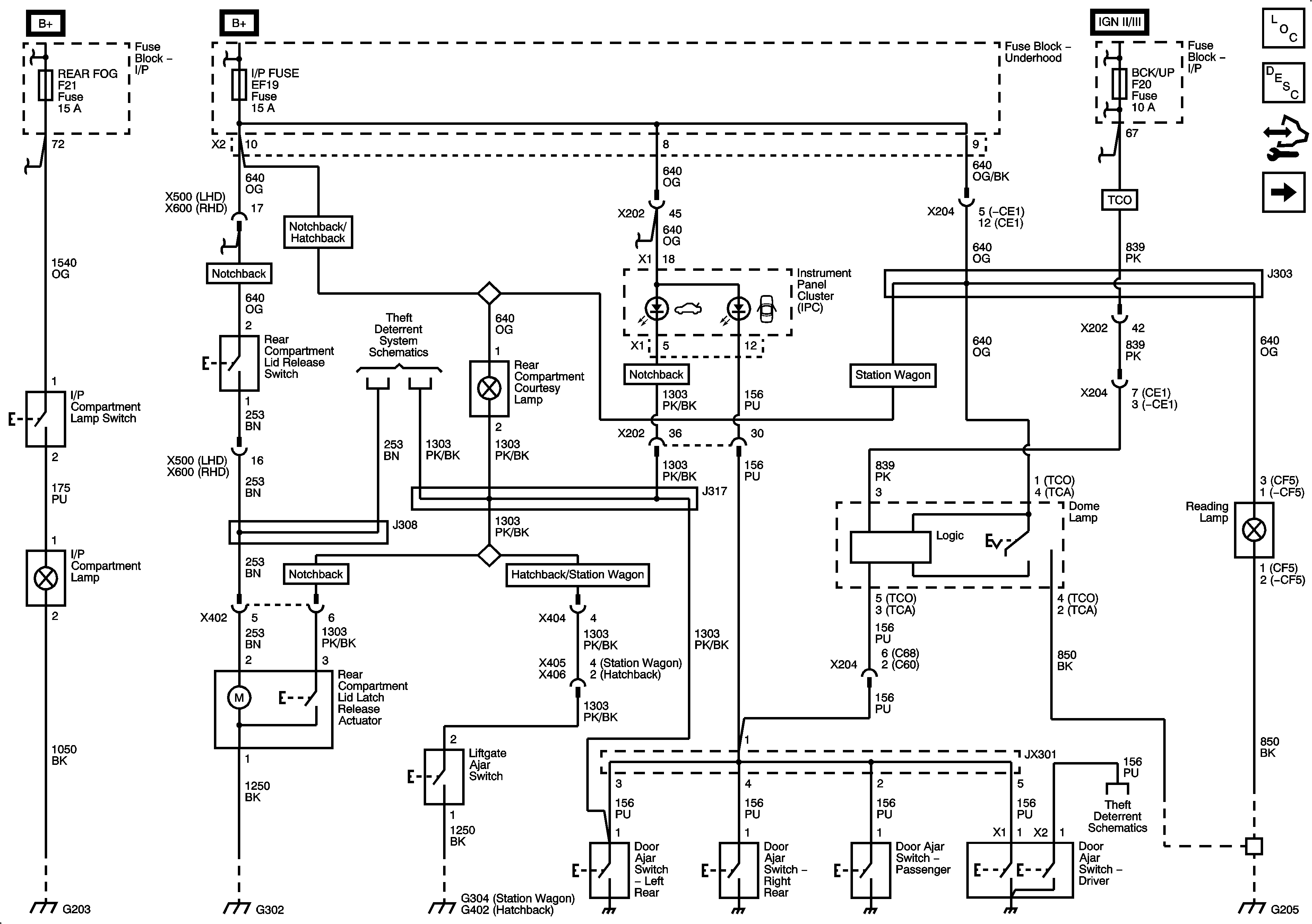
🢒 Interior Lights Schematics
Figure
1:
Interior Lights
Figure
2:
I/P Illumination