GM Service Manual Online
For 1990-2009 cars only
Figure 1:

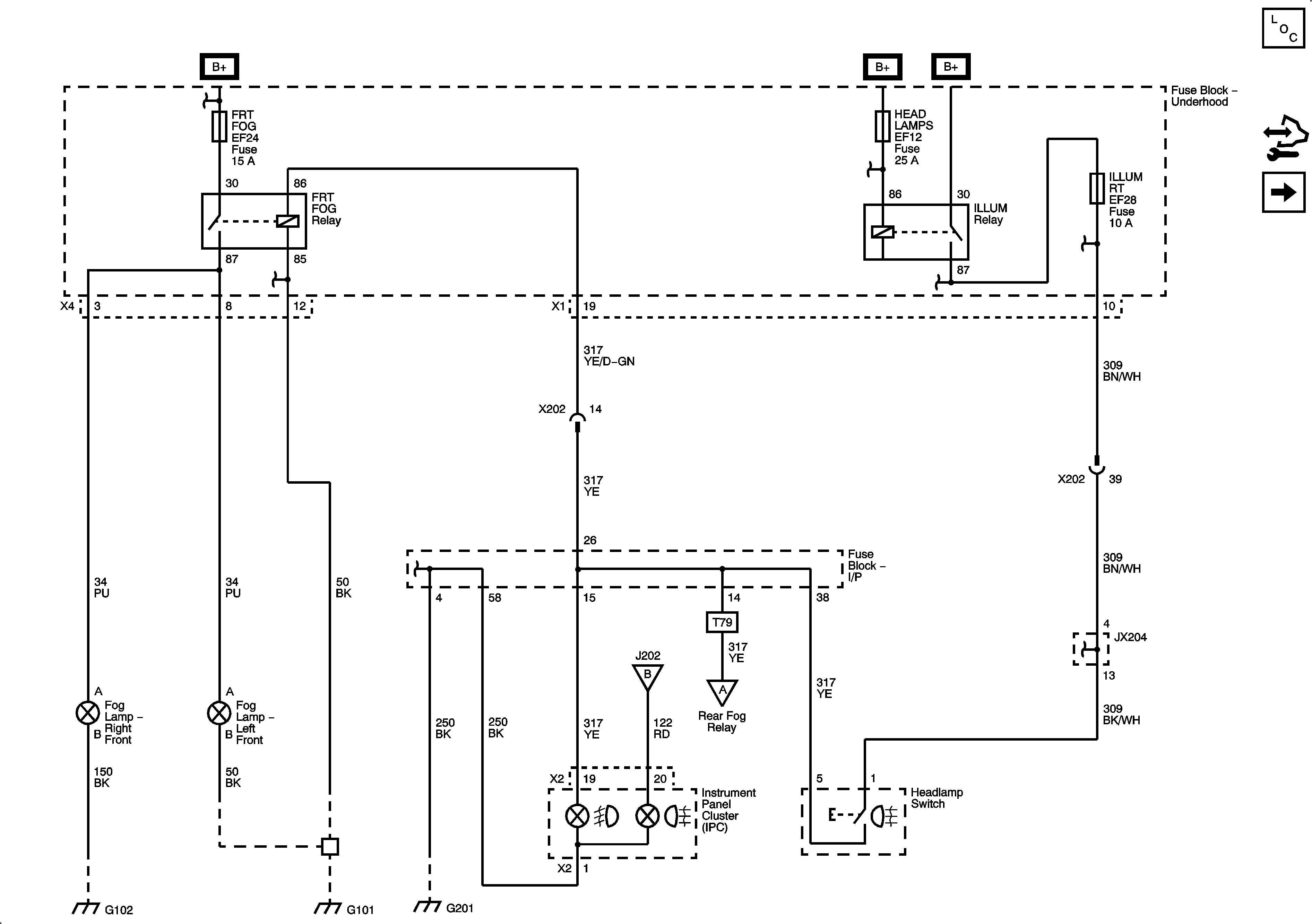
Front - North America


Object Number: 2159169  Size: FS
Figure 2:

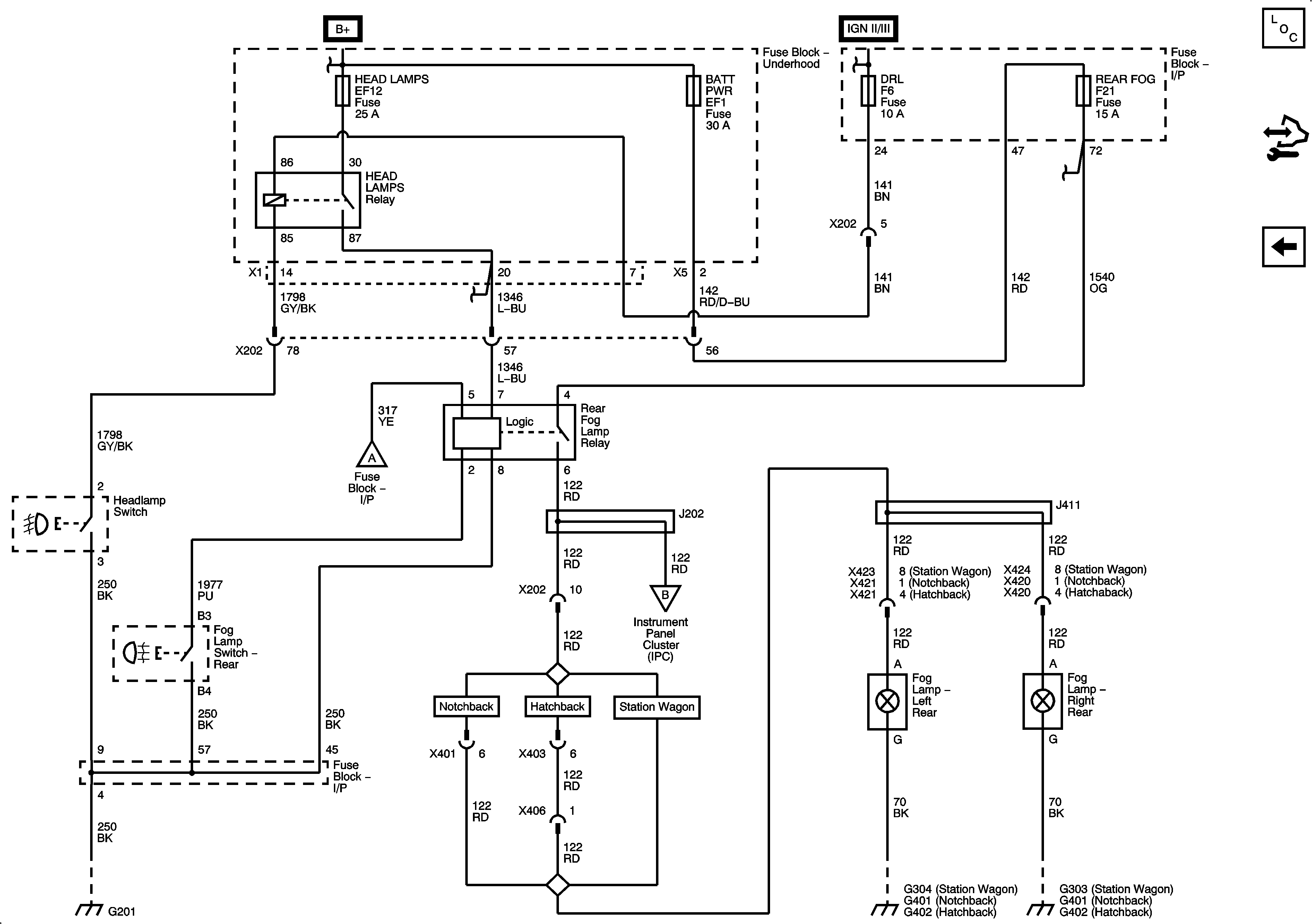
Front Fog Lamps - LHD Except North America


Object Number: 2159171  Size: FS
Figure 3:

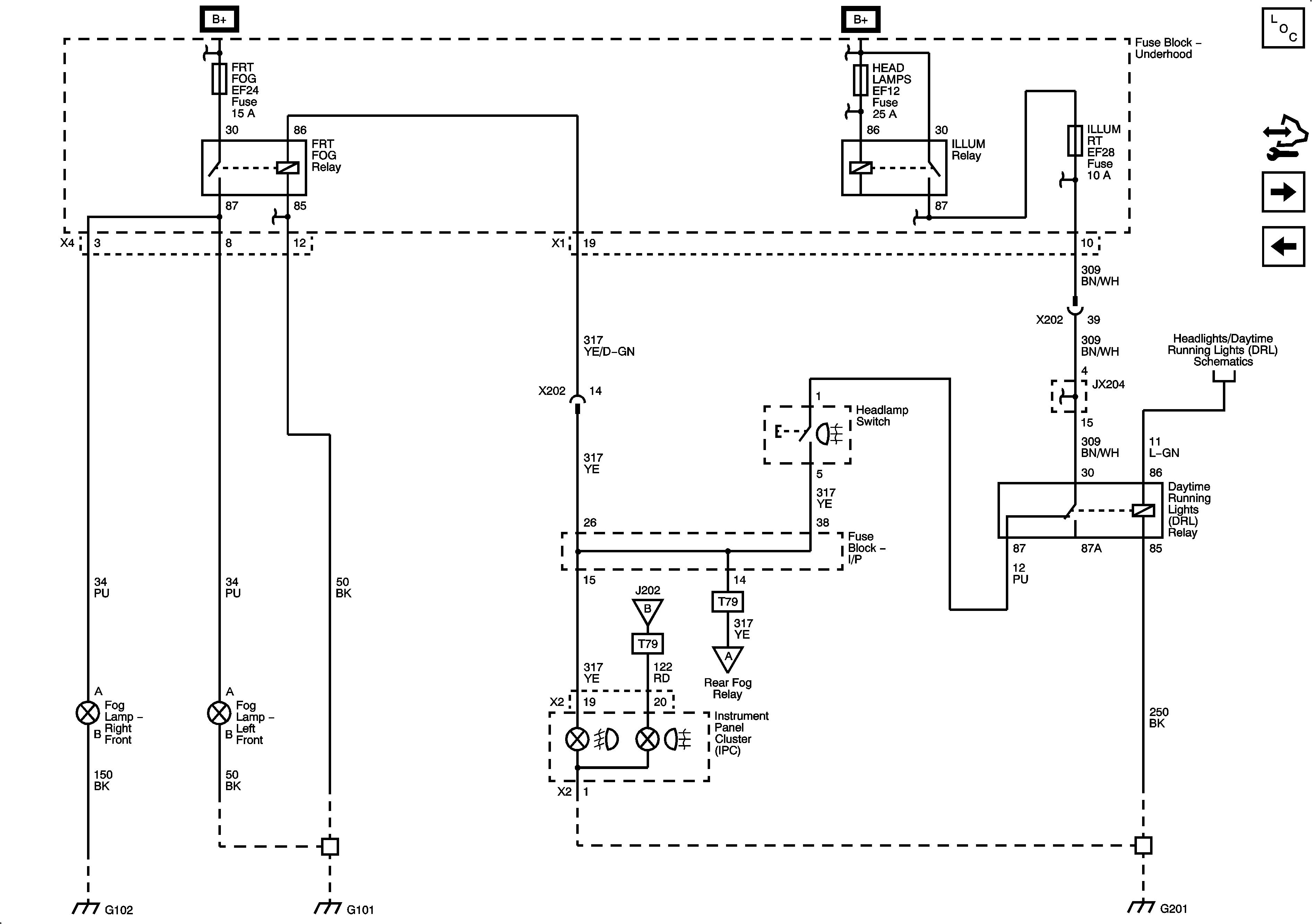
Rear Fog Lamps


Object Number: 2159172  Size: FS