GM Service Manual Online
For 1990-2009 cars only
Makes
🢒
Holden
🢒
2009
🢒
Viva
🢒
Body Systems
🢒
Vehicle Access
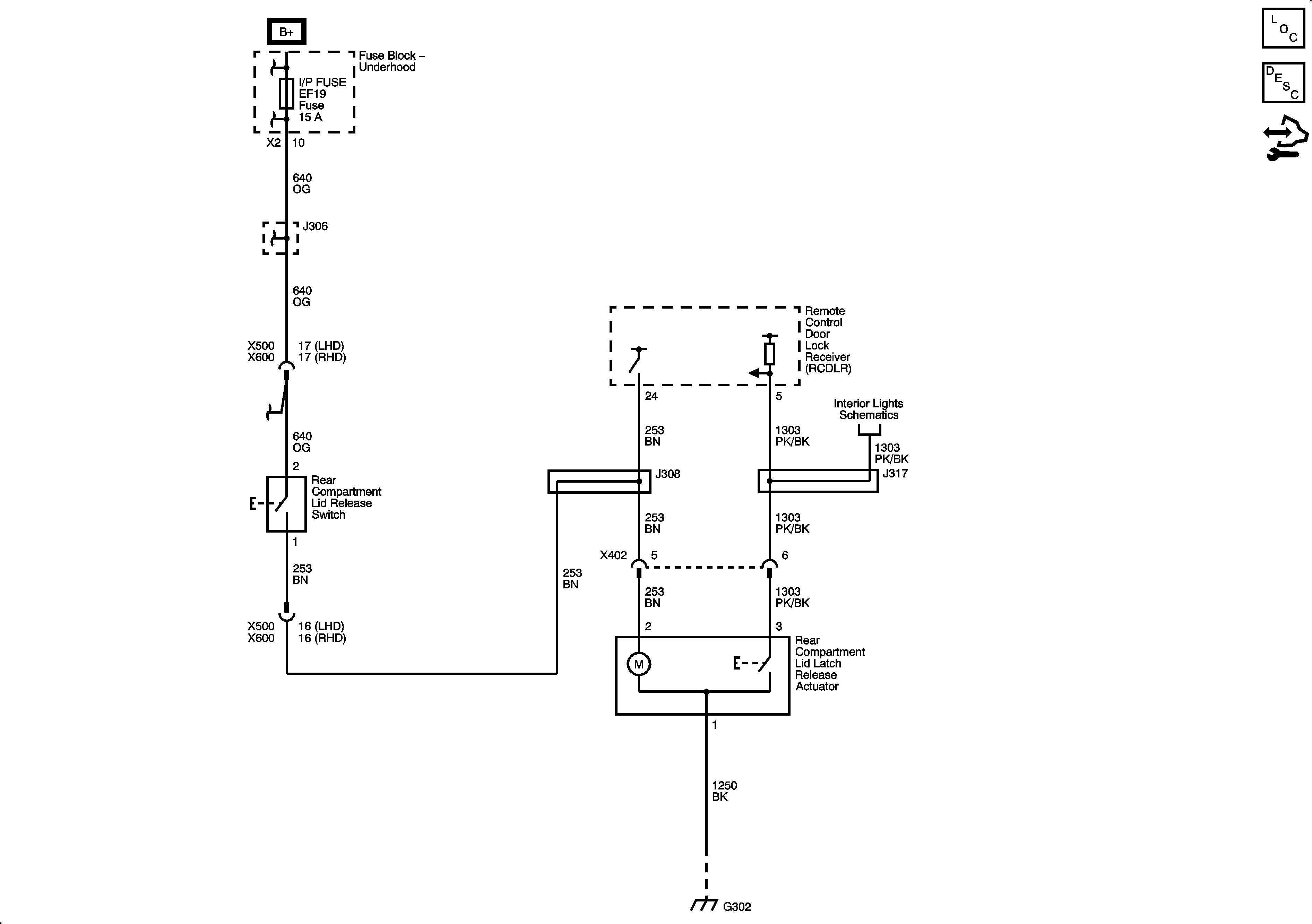
🢒 Release Systems Schematics
Release Systems