GM Service Manual Online
For 1990-2009 cars only
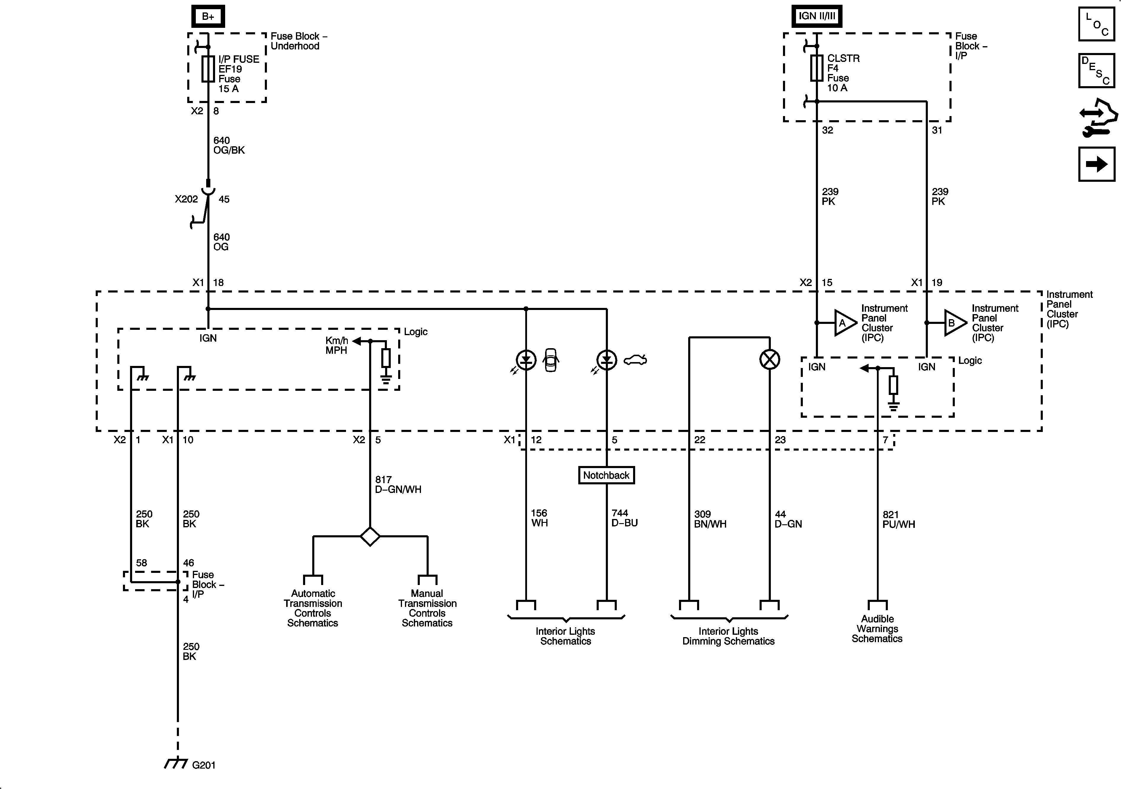
Figure 1:

Power, Ground, I/P Illumination, and Door Open Indicators


Object Number: 2159332  Size: FS
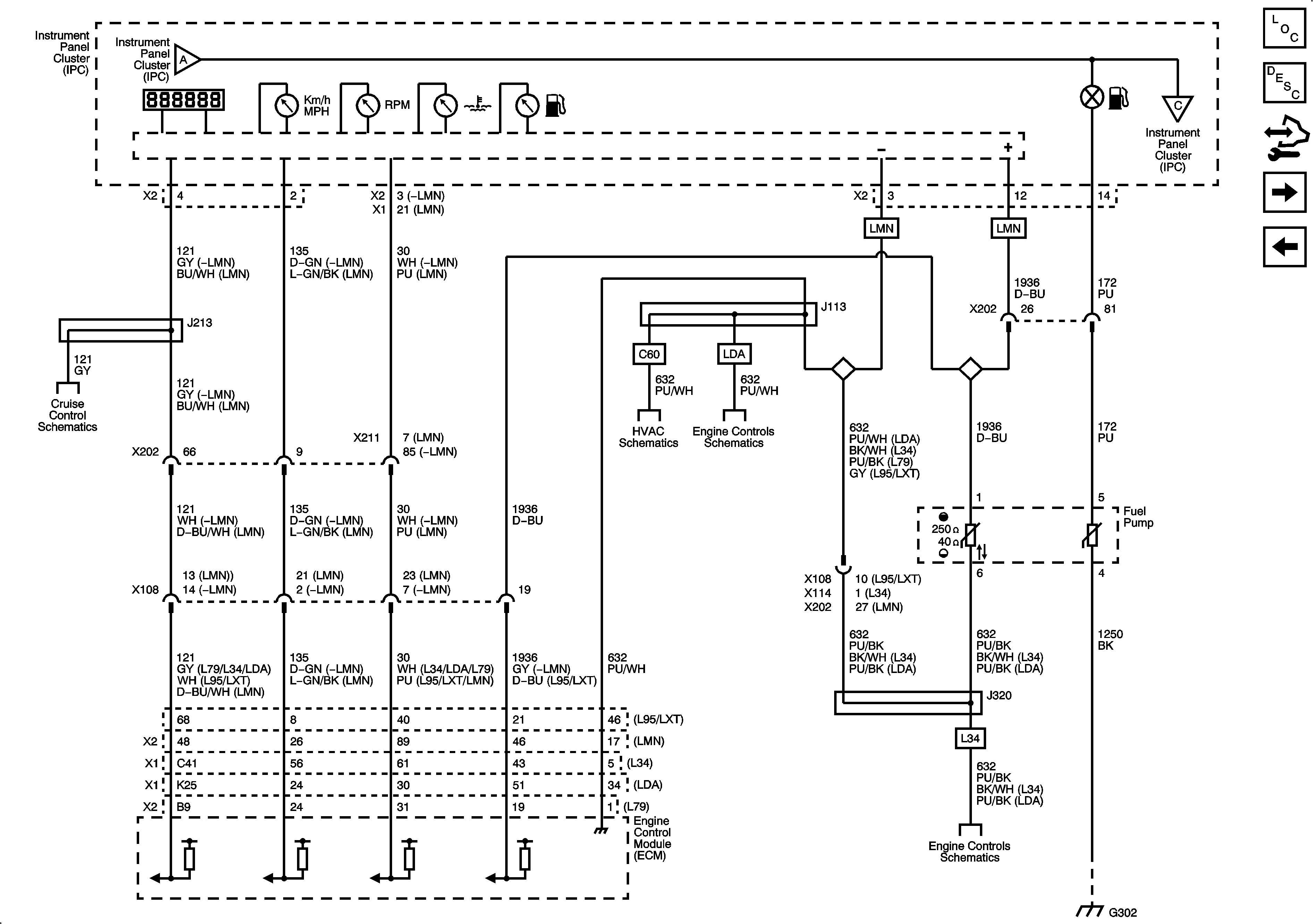
Figure 2:

Gauges


Object Number: 2159336  Size: FS
Figure 3:

Power Steering, Shift Program, Air Bags, TPMS, ABS, TCS, Park Brake, and Charging Warning Lamps


Object Number: 2159339  Size: FS
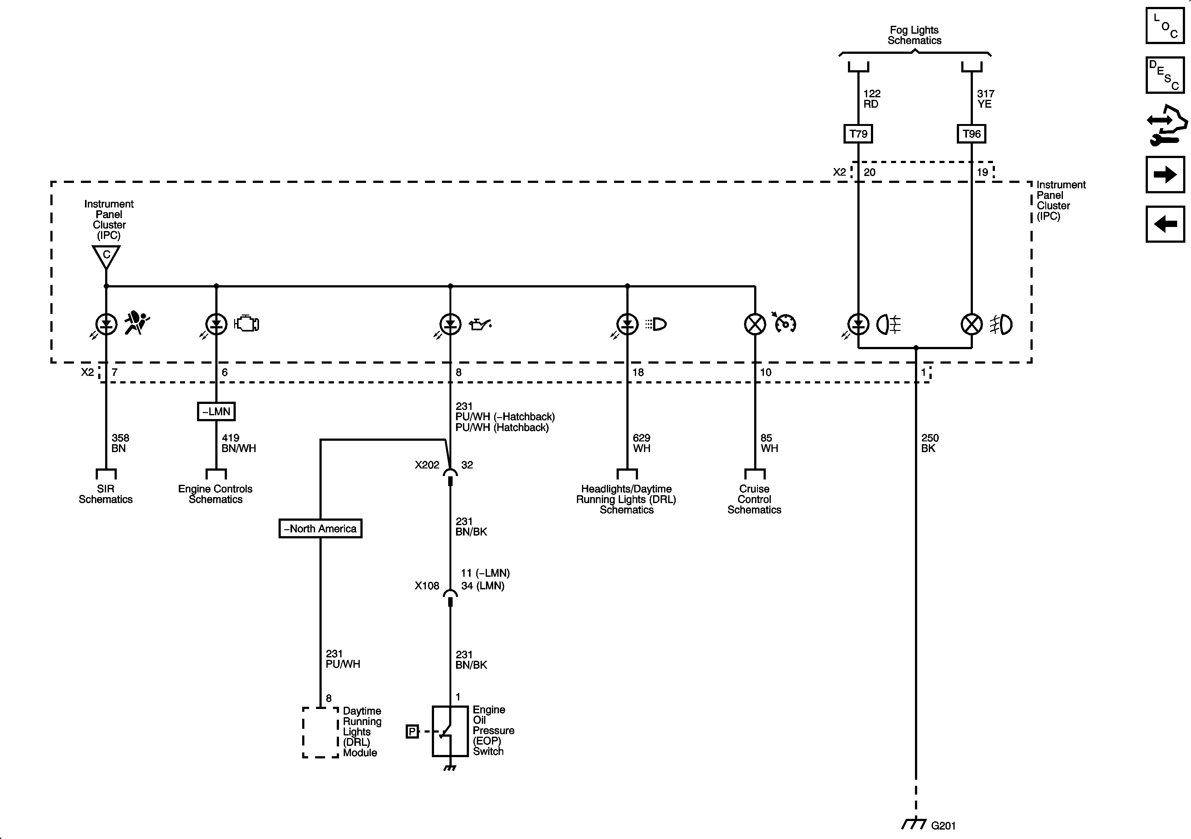
Figure 4:

Air Bag, MIL Lamp, Oil Pressure, DRL, Cruise, and Fog Indicators


Object Number: 2159341  Size: FS
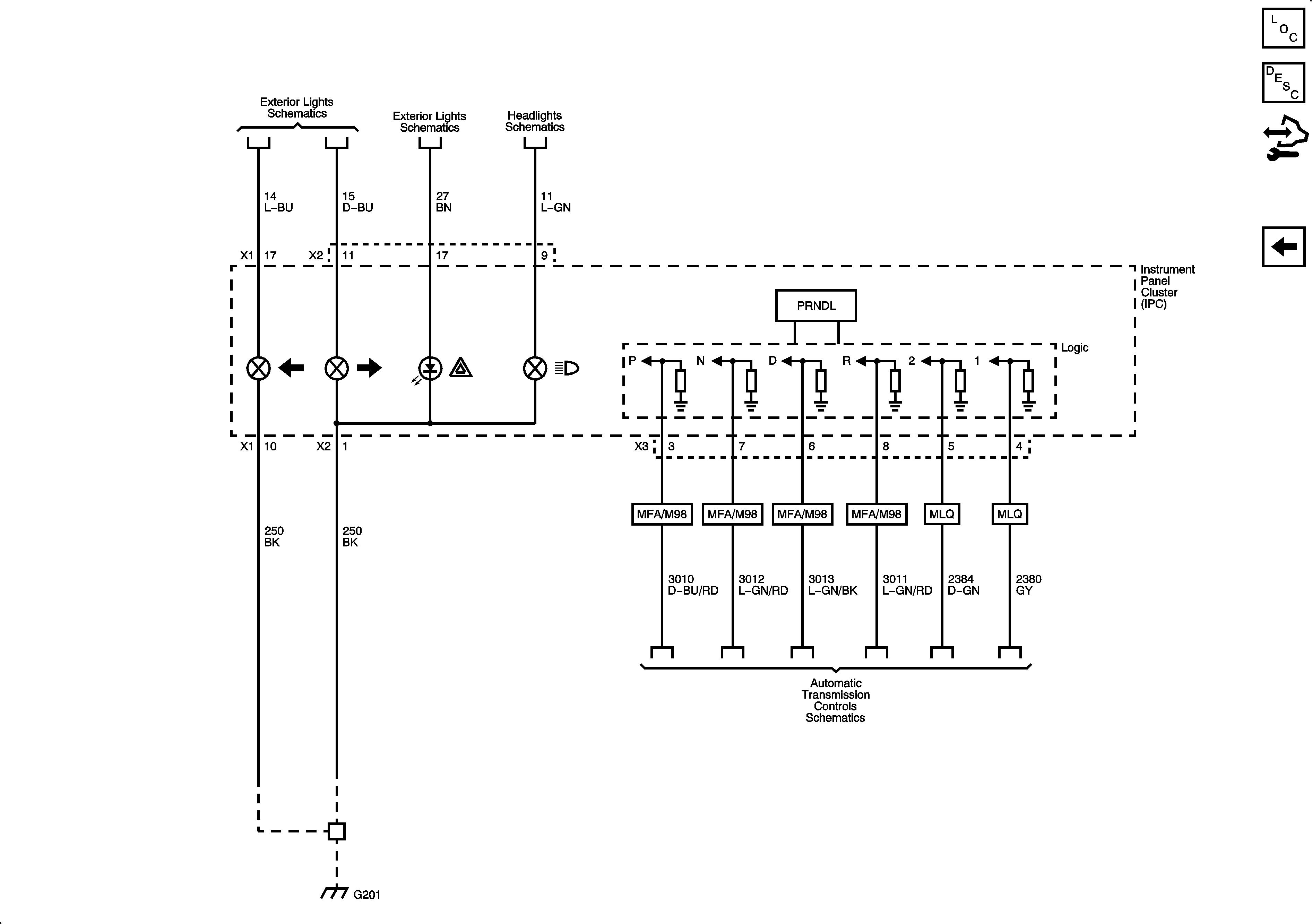
Figure 5:

Turn Signal, Hazard, High Beam Indicator - PRNDL Illumination


Object Number: 2159342  Size: FS