GM Service Manual Online
For 1990-2009 cars only
Makes
🢒
Holden
🢒
2009
🢒
Viva
🢒
Transmission
🢒
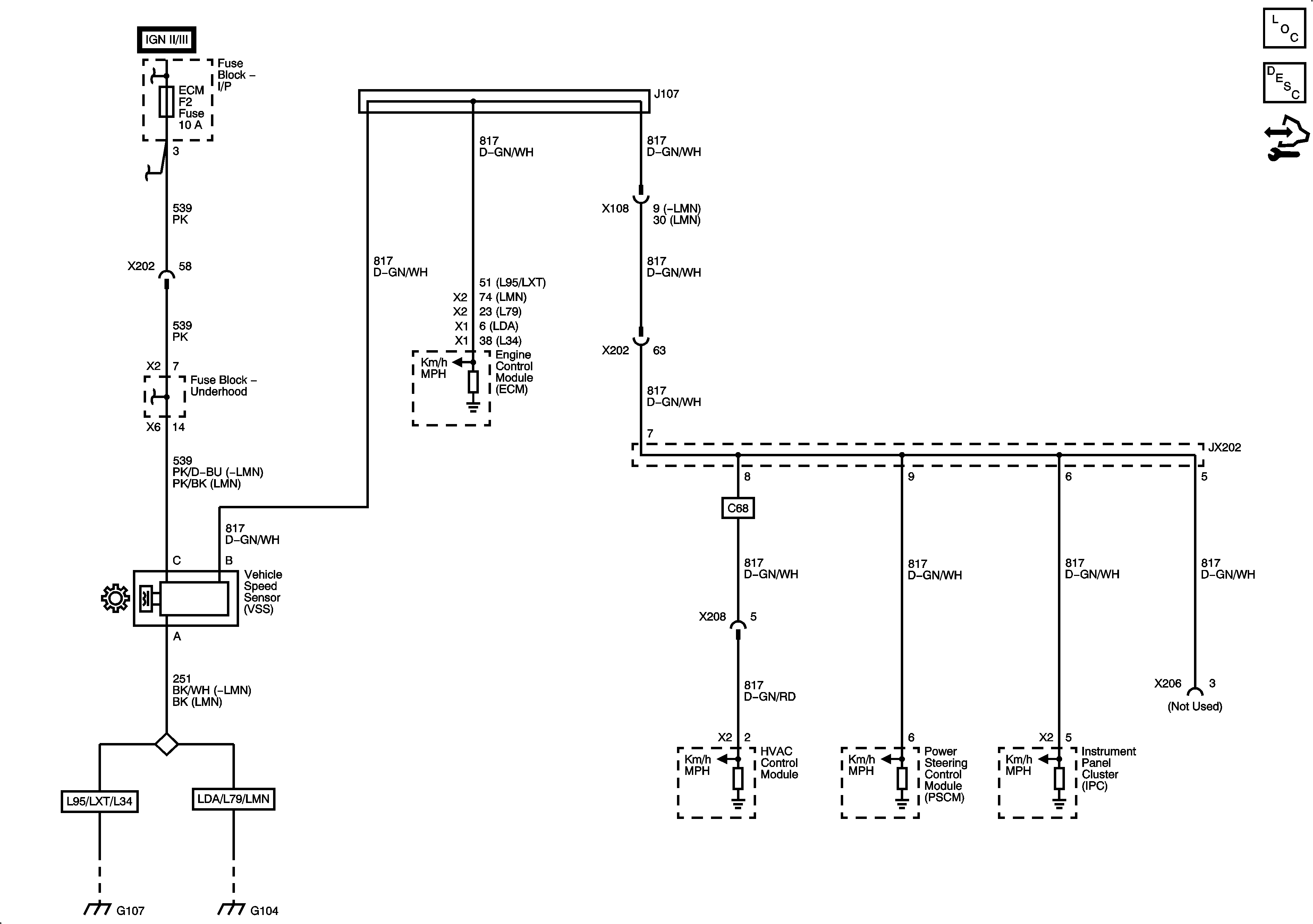
Manual Transmission - D16
🢒 Manual Transmission Schematics
D16