GM Service Manual Online
For 1990-2009 cars only
Makes
🢒
Holden
🢒
2009
🢒
Viva
🢒
Power and Signal Distribution
🢒
Wiring Systems and Power Management
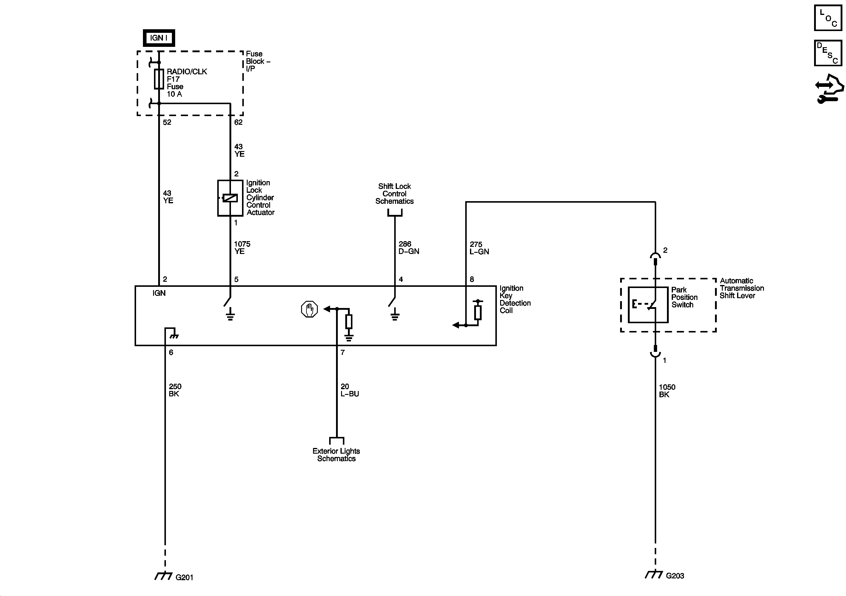
🢒 Ignition Lock Schematics
Ignition Lock Schematics