GM Service Manual Online
For 1990-2009 cars only
Figure 1:

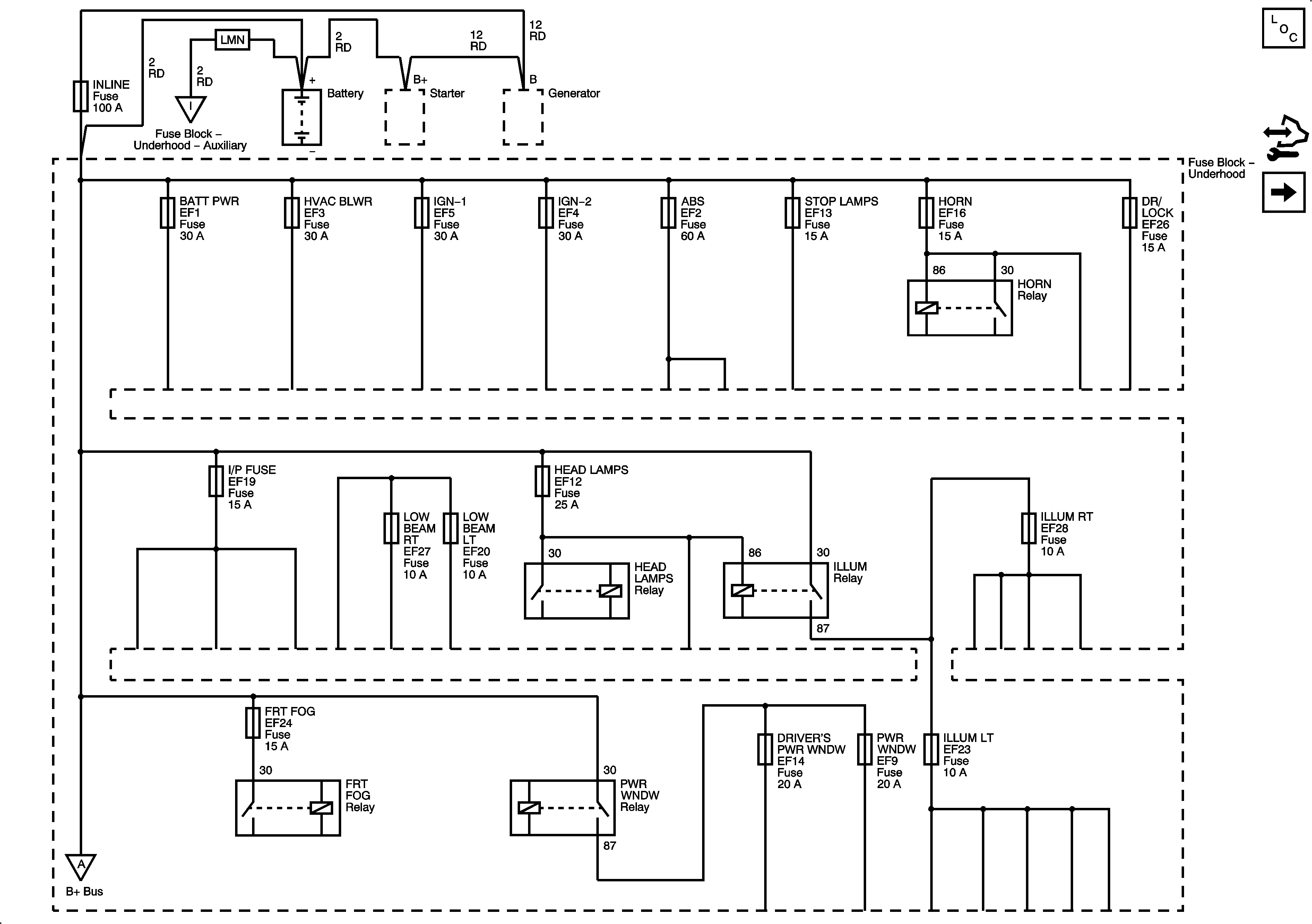
Fuse Block - Underhood B+ Bus, 1 of 3


Object Number: 2159373  Size: FS
Figure 2:

Fuse Block - Underhood B+ Bus, 2 of 3


Object Number: 2159377  Size: FS
Figure 3:

Fuse Block - Underhood B+ Bus, 3 of 3 and Auxiliary Fuse Block


Object Number: 2159379  Size: FS
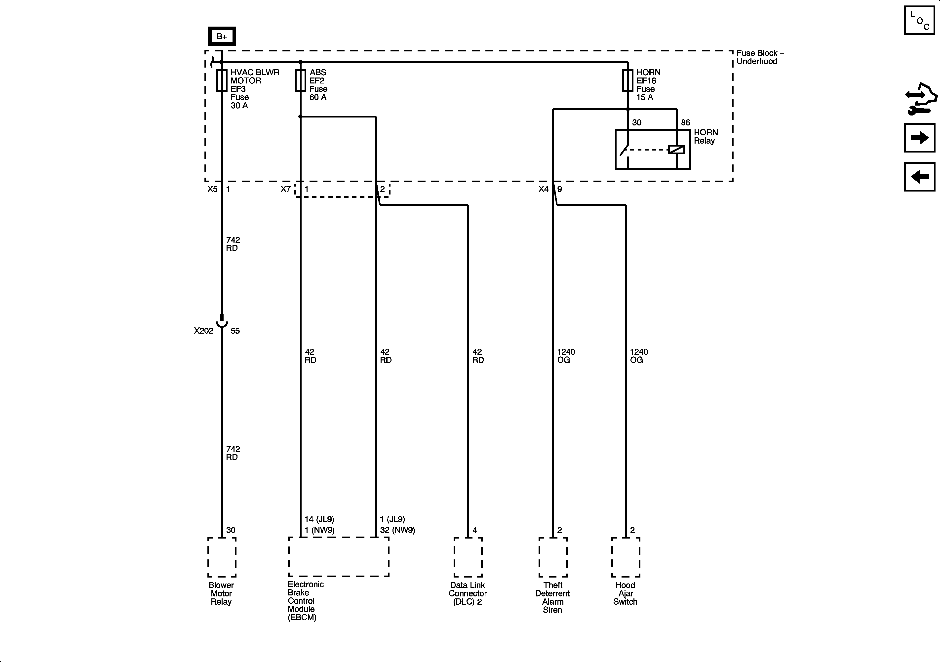
Figure 4:

Fuse Block - Underhood HVAC BLWR, ABS, and HORN Fuses


Object Number: 2159382  Size: FS
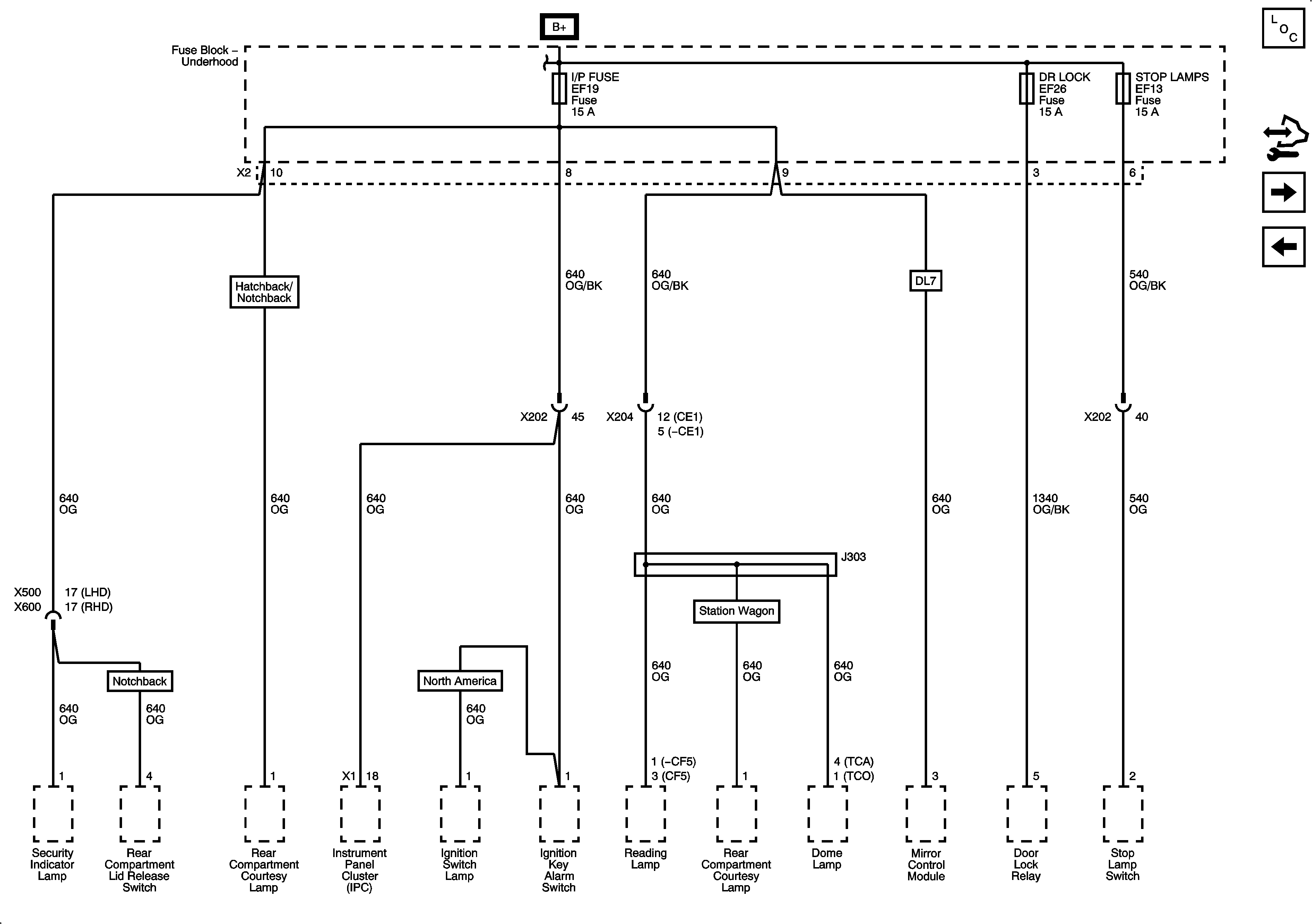
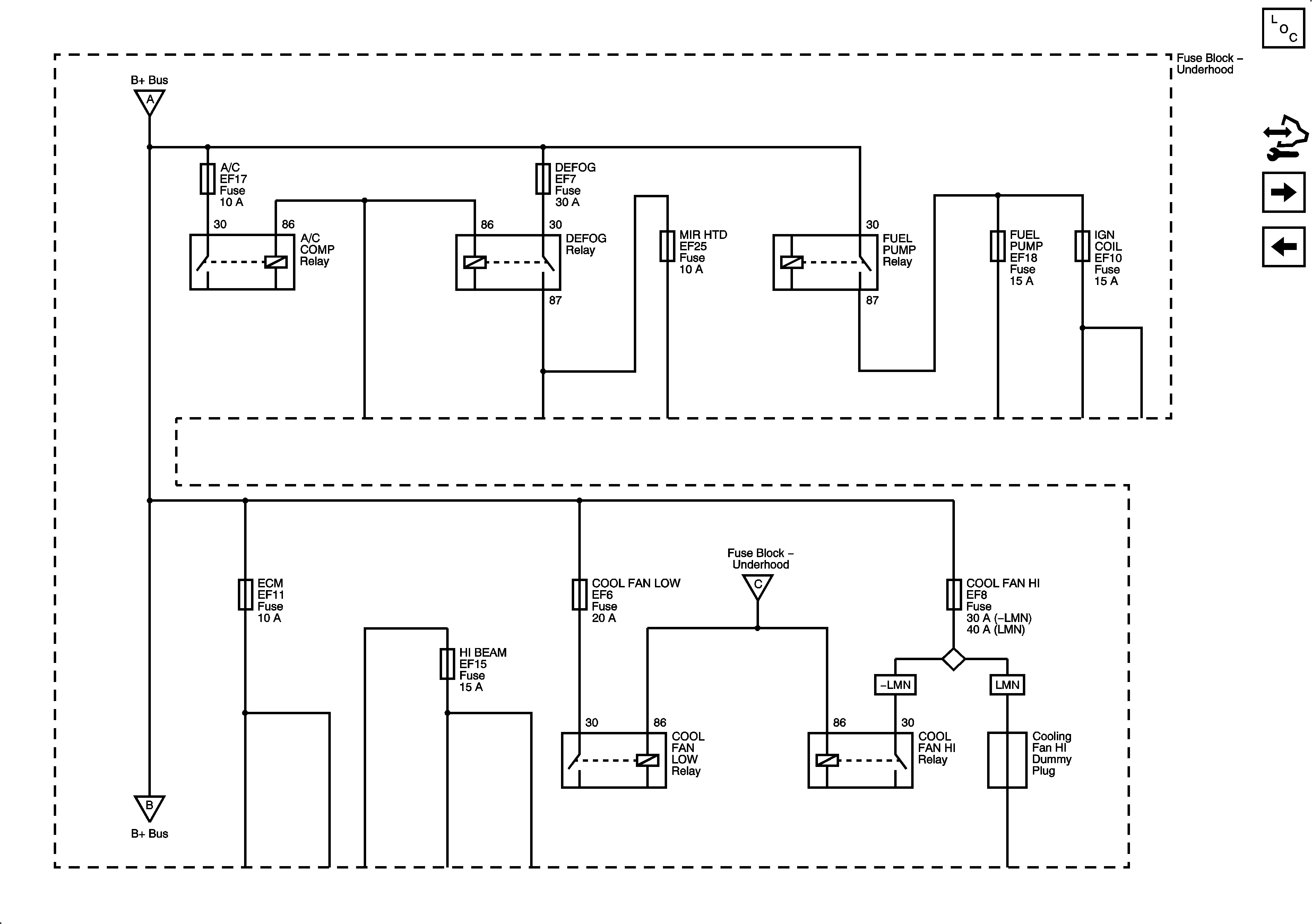
Figure 5:

Fuse Block - Underhood IP FUSE, DR LOCK and STOP LAMPS Fuses


Object Number: 2159387  Size: FS
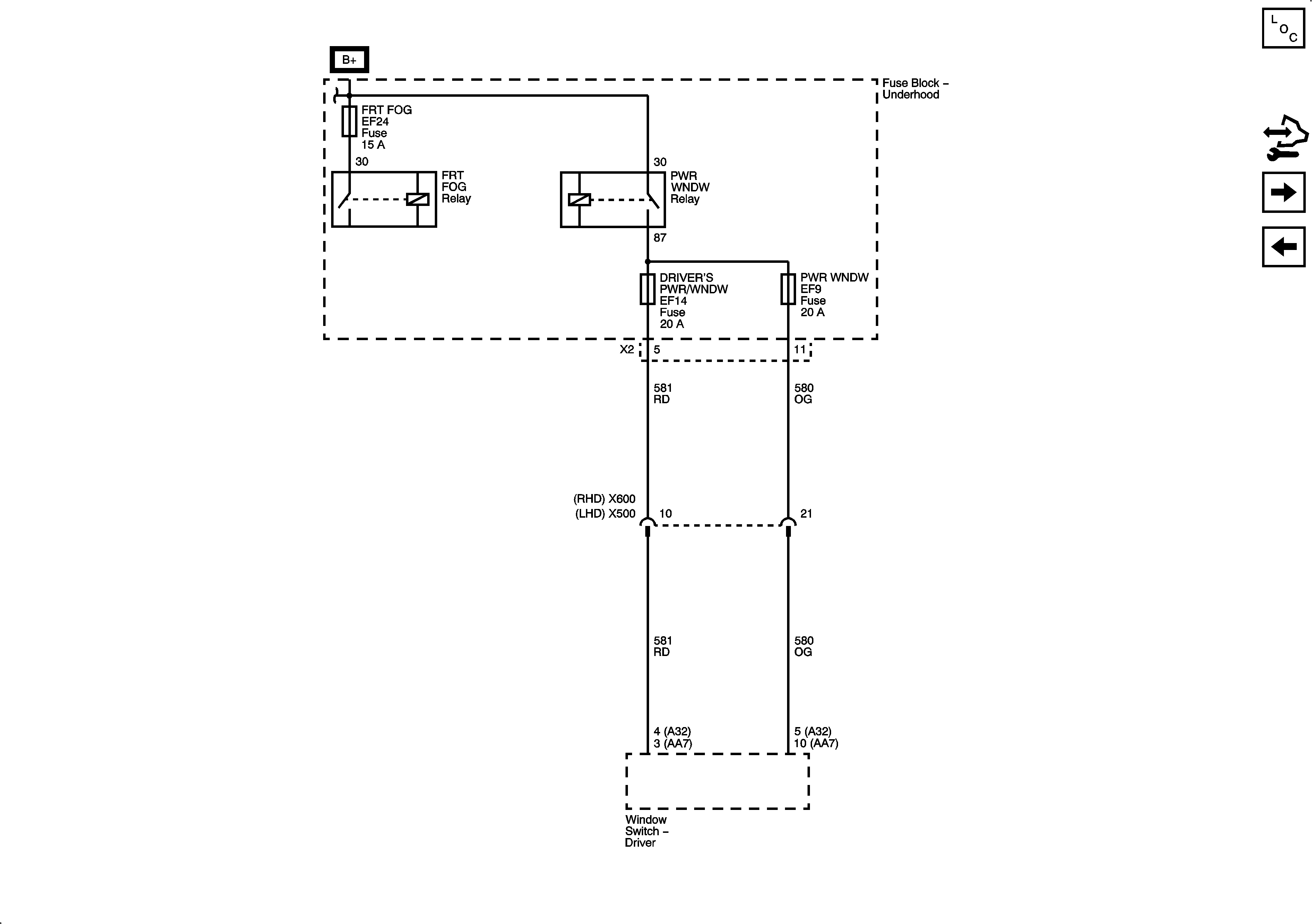
Figure 6:

Fuse Block - Underhood DRIVERS PWR/WNDW and PWR WNDW Fuses and PWR WNDW Relay


Object Number: 2159389  Size: FS
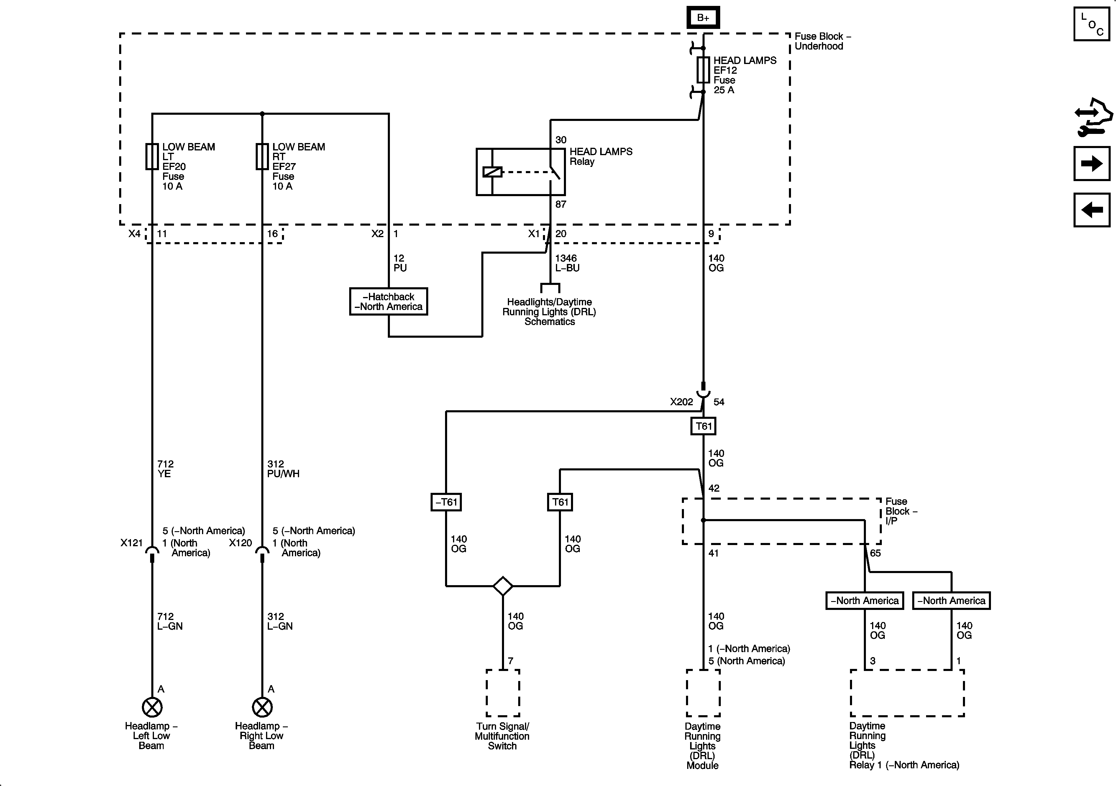
Figure 7:

Fuse Block-Underhood HEAD LAMPS, LOW BEAM LT, LOW BEAM RT Fuses and HEAD LAMPS Relay


Object Number: 2159391  Size: FS
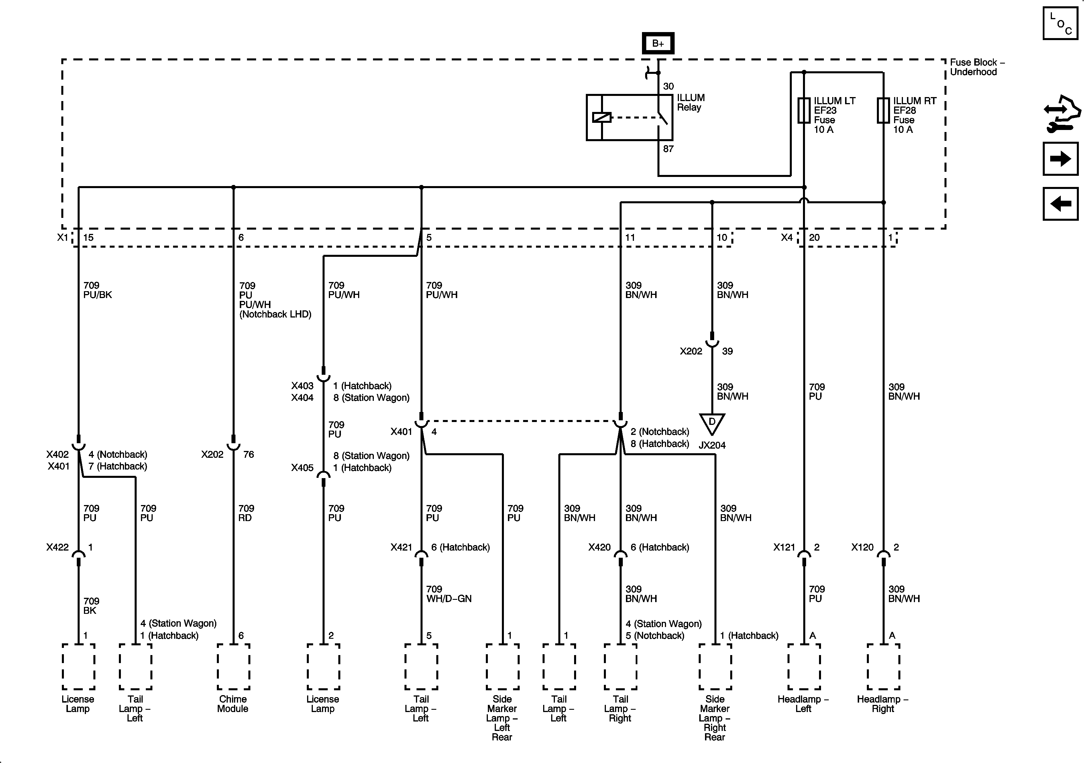
Figure 8:

Fuse Block - Underhood ILLUM LT and ILLUM RT Fuses and ILLUM Relay


Object Number: 2159396  Size: FS
Figure 9:

JX204


Object Number: 2159397  Size: FS
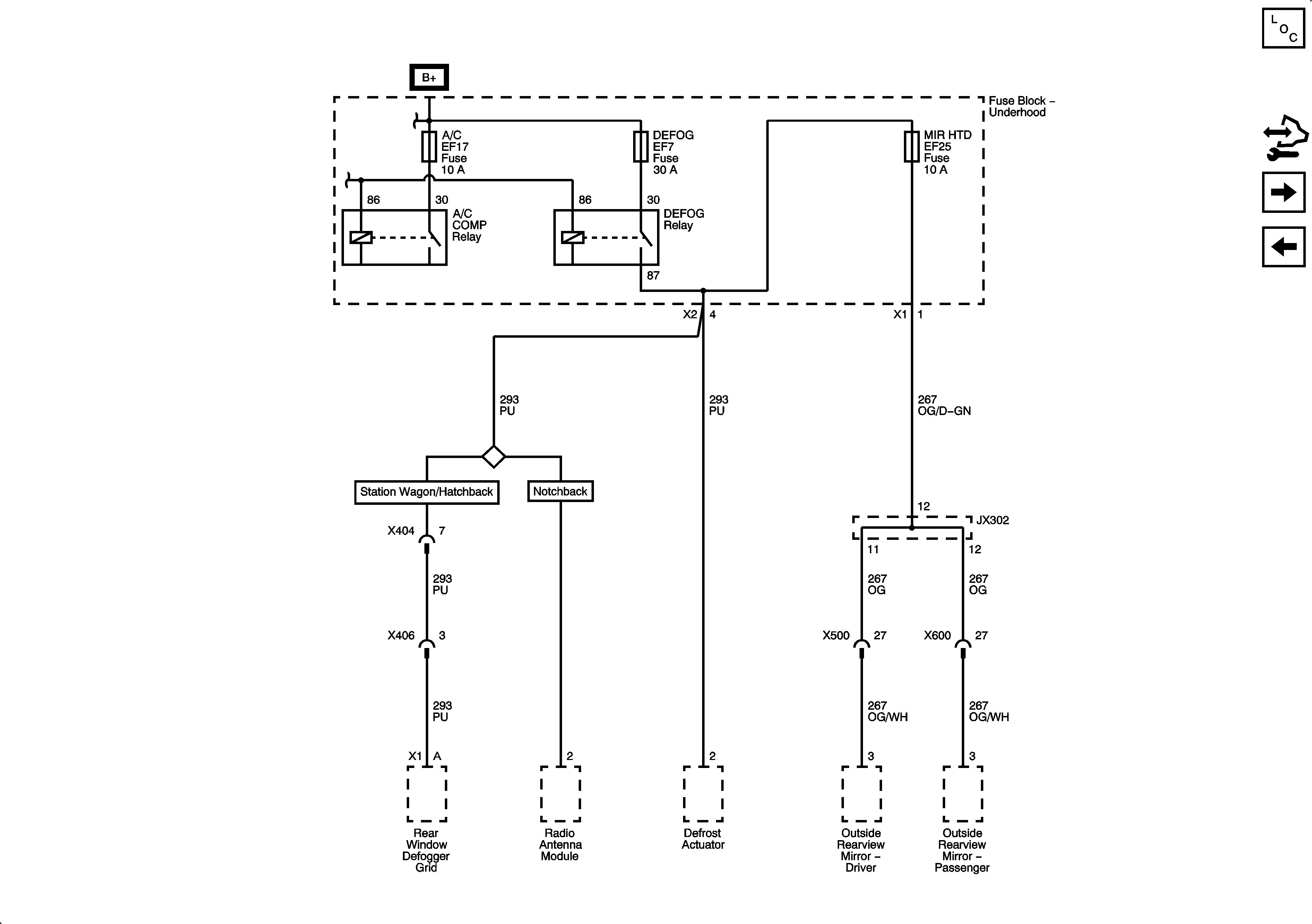
Figure 10:

Fuse Block - Underhood A/C, DEFOG and MIR HTD Fuses


Object Number: 2159399  Size: FS
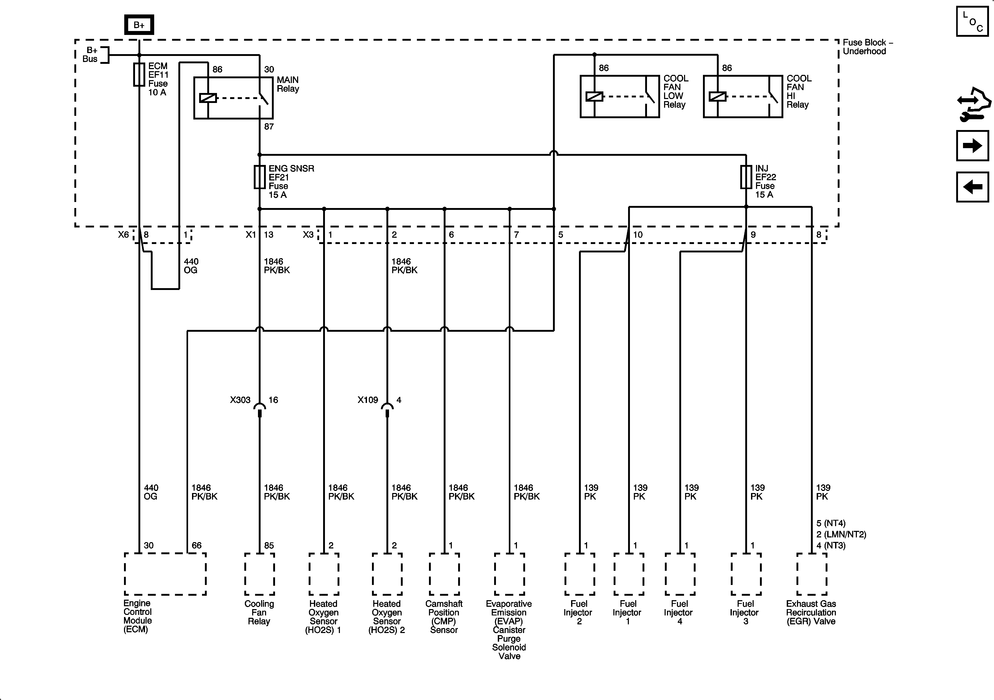
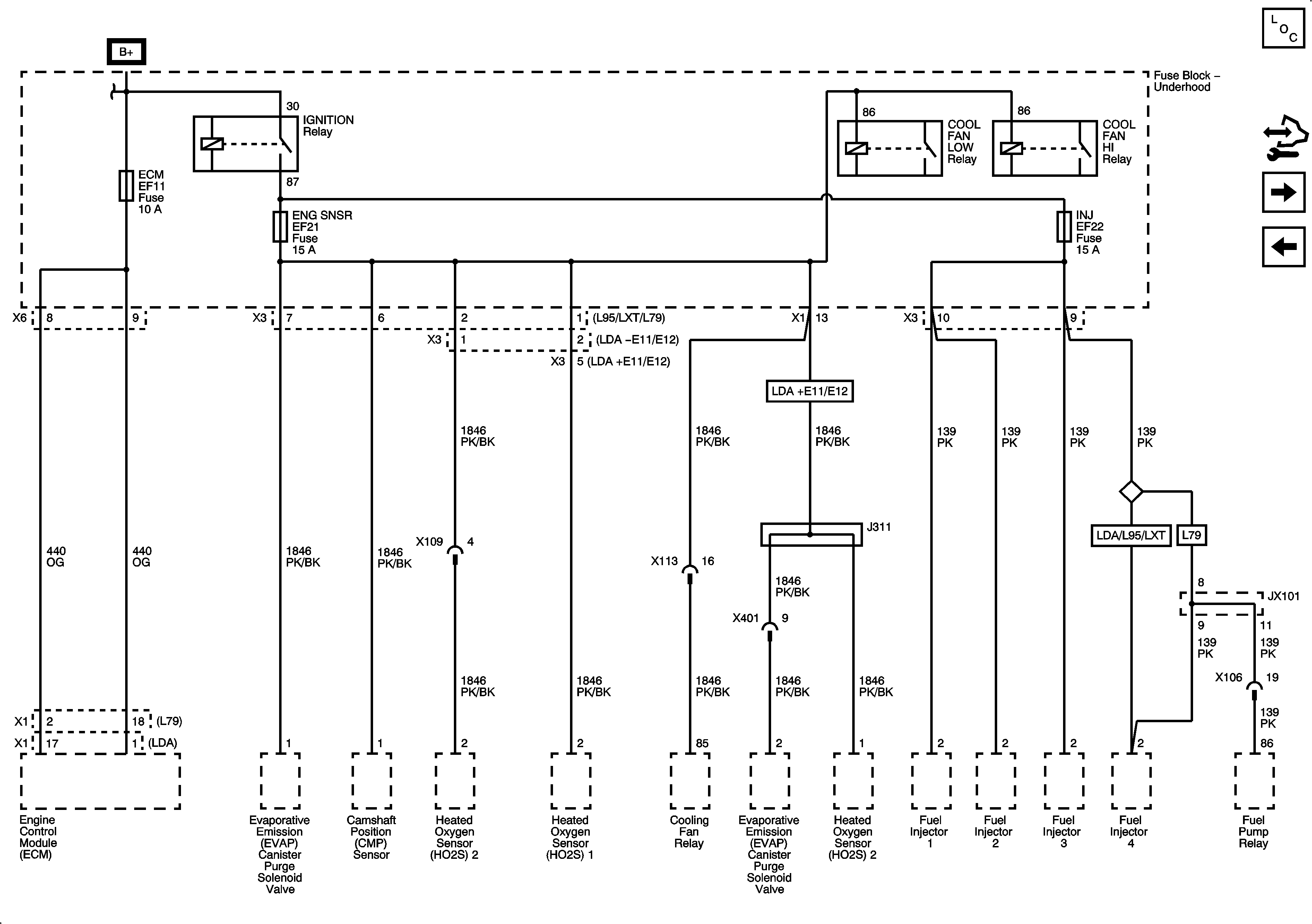
Figure 11:

Fuse Block - Underhood MAIN Relay, ECM, ENG SNSR and INJ Fuses - 1.6L


Object Number: 2159402  Size: FS
Figure 12:

Fuse Block - Underhood IGNITION Relay, ECM, ENG SNSR and INJ Fuses - 1.4L, 1.8L


Object Number: 2159404  Size: FS
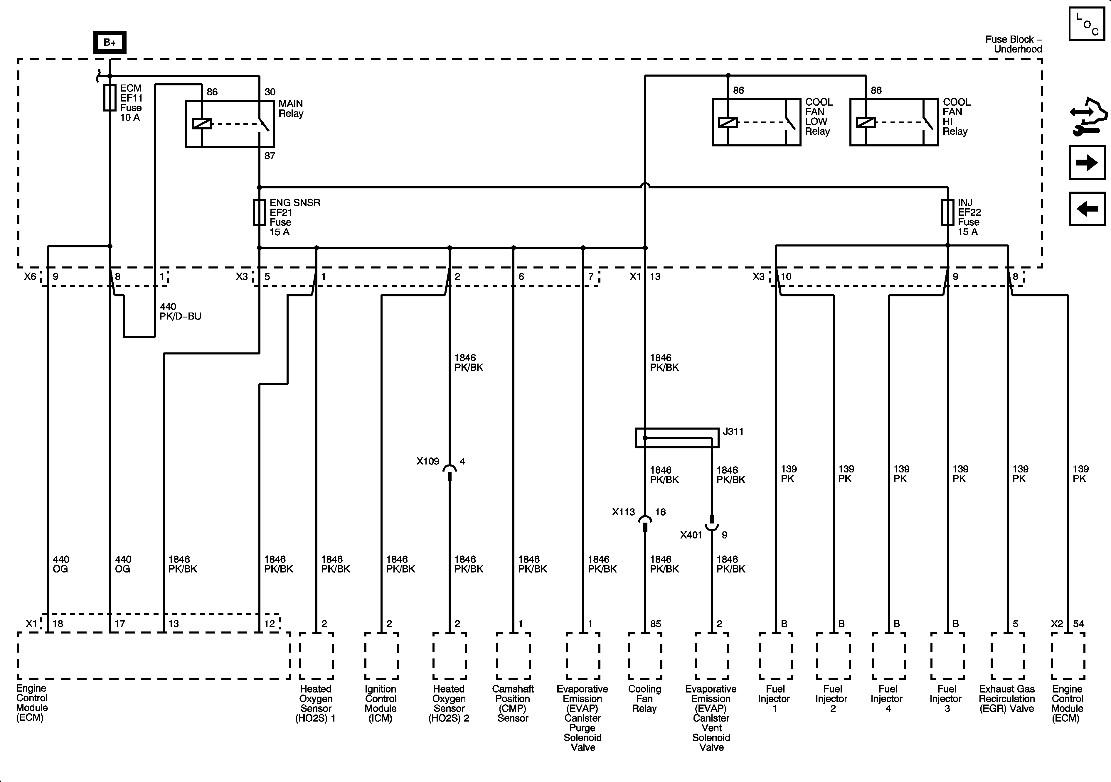
Figure 13:

Fuse Block - Underhood MAIN Relay, ECM, ENG SNSR and INJ Fuses - 2.0L (L34)


Object Number: 2159408  Size: FS
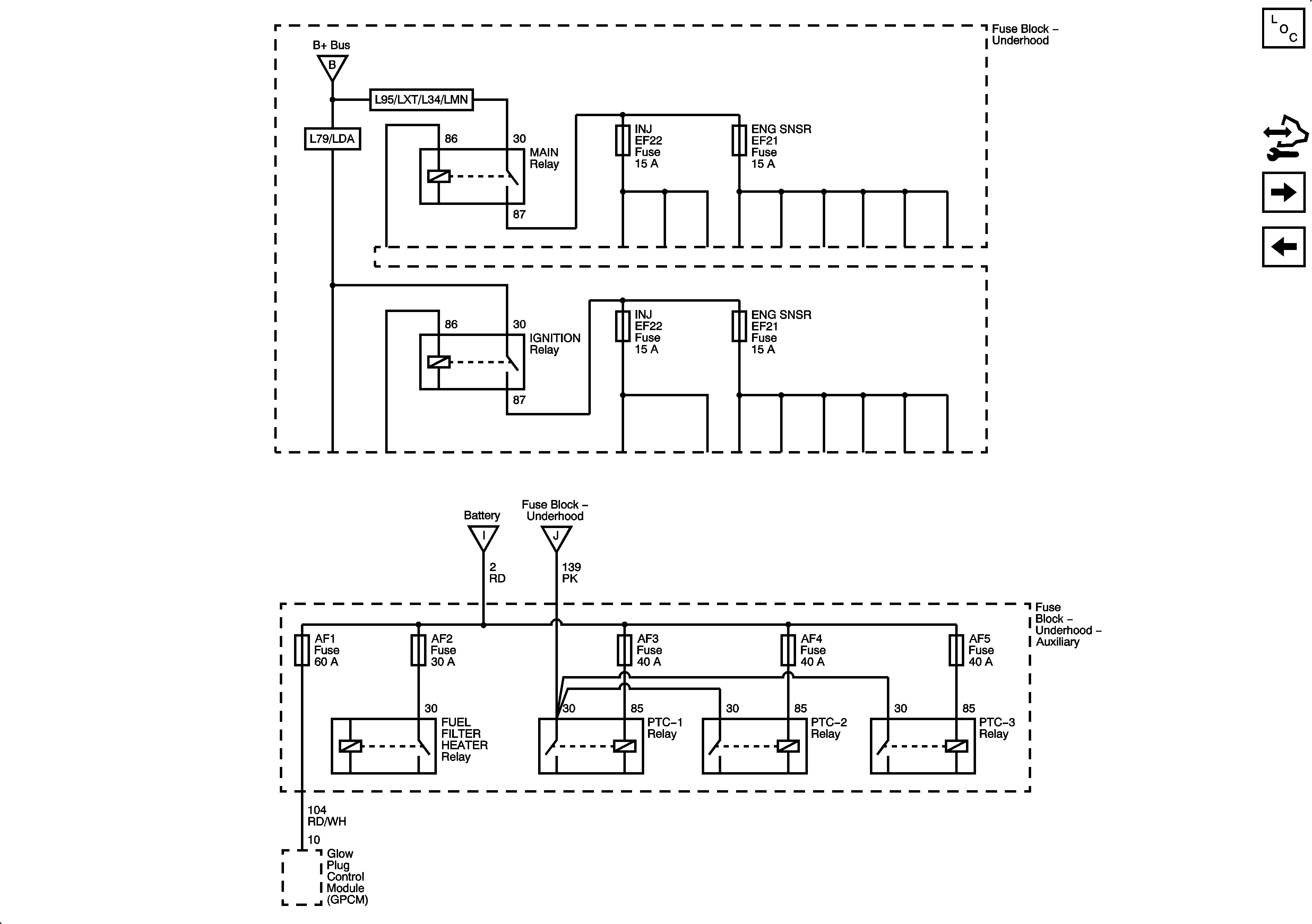
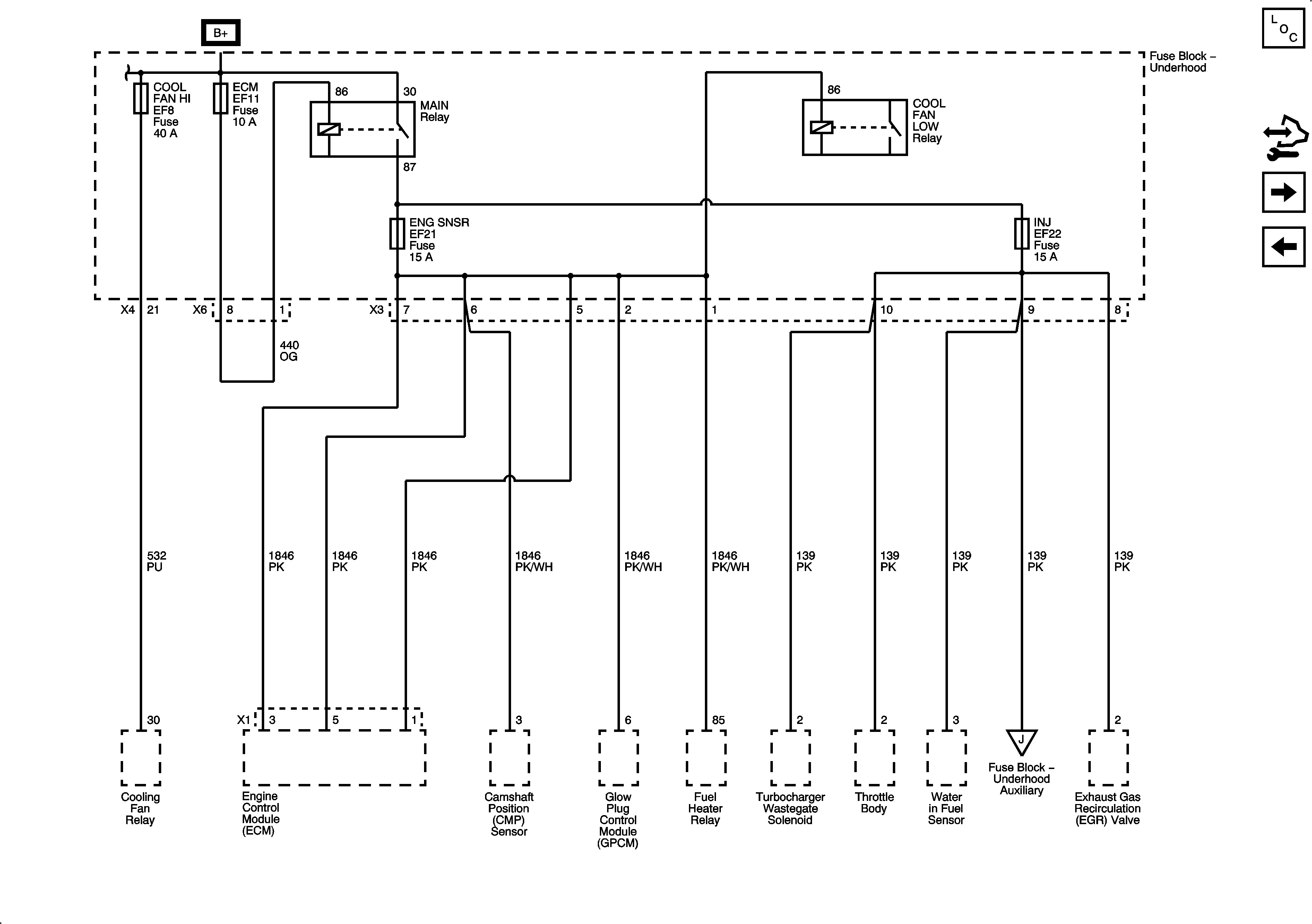
Figure 14:

Fuse Block - Underhood MAIN Relay, COOL FAN HI, ECM, ENG SNSR and INJ Fuses - 2.0L Diesel


Object Number: 2159412  Size: FS
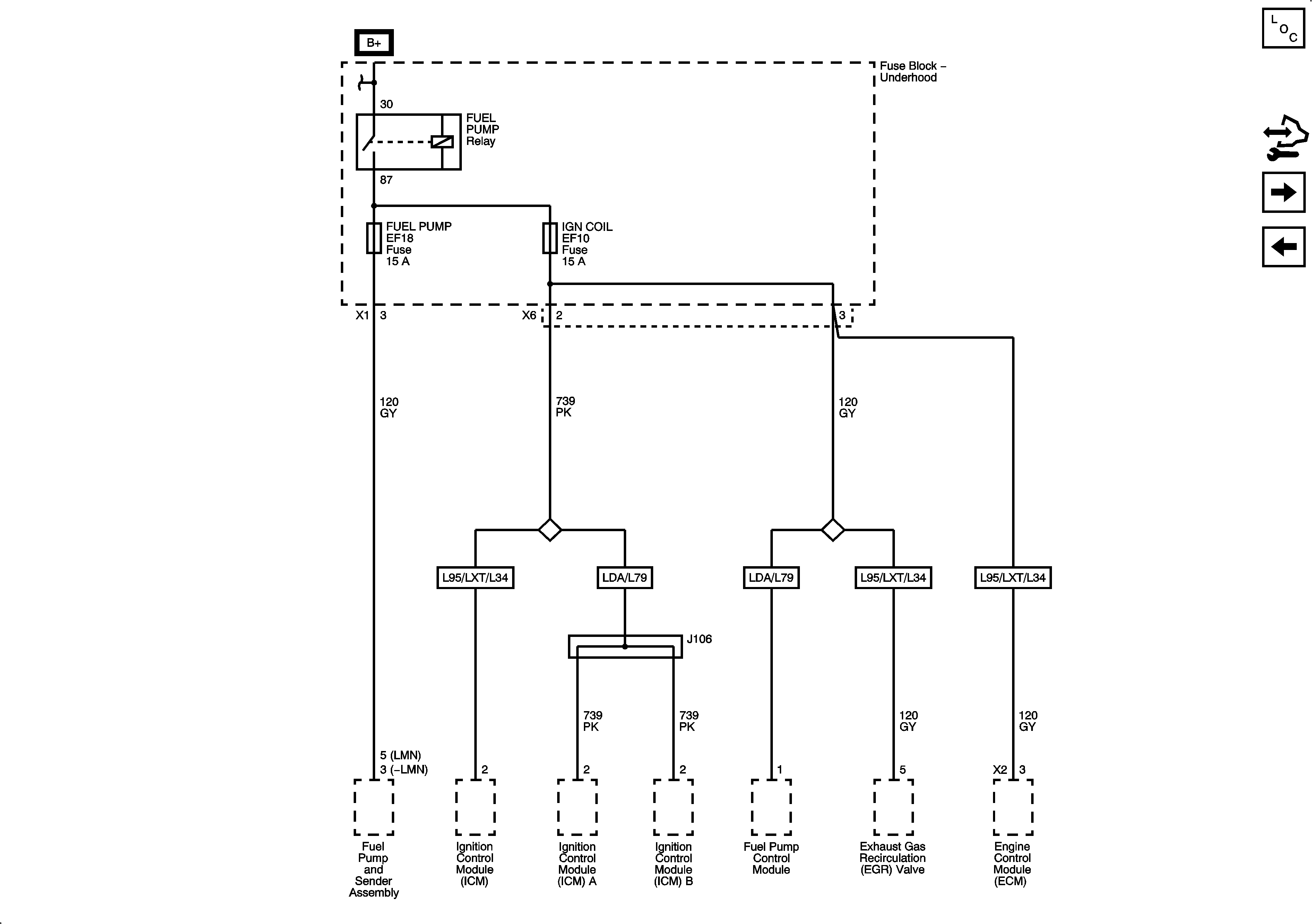
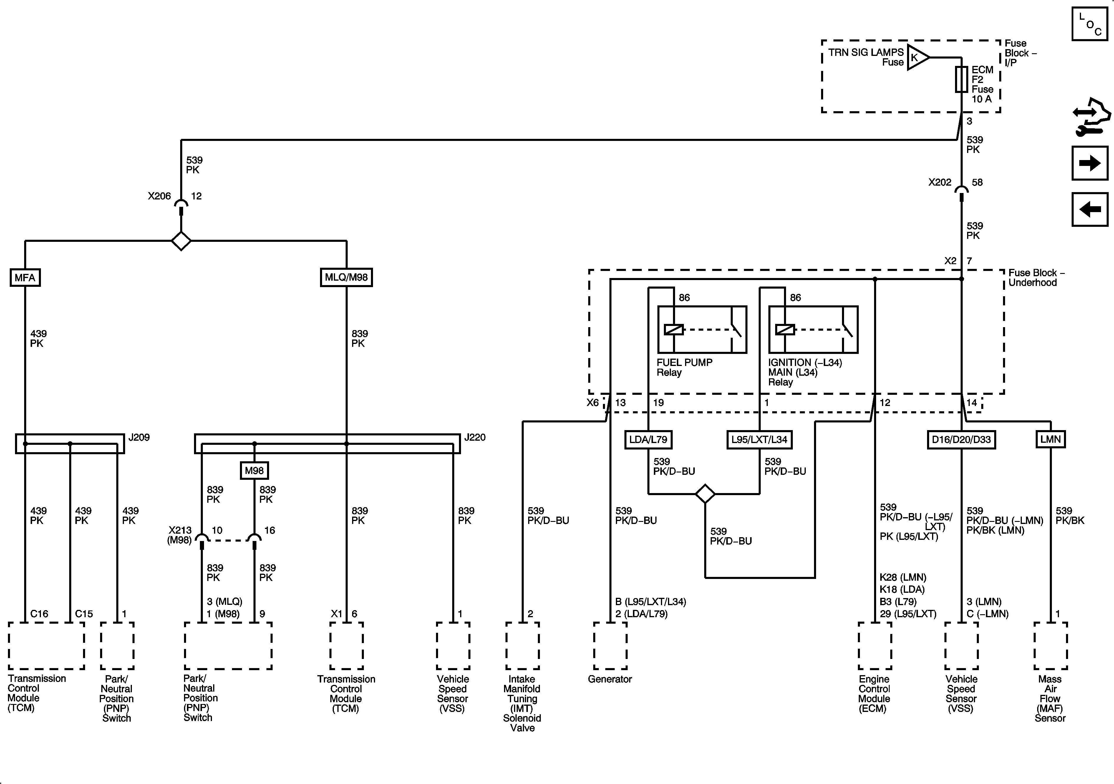
Figure 15:

Fuse Block - Underhood FUEL PUMP Relay and FUEL PUMP, IGN COIL Fuses


Object Number: 2159439  Size: FS
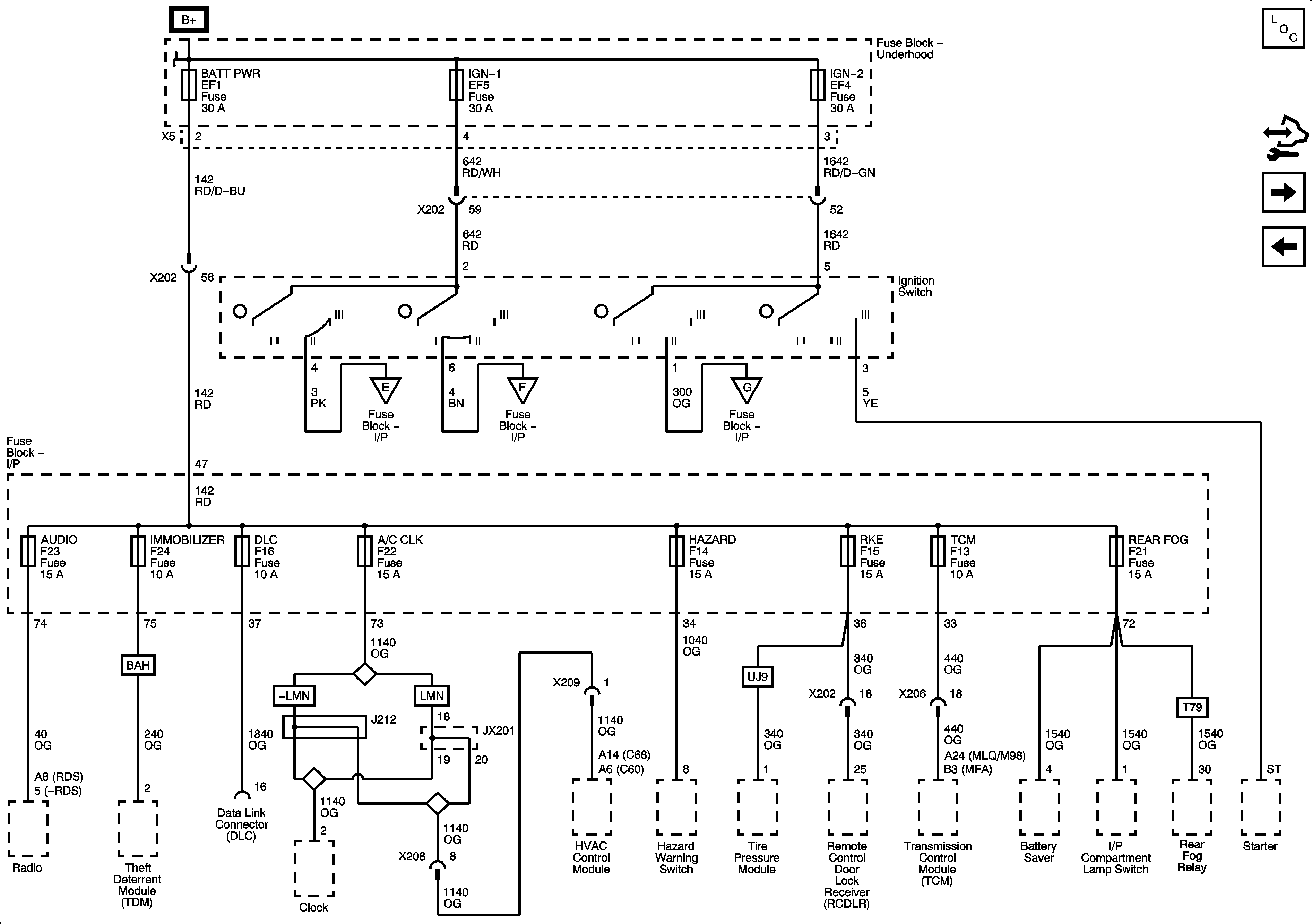
Figure 16:

Fuse Block - Underhood BATT MAIN, IGN 1, IGN 2 Fuses, Ignition Switch, Fuse Block-I/P RADIO, IMMOBILIZER, DLC, A/C CLK, HAZARD, RKE, TCM, REAR FOG Fuses


Object Number: 2159440  Size: FS
Figure 17:

Fuse Block - I/P CLSTR, AIRBAG, BCK/UP Fuses


Object Number: 2159445  Size: FS
Figure 18:

Fuse Block - I/P ABS, IMMOBILIZER, WPR, TRN SIG LAMPS Fuses


Object Number: 2159446  Size: FS
Figure 19:

Fuse Block - I/P ECM Fuse


Object Number: 2159447  Size: FS
Figure 20:

Fuse Block - I/P HVAC and S/ROOF Fuses


Object Number: 2159451  Size: FS
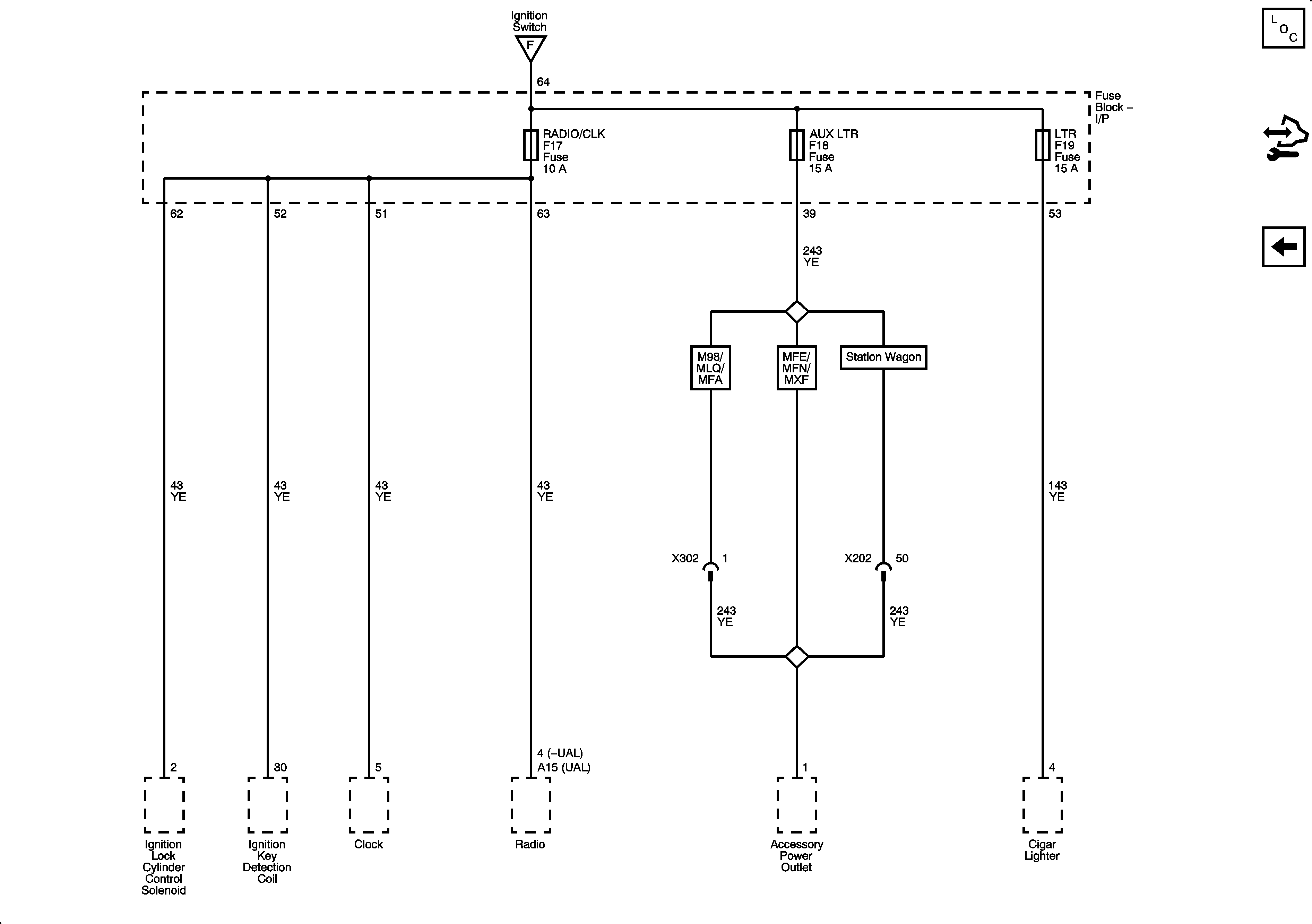
Figure 21:

Fuse Block - I/P RADIO/CLK, AUX LTR, LTR Fuses


Object Number: 2159456  Size: FS