GM Service Manual Online
For 1990-2009 cars only
Makes
🢒
Holden
🢒
2009
🢒
Viva
🢒
Roof
🢒
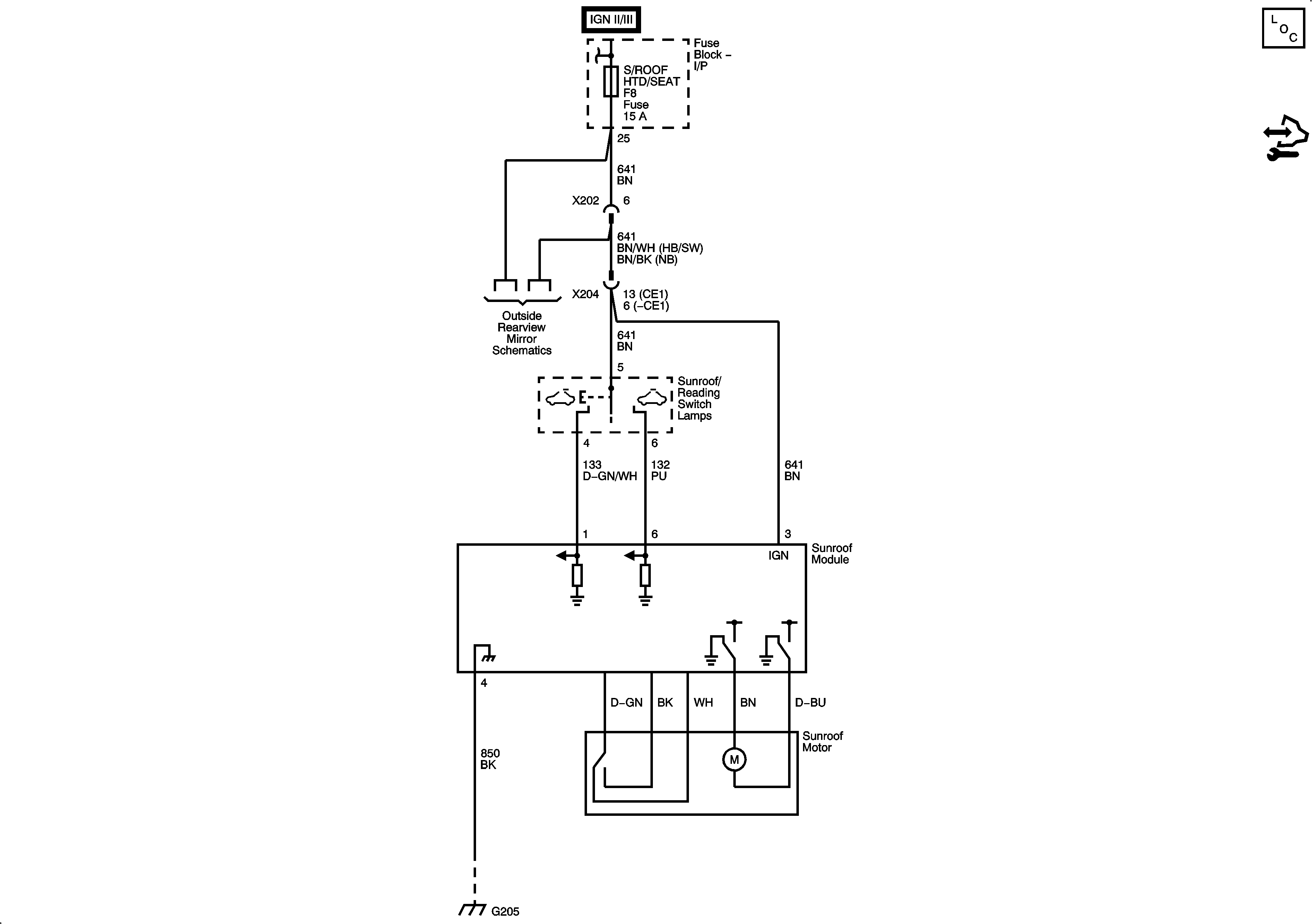
Sunroof
🢒 Sunroof Schematics
Sunroof