GM Service Manual Online
For 1990-2009 cars only
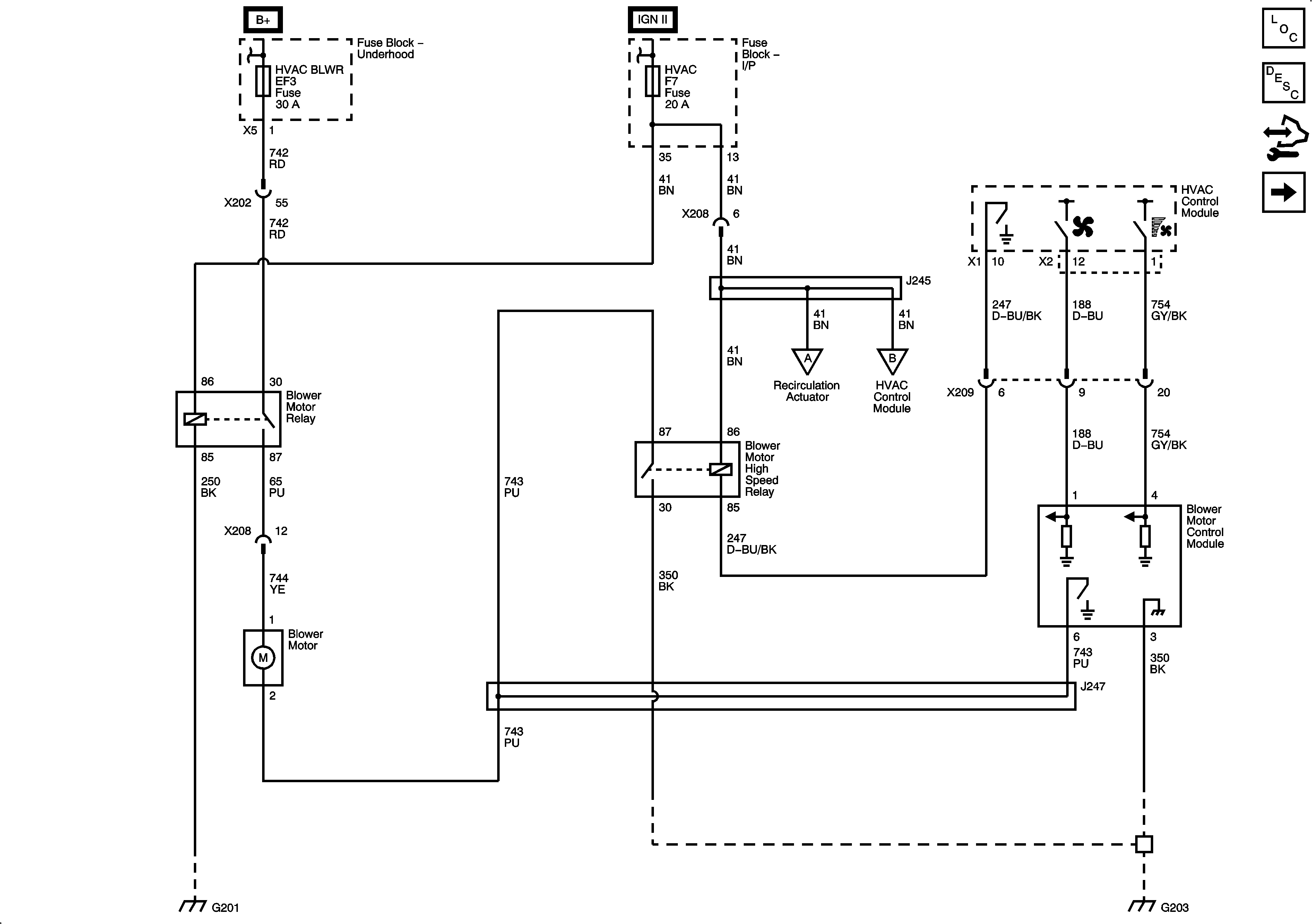
Figure 1:

Blower Controls


Object Number: 2159249  Size: FS
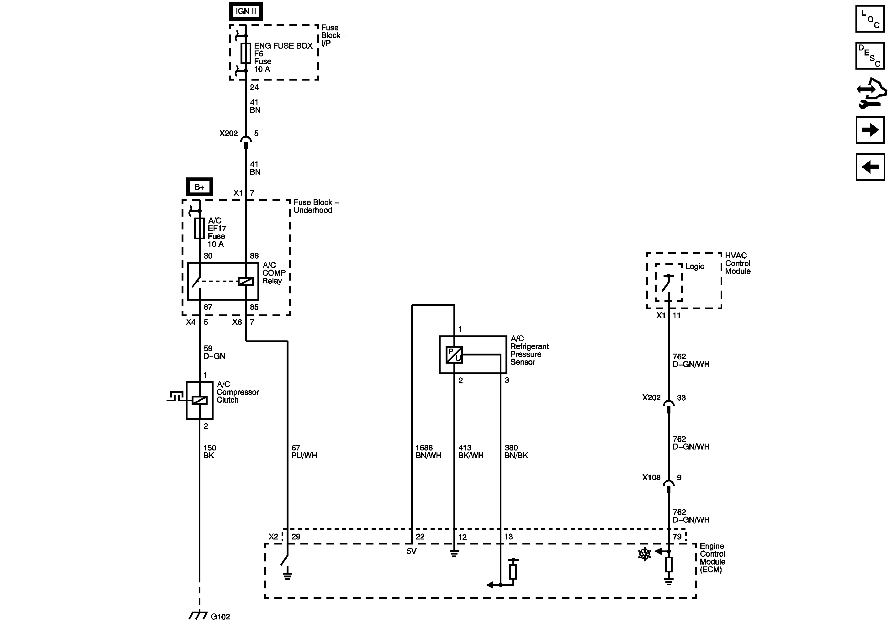
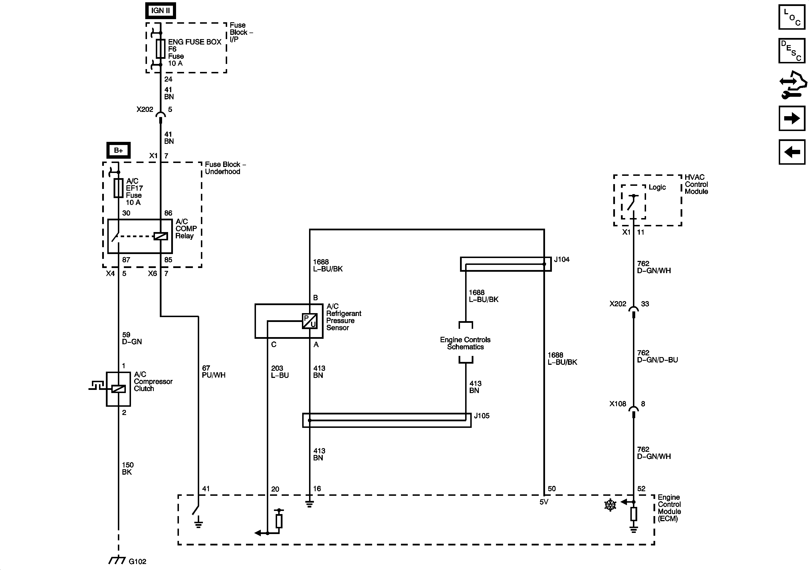
Figure 2:

Compressor Controsl Sirius D4


Object Number: 2159255  Size: FS
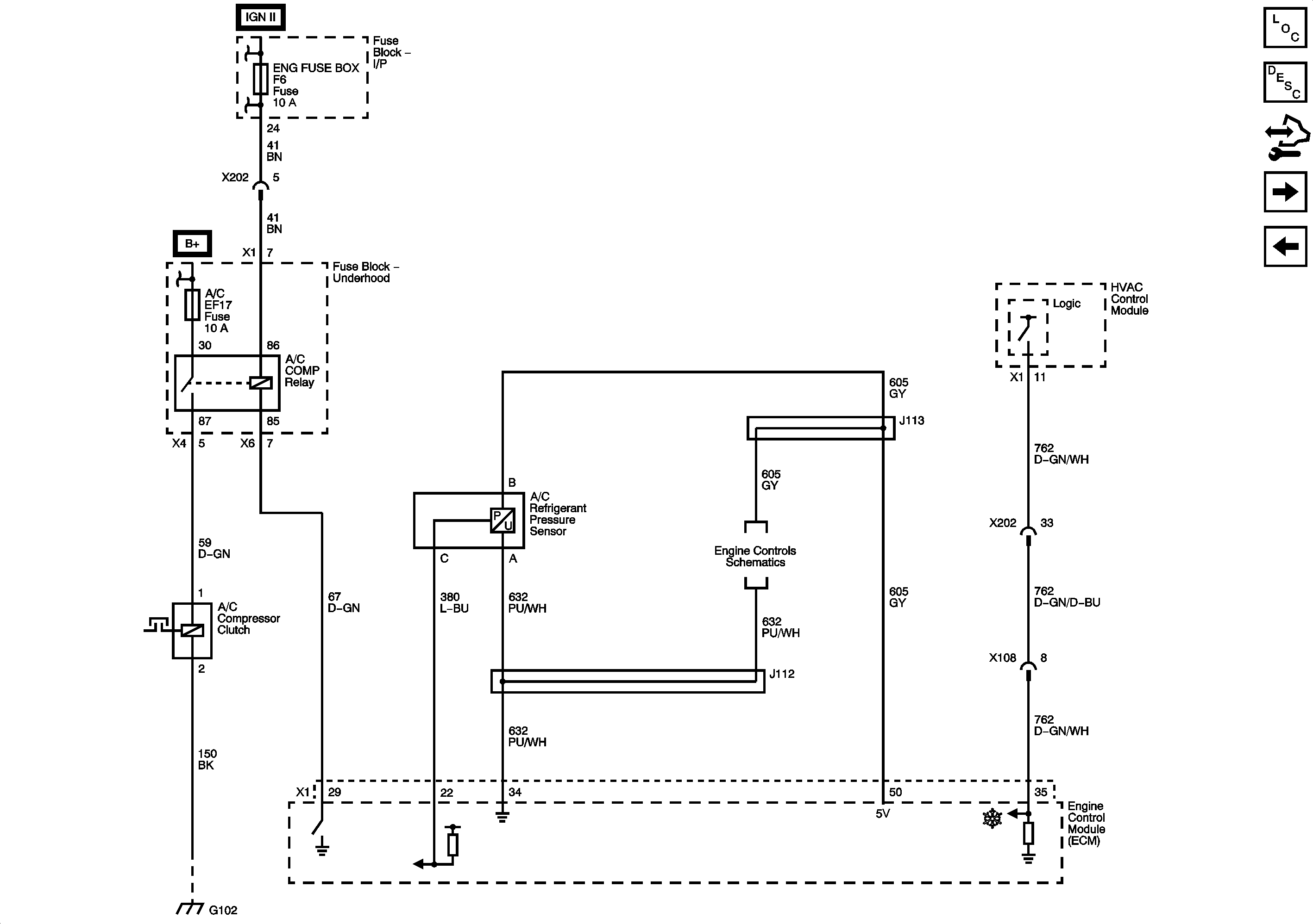
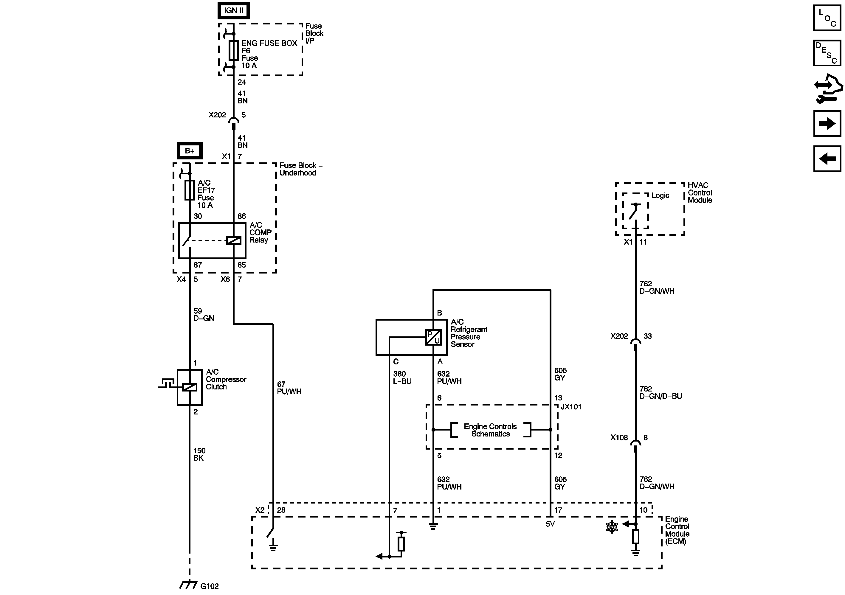
Figure 3:

Compressor Controls MR-140


Object Number: 2159262  Size: FS
Figure 4:

Compressor Controls HV-240


Object Number: 2159266  Size: FS
Figure 5:

Compressor Controls Diesel


Object Number: 2159271  Size: FS
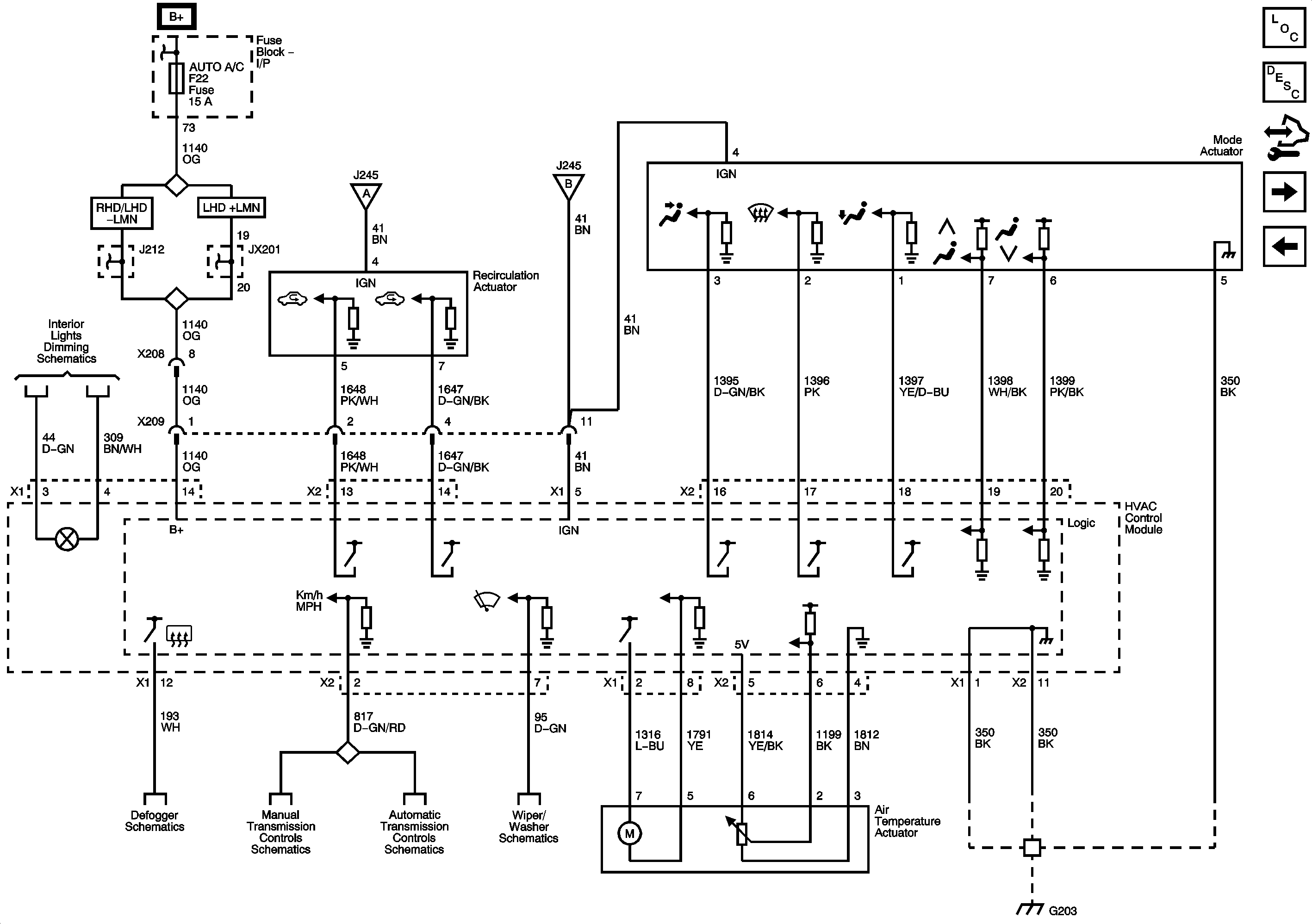
Figure 6:

Air Delivery and Temperature Controls


Object Number: 2159276  Size: FS
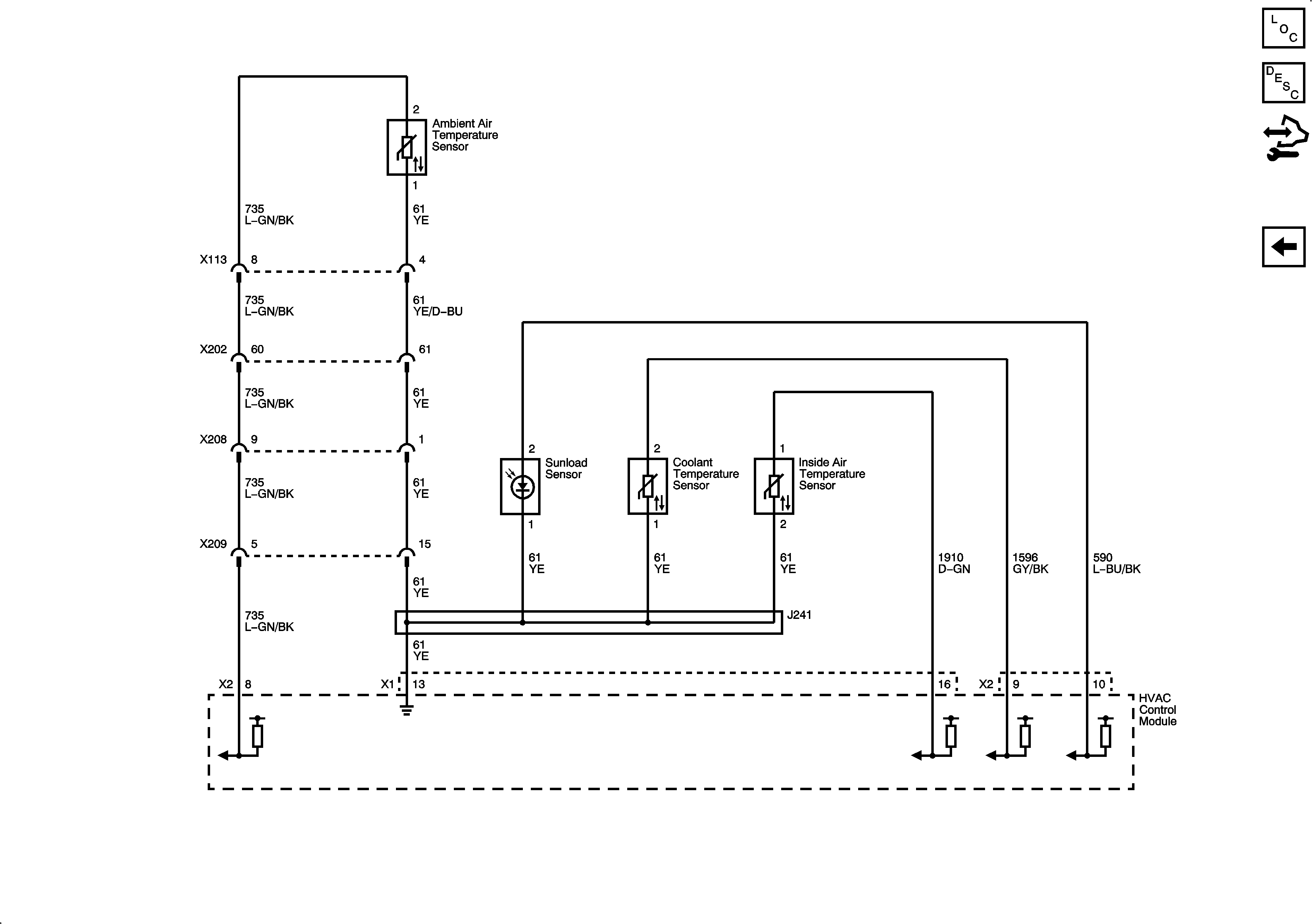
Figure 7:

HVAC Sensors


Object Number: 2159280  Size: FS